
ADI 中国本地化订购服务全面启动
正品现货、一片起订,更有人民币快捷支付免除报关烦恼!
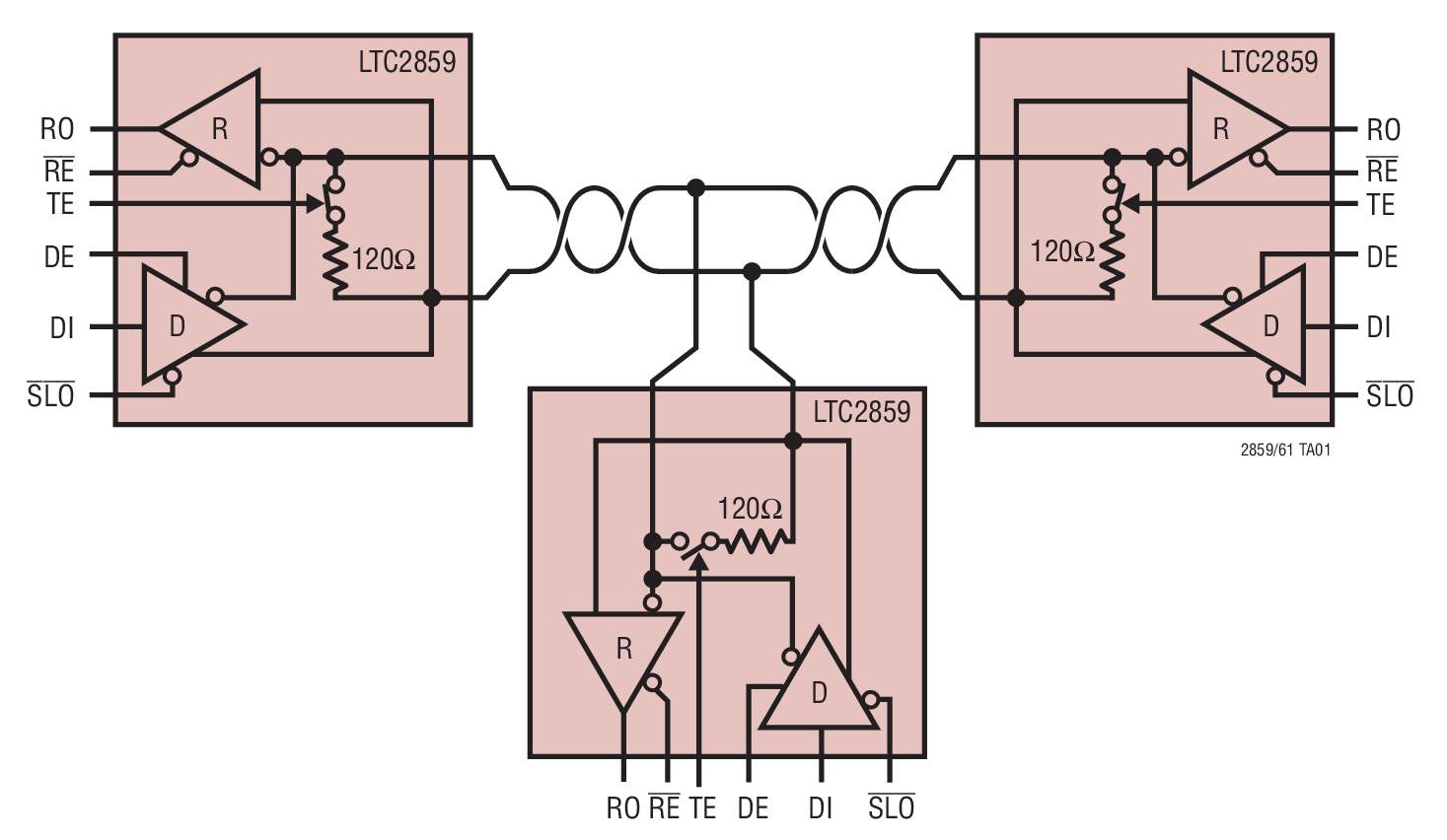
LTC2859
量产具集成可通断终端的 20Mbps RS485 收发器
- 产品模型
- 6
产品详情
- 集成逻辑可选120Ω端接电阻
- 最大数据速率:20Mbps
- 无ESD损坏或闩锁:±15kV HBM
- 高输入阻抗支持 256 个节点
- 250ksps 低 EMI 模式
- 整个共模范围内保证故障安全接收器工作
- 限流驱动器和热关断
- 延迟微功耗关断(最大5μA)
- 上电 / 关断无毛刺驱动器输出
- 低工作电流 (在接收器模式下,最大900μA)
- 符合所有 TIA/EIA-485-A 规范
- 采用 10 引脚 3mm x 3mm DFN、12 引脚 4mm x 3mm DFN 和 16 引脚 SSOP 三种封装
LTC®2859 和 LTC2861 是低功率、20Mbps RS485/422 收发器,采用 5V 工作电源。接收器包括一个可通过逻辑电路来选择的 120Ω 终端,可在每根总线上支持多达 256 个节点的 1/8 单位负载 (C 和 I 版本) 和一种可在输入浮置或短路的条件下确保高输出状态的故障保险功能。
驱动器具有一种可通过逻辑电路来选择的低 EMI 250kbps 工作模式,并能够在整个共模范围内保持高输出阻抗 (当被停用或电源被拿掉时)。可通过对所有输出进行限流和利用热停机功能来防止因总线争用或故障而导致功耗过大。
增强型 ESD 防护使得 LTC2859 和 LTC2861 能够在收发器接口引脚上承受 ±15kV HBM (人体模型),而不会发生锁断或受损现象。
应用
- 低功率 RS485/RS422 收发器
- 电平变换器
- 背板收发器
参考资料
数据手册 1
可靠性数据 1
技术文章 1
视频 2
新闻 1
产品选型卡 2
ADI 始终高度重视提供符合最高质量和可靠性水平的产品。我们通过将质量和可靠性检查纳入产品和工艺设计的各个范围以及制造过程来实现这一目标。出货产品的“零缺陷”始终是我们的目标。查看我们的质量和可靠性计划和认证以了解更多信息。
产品型号 | 引脚/封装图-中文版 | 文档 | CAD 符号,脚注和 3D模型 |
---|---|---|---|
LTC2859CDD#PBF | 10-Lead DFN (3mm x 3mm w/ EP) | ||
LTC2859CDD#TRPBF | 10-Lead DFN (3mm x 3mm w/ EP) | ||
LTC2859HDD#PBF | 10-Lead DFN (3mm x 3mm w/ EP) | ||
LTC2859HDD#TRPBF | 10-Lead DFN (3mm x 3mm w/ EP) | ||
LTC2859IDD#PBF | 10-Lead DFN (3mm x 3mm w/ EP) | ||
LTC2859IDD#TRPBF | 10-Lead DFN (3mm x 3mm w/ EP) |
产品型号 | 产品生命周期 | PCN |
---|---|---|
2月 14, 2025 - 25_0016 Bond Wire Change from Gold to Copper Wire (Notification Only) |
||
LTC2859CDD#PBF | 量产 | |
LTC2859CDD#TRPBF | 量产 | |
4月 9, 2025 - 25_0016 Bond Wire Change from Gold to Copper Wire (Notification Only) |
||
LTC2859HDD#PBF | 量产 | |
LTC2859HDD#TRPBF | 量产 |
这是最新版本的数据手册
硬件生态系统
工具及仿真模型
IBIS 模型 1
最新评论
需要发起讨论吗? 没有关于 LTC2859的相关讨论?是否需要发起讨论?
在EngineerZone®上发起讨论