
ADI 中国本地化订购服务全面启动
正品现货、一片起订,更有人民币快捷支付免除报关烦恼!
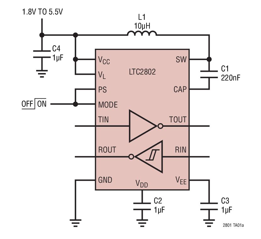
LTC2804
量产1.8V 至 5.5V RS-232 单通道和双通道收发器
- 产品模型
- 8
产品详情
- 电源电压:1.8V 至 5.5V
- 单通道和双通道收发器
- 高速运行
- 250pF/3kΩ 负载: 1Mbps (LTC2802、LTC2804)
- 1nF/3kΩ 负载: 250kbps
- 2.5nF/3kΩ TIA/EIA-232-F 负载: 100kbps
- 低功率 1μA 停机模式和 15μA 接收器运行模式
- 在 RS-232 接口上不会发生损坏或锁断 (至 ±10kV ESD)
- 逻辑电源引脚用于实现至 UART 或微处理器的简易型电平移位
- 低延迟输出使能支持线路共享和半双工操作
- 符合 RS-232 标准的输出电平
- 小尺寸:
- LTC2801/LTC2802 — 4mm x 3mm DFN 封装
- LTC2803/LTC2804 — 窄体 SSOP-16封装
- 5mm x 3mm DFN 封装
LTC2801/LTC2802/LTC2803/LTC2804均为单通道和双通道RS-232收发器,采用窄体SSOP和芯片级DFN封装。所有器件的电源电压范围为1.8V至5.5V,可以直接采用两个碱性电池、NiCd或NiMH电池工作。集成式DC-DC转换器生成用于驱动RS-232电平的电源。逻辑电源引脚可以很方便地与不同的逻辑电平接口,与DC-DC电源无关。
这些器件兼容TIA/EIA-232-F标准。驱动器输出具有过载保护,可对地短路或提供高达±15V的电压,而不会损坏。为延长电池寿命,接收器可以保持活动状态,在低速下工作,电流仅为15μA。关断模式下,电流进一步降低到1μA。
应用
- 电池供电型系统
- 计算机和消费类电子设备
- 诊断端口
参考资料
数据手册 1
可靠性数据 1
用户手册 1
技术文章 1
视频 2
新闻 1
产品选型卡 2
ADI 始终高度重视提供符合最高质量和可靠性水平的产品。我们通过将质量和可靠性检查纳入产品和工艺设计的各个范围以及制造过程来实现这一目标。出货产品的“零缺陷”始终是我们的目标。查看我们的质量和可靠性计划和认证以了解更多信息。
产品型号 | 引脚/封装图-中文版 | 文档 | CAD 符号,脚注和 3D模型 |
---|---|---|---|
LTC2804CDHC#PBF | 16-Lead DFN (5mm x 3mm w/ EP) | ||
LTC2804CDHC#TRPBF | 16-Lead DFN (5mm x 3mm w/ EP) | ||
LTC2804CGN-1#PBF | 16-Lead SSOP (Narrow 0.15 Inch) | ||
LTC2804CGN-1#TRPBF | 16-Lead SSOP (Narrow 0.15 Inch) | ||
LTC2804IDHC#PBF | 16-Lead DFN (5mm x 3mm w/ EP) | ||
LTC2804IDHC#TRPBF | 16-Lead DFN (5mm x 3mm w/ EP) | ||
LTC2804IGN-1#PBF | 16-Lead SSOP (Narrow 0.15 Inch) | ||
LTC2804IGN-1#TRPBF | 16-Lead SSOP (Narrow 0.15 Inch) |
产品型号 | 产品生命周期 | PCN |
---|---|---|
2月 14, 2025 - 25_0017 Bond Wire Change from Gold to Copper |
||
LTC2804CDHC#PBF | 量产 | |
LTC2804CDHC#TRPBF | 量产 | |
10月 3, 2024 - 24_0235 (QSOP/SSOP PKG) Migrating Bottom Trace Code Marking to Top Side Laser Marking |
||
LTC2804CGN-1#PBF | 量产 | |
LTC2804CGN-1#TRPBF | 量产 | |
LTC2804IGN-1#PBF | 量产 | |
LTC2804IGN-1#TRPBF | 量产 | |
10月 11, 2022 - 22_0235 Epoxy Change from Henkel 8290 to 8290A for GN Package |
||
LTC2804CGN-1#PBF | 量产 | |
LTC2804CGN-1#TRPBF | 量产 | |
LTC2804IGN-1#PBF | 量产 | |
LTC2804IGN-1#TRPBF | 量产 | |
4月 6, 2022 - 22_0066 Laser Top Mark for 16QSOP Assembled in ADPG [PNG] |
||
LTC2804CGN-1#PBF | 量产 | |
LTC2804CGN-1#TRPBF | 量产 | |
LTC2804IGN-1#PBF | 量产 | |
LTC2804IGN-1#TRPBF | 量产 |
这是最新版本的数据手册
硬件生态系统
工具及仿真模型
IBIS 模型 1
评估套件
最新评论
需要发起讨论吗? 没有关于 LTC2804的相关讨论?是否需要发起讨论?
在EngineerZone®上发起讨论