LTC1545

量产

软件可选择多协议收发器

产品技术资料帮助

ADI公司所提供的资料均视为准确、可靠。但本公司不为用户在应用过程中侵犯任何专利权或第三方权利承担任何责任。技术指标的修改不再另行通知。本公司既没有含蓄的允许,也不允许借用ADI公司的专利或专利权的名义。本文出现的商标和注册商标所有权分别属于相应的公司。

Viewing:

概述

  • 软件可选择多协议收发器支持:RS232, RS449, EIA530, EIA530-A, V.35, V.36, X.21 协议
  • 经 TUV/Detecon 公司认证符合 NET1 和 NET2 标准(测试报告编号:NET2/071601/98)
  • 符合TBR2标准 (测试报告编号:CTR2/071601/98)
  • 利用 LTC1344A 可实现软件可选择电缆终端
  • 用 LTC1543、LTC1344A 可实现完整的数据终端设备 (DTE) 或数据通讯设备 (DCE) 端口
  • 与 LTC1543 工作在 5V 单电源

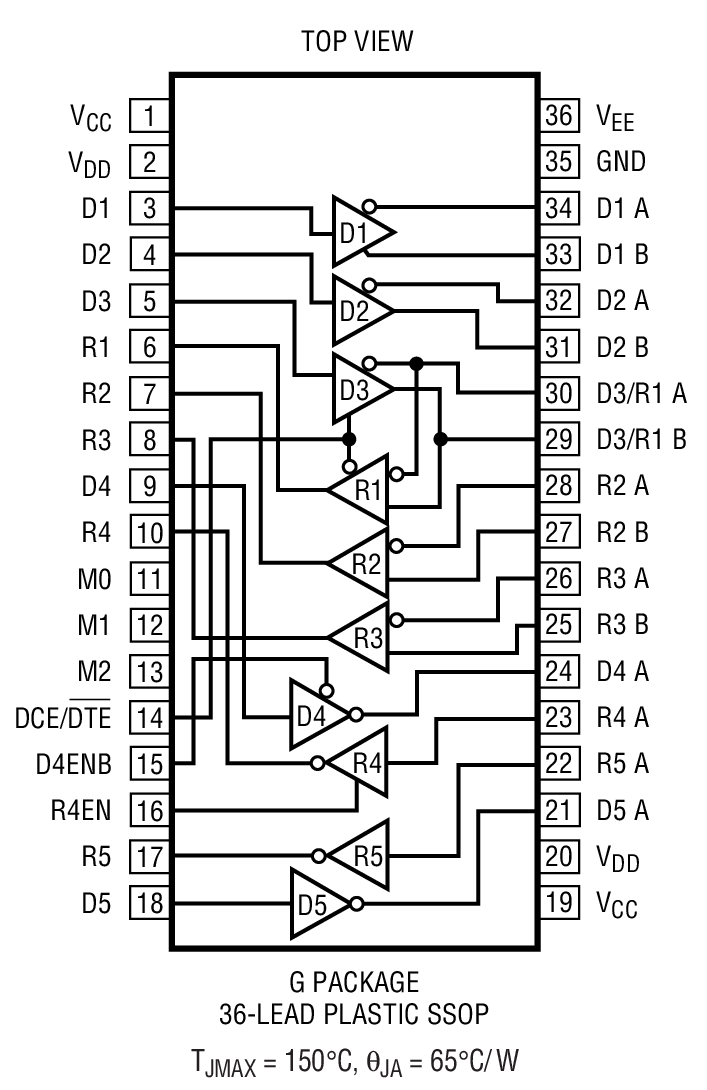
LTC®1545 是一个包含 5 路驱动器和 5 路接收器的多协议收发器。LTC1545 和 LTC1543 可构成支持 RS232、RS449、EIA530、EIA530-A、V.35、V.36 或 X.21 协议的一种完整的软件可选择 DTE 或 DCE 接口核心。利用 LTC1344A 软件可选择电缆终端芯片或采用现有的分立器件设计方案可实现电缆终端。

LTC1545 在 5V 电源和在 LTC1543 电荷泵下工作。该器件采用 36 引脚 SSOP 表面贴装。


Applications

  • 数据网络
  • 信道业务单元 (CSU) 和数据业务单元 (DSU)
  • 数据路由器

LTC1545
软件可选择多协议收发器
DTE or DCE Multiprotocol Serial Interface with DB-25 Connector Product Package 1
添加至 myAnalog

将产品添加到myAnalog 的现有项目或新项目中(接收通知)。

创建新项目
提问

参考资料

了解更多
添加至 myAnalog

Add media to the Resources section of myAnalog, to an existing project or to a new project.

创建新项目

评估套件

eval board
DC327A

LTC1546CG LTC1545CG | 支持端接和RL、RI、LL和TM功能的软件可选多协议收发器

产品详情

DC327A演示板适用于:
LTC1545软件可选多协议收发器
LTC1546具有端接功能的软件可选多协议收发器

DC327A
LTC1546CG LTC1545CG | 支持端接和RL、RI、LL和TM功能的软件可选多协议收发器
DC327A - Schematic

最新评论

需要发起讨论吗? 没有关于 LTC1545的相关讨论?是否需要发起讨论?

在EngineerZone®上发起讨论

近期浏览