LTC1517-3.3

量产

采用 5 引脚 SOT-23 封装的微功率、稳压 3.3V 充电泵

产品技术资料帮助

ADI公司所提供的资料均视为准确、可靠。但本公司不为用户在应用过程中侵犯任何专利权或第三方权利承担任何责任。技术指标的修改不再另行通知。本公司既没有含蓄的允许,也不允许借用ADI公司的专利或专利权的名义。本文出现的商标和注册商标所有权分别属于相应的公司。

Viewing:

概述

  • 超低功率:ICC = 6μA (典型值)
  • 短路 / 热保护
  • 3.3V ±4% 稳压输出
  • VIN 范围:2V 至 4.4V
  • 输出电流:8mA (VIN ≥ 2V) 
                      15mA (VIN ≥ 2.5V)
  • 无电感器
  • 超小的应用电路 (0.045in2)
  • 700kHz 开关频率
  • 采用 5 引脚 SOT-23 封装

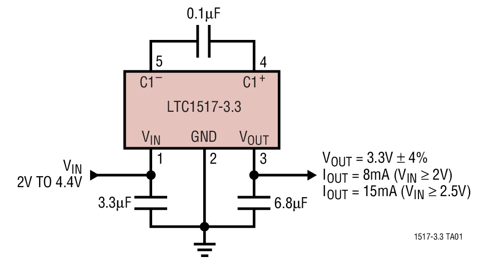
LTC®1517-3.3 是一款微功率充电泵 DC/DC 转换器,该器件可产生一个稳定的 3.3V 输出。输入电压范围为 2V 至 4.4V,因而允许采用单节锂离子电池产生一个稳定的 3.3V 输出 (在电池的整个使用期限内)。极低的工作电流 (无负载时的典型值为 6μA) 和低外部组件数目 (一个 0.1μF 跨接电容器以及 VIN 和 VOUT 上的两个小的旁路电容器) 使得此器件非常适合小型、轻负载电池供电式应用。下方所示应用电路的印刷电路板总面积仅为 0.045in2

这款器件可起突发模式 (Burst Mode®) 开关电容器电压倍增器的作用,以产生一个稳定的输出。LTC1517-3.3 具有热停机功能,并能够安然经受从 VOUT 至 GND 的持续短路。该器件可提供 5 引脚 SOT-23 封装。

应用
  • 蜂窝电话
  • 电池供电式设备
  • 局部电源
  • 手持式仪器
  • PCMCIA 电源

LTC1517-3.3
采用 5 引脚 SOT-23 封装的微功率、稳压 3.3V 充电泵
Typical Output Voltage vs Output Current Product Package 1
添加至 myAnalog

将产品添加到myAnalog 的现有项目或新项目中(接收通知)。

创建新项目
提问

参考资料

了解更多
添加至 myAnalog

Add media to the Resources section of myAnalog, to an existing project or to a new project.

创建新项目

软件资源

找不到您所需的软件或驱动?

申请驱动/软件

工具及仿真模型

LTspice 1


LTspice中提供以下器件型号:

  • LTC1517-3.3
  • LTC1517-5
LTspice

LTspice®是一款强大高效的免费仿真软件、原理图采集和波形观测器,为改善模拟电路的仿真提供增强功能和模型。

最新评论

需要发起讨论吗? 没有关于 LTC1517-3.3的相关讨论?是否需要发起讨论?

在EngineerZone®上发起讨论

近期浏览