LTC1321
量产RS232/EIA562/RS485 收发器
- 产品模型
- 6
概述
- LTC1321:2-EIA562/RS232 收发器 / 2-RS485 收发器
- LTC1322:4-EIA562/RS232 收发器 / 2-RS485 收发器
- LTC1335:具OE的4-EIA562 收发器 / 2-RS485 收发器
- LTC1321 / LTC1322 具有与 SP301 / SP302 相同的引出脚配置
- LTC1335 具有接收器三态输出
- 低电源电流:1mA (典型值)
- 在停机模式中的电源电流为 15μA
- 运行速度达 120kBaud (在 EIA/TIA-562 或 RS232 模式中)
- 运行速度达 10MBaud (在 RS485/RS422 模式中)
- 在环回模式中具有自测试能力
- 无上电 / 断电毛刺干扰的输出
- 驱动器在三态、停机模式中或电源关断时保持高阻抗
- 热停机保护
- I/O 线能够承受 ±25V
- 可承受重复的 10kV ESD 脉冲
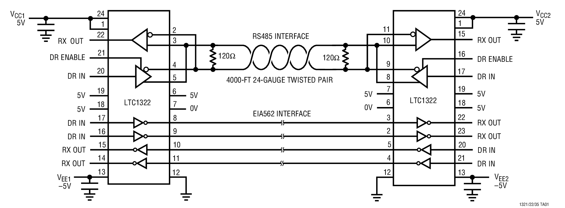
LTC®1321 / LTC1322 / LTC1335 是低功率 CMOS 双向收发器,各具两个可再配置接口端口。每款器件可配置为两个 RS485 差分端口、两个单端端口、或者一个 RS485 差分端口和一个单端端口。 LTC1321 / LTC1322 能够提供 RS232 或 EIA562 兼容型单端输出;LTC1335 则提供 EIA562 兼容型输出,另外还包括一个输出使能引脚,因而可使接收器逻辑电平输出具有三种状态。
RS232/EIA562 收发器工作至 120kBaud,而且完全符合 EIA/TIA-562 规范。RS485 收发器工作至 10MBaud,并完全符合 RS485 和 RS422 规范。所有的接口驱动器均拥有短路和热停机保护功能。一个使能引脚允许强制 RS485 驱动器输出进入高阻抗状态,即使在输出被强制超过电源轨或电源被关断的情况下也将保持。驱动器输出和接收器输入均具有 ±10kV ESD 保护等级。一种环回模式将驱动器输出回接至接收器输入以进行诊断自测试。
当 6.5V ≤ VDD ≤ 10V 和 –6.5V ≥ VEE ≥ –10V 时,LTC1321 / LTC1322 能够支持 RS232 电压电平。LTC1335 支持接收器输出使能,但是不支持 RS232 电平。一种停机模式可将 ICC 电源电流减小至 15μA。
应用
- 低功率 RS485/RS422/EIA562/RS232 接口
- 电缆中继器
- 电平变换器
参考资料
数据手册 1
可靠性数据 1
视频 2
产品选型卡 1
ADI 始终高度重视提供符合最高质量和可靠性水平的产品。我们通过将质量和可靠性检查纳入产品和工艺设计的各个范围以及制造过程来实现这一目标。出货产品的“零缺陷”始终是我们的目标。查看我们的质量和可靠性计划和认证以了解更多信息。
| 产品型号 | 引脚/封装图-中文版 | 文档 | CAD 符号,脚注和 3D模型 |
|---|---|---|---|
| LTC1321CN#PBF | 24-Lead PDIP (Narrow 0.3 Inch) | ||
| LTC1321CSW#PBF | 24-Lead SOIC (Wide 0.3 Inch) | ||
| LTC1321CSW#TRPBF | 24-Lead SOIC (Wide 0.3 Inch) | ||
| LTC1321IN#PBF | 24-Lead PDIP (Narrow 0.3 Inch) | ||
| LTC1321ISW#PBF | 24-Lead SOIC (Wide 0.3 Inch) | ||
| LTC1321ISW#TRPBF | 24-Lead SOIC (Wide 0.3 Inch) |
| 产品型号 | 产品生命周期 | PCN |
|---|---|---|
|
3月 7, 2019 - 19_0046 Assembly Transfer of 18,20,24,28 Lead PDIP to Cirtek |
||
| LTC1321CN#PBF | 量产 | |
| LTC1321IN#PBF | 量产 | |
|
8月 10, 2022 - 22_0176 Laser Top Mark Conversion for SOIC_W Packages Assembled in ADPG [PNG] and UTL |
||
| LTC1321CSW#PBF | 量产 | |
| LTC1321CSW#TRPBF | 量产 | |
| LTC1321ISW#PBF | 量产 | |
| LTC1321ISW#TRPBF | 量产 | |
这是最新版本的数据手册
硬件生态系统
最新评论
需要发起讨论吗? 没有关于 LTC1321的相关讨论?是否需要发起讨论?
在EngineerZone®上发起讨论