HMC869
过期I/Q接收机,采用SMT封装,12 - 16 GHz
- 产品模型
 - 1
 
        Viewing:
        
    
    概述
- 转换增益: 14 dB
 - 镜像抑制: 32 dB
 - LO至RF隔离: 45 dB
 - 噪声系数: 2.8 dB
 
- 输入IP3: -1 dBm
 - 32引脚5x5mm SMT封装: 25mm²
 
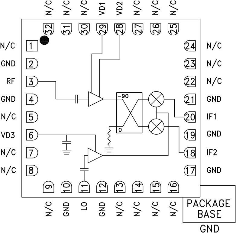
HMC869LC5是一款GaAs MMIC I/Q下变频器,采用符合RoHS标准的无引脚SMT封装。 该器件提供14 dB的小信号转换增益、2.8 dB的噪声系数和32 dB的镜像抑制性能。 HMC869LC5采用LNA,后接由LO缓冲器放大器驱动的镜像抑制混频器。 该镜像抑制混频器使得LNA之后无需使用滤波器,并可消除镜像频率下的热噪声。 它具有I和Q混频器输出,所需外部90°混合型器件用于选择所需边带。 HMC869LC5为混合型镜像抑制混频器下变频器组件的小型替代器件,它无需线焊,可以使用表贴制造技术。
应用
- 点对点和点对多点无线电
 - 军用雷达、EW和ELINT
 - 卫星通信
 
推荐替代产品
GaAs MMIC I/Q下变频器,10 - 16 GHz
参考资料
停产数据手册 1
质量文档 1
磁带和卷轴规格 1
ADI 始终高度重视提供符合最高质量和可靠性水平的产品。我们通过将质量和可靠性检查纳入产品和工艺设计的各个范围以及制造过程来实现这一目标。出货产品的“零缺陷”始终是我们的目标。查看我们的质量和可靠性计划和认证以了解更多信息。
| 产品型号 | 引脚/封装图-中文版 | 文档 | CAD 符号,脚注和 3D模型 | 
|---|---|---|---|
| HMC869LC5 | 32-Lead LFCSP_CAV (5mm x 5mm w/ EP) | 
| 产品型号 | 产品生命周期 | PCN | 
|---|---|---|
| 
                                                            12月 14, 2015 - 15_0026 Discontinuance of Select Hittite Microwave Products (HMC) from Analog Devices  | 
                                                    ||
| HMC869LC5 | 过期 | |
这是最新版本的数据手册
软件资源
找不到您所需的软件或驱动?
申请驱动/软件硬件生态系统
| 部分模型 | 产品周期 | 描述 | 
|---|---|---|
| HMC1113 | 推荐用于新设计 | GaAs MMIC I/Q下变频器,10 - 16 GHz | 
最新评论
需要发起讨论吗? 没有关于 HMC869的相关讨论?是否需要发起讨论?
在EngineerZone®上发起讨论