HMC854

推荐用于新设计

提供可编程输出电压的28 Gbps 4:1多路复用器,采用SMT封装

产品技术资料帮助

ADI公司所提供的资料均视为准确、可靠。但本公司不为用户在应用过程中侵犯任何专利权或第三方权利承担任何责任。技术指标的修改不再另行通知。本公司既没有含蓄的允许,也不允许借用ADI公司的专利或专利权的名义。本文出现的商标和注册商标所有权分别属于相应的公司。

Viewing:

概述

  • 差分与单端工作
  • 半速率时钟输入
  • ¼速率参考时钟输出
  • 快速上升和下降时间: 16 ps
  • 低功耗: 510 mW(典型值)
  • 可编程差分输出电压摆幅: 700 - 1,250 mV
  • 单电源: -3.3V
  • 32引脚5x5mm SMT封装: 25mm²

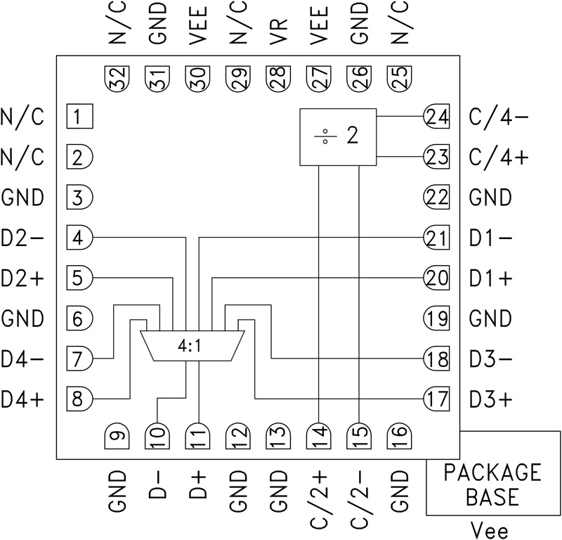
HMC854LC5是一款4:1多路复用器,设计用于28 Gbps数据串行应用。 多路复用器在输入时钟的上升沿锁存四个差分输入。 该器件使用半速率时钟的上升沿和下降沿来串行传输数据。 片上生成1/4速率时钟输出信号,可用来使数据与多路复用器同步。 多路复用器为直流耦合,支持宽带工作。

HMC854LC5的所有时钟和数据输入均采用CML并通过片上50 Ω端接至正电源GND,可采用直流或交流耦合。 差分输出的信号源端接至50 Ω,同样可交流或直流耦合。 输出可直接连接50 Ω接地端接系统,或者通过CML逻辑输入驱动器件。 HMC854LC5还集成一个输出电平控制引脚VR,可用于损耗补偿或信号电平优化。 HMC854LC5采用-3.3V单电源供电,提供符合ROHS标准的5x5 mm SMT封装。

应用

  • SONET OC-192
  • 宽带测试和测量
  • 串行数据传输高达28 Gbps
  • 多路复用模式:
    4:1 (28 Gbps NRZ)
    2:1 (14 Gbps RZ和NRZ)
  • FPGA接口

HMC854
提供可编程输出电压的28 Gbps 4:1多路复用器,采用SMT封装
HMC854 Functional Block Diagram
添加至 myAnalog

将产品添加到myAnalog 的现有项目或新项目中(接收通知)。

创建新项目
提问

参考资料

数据手册 1

了解更多
添加至 myAnalog

Add media to the Resources section of myAnalog, to an existing project or to a new project.

创建新项目

最新评论

需要发起讨论吗? 没有关于 HMC854的相关讨论?是否需要发起讨论?

在EngineerZone®上发起讨论

近期浏览