HMC847

过期

提供占空比控制和可编程输出电压的36 Gbps 4:1多路复用器,采用SMT封装

产品技术资料帮助

ADI公司所提供的资料均视为准确、可靠。但本公司不为用户在应用过程中侵犯任何专利权或第三方权利承担任何责任。技术指标的修改不再另行通知。本公司既没有含蓄的允许,也不允许借用ADI公司的专利或专利权的名义。本文出现的商标和注册商标所有权分别属于相应的公司。

Viewing:

概述

  • 支持高达36 Gbps的数据速率
  • 半速率时钟输入
  • ¼速率参考时钟输出
  • 快速上升和下降时间: 11/12 ps

  • 可编程差分输出电压摆幅: 250 - 900 mVp-p
  • 单电源: +3.3V
  • 32引脚5x5mm SMT封装: 25mm²

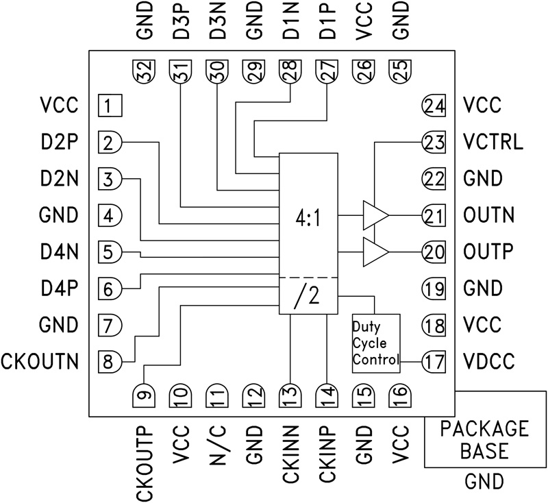
HMC847LC5是一款4:1多路复用器,设计用于45 Gbps数据串行应用。 多路复用器在输入时钟的转换点锁存四个差分输入。 该器件使用半速率时钟的上升沿和下降沿来串行传输数据。 片内生成1/4速率时钟输出,与HMC847LC5的数据输出同步。

HMC847LC5的所有时钟和数据输入/输出均采用CML并通过片内50 Ω端接至VCC,可采用直流或交流耦合。 HMC847LC5的输入和输出可采用差分或单端配置工作。 HMC847LC5还集成一个输出电平控制引脚VCTRL,可用于损耗补偿或信号电平优化。 VDCC引脚控制数据输出交叉点与占空比。 HMC847LC5采用+3.3V单电源供电,提供符合ROHS标准的5x5 mm SMT封装。

应用

  • SONET OC-768
  • RF ATE应用  
  • 宽带测试和测量
  • 串行数据传输高达36 Gbps
  • 高速DAC接口

HMC847

提供占空比控制和可编程输出电压的36 Gbps 4:1多路复用器,采用SMT封装

hmc847lc5_fbl
添加至 myAnalog

将产品添加到myAnalog 的现有项目或新项目中(接收通知)。

创建新项目
提问

参考资料

了解更多
添加至 myAnalog

Add media to the Resources section of myAnalog, to an existing project or to a new project.

创建新项目

评估套件

EVAL-HMC847LC5
HMC847LC5评估板

最新评论

需要发起讨论吗? 没有关于 HMC847的相关讨论?是否需要发起讨论?

在EngineerZone®上发起讨论

近期浏览