HMC6146B

推荐用于新设计

GaAs MMIC I/Q上变频器,40 - 44 GHz

产品技术资料帮助

ADI公司所提供的资料均视为准确、可靠。但本公司不为用户在应用过程中侵犯任何专利权或第三方权利承担任何责任。技术指标的修改不再另行通知。本公司既没有含蓄的允许,也不允许借用ADI公司的专利或专利权的名义。本文出现的商标和注册商标所有权分别属于相应的公司。

Viewing:

概述

  • 转换增益:12 dB
  • 边带抑制:25 dBc
  • 2LO至RF隔离:15 dB
  • 高输出IP3:+27 dBm
  • 16引脚5x5 mm陶瓷封装:25 mm²

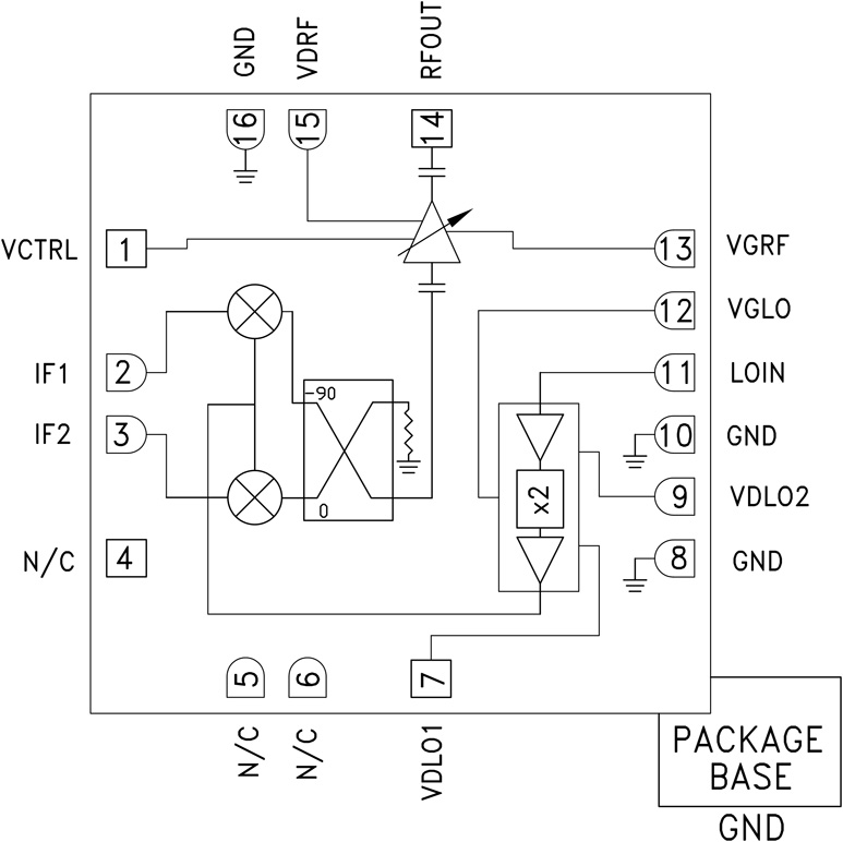
HMC6146BLC5A是一款紧凑型GaAs MMIC I/Q可变增益上变频器,采用无引脚RoHS兼容型SMT封装。 该器件提供12 dB小信号转换增益,具有25 dBc边带抑制和17 db增益控制。 HMC 6146BLC5A采用RF可变增益放大器,在其之前为一个I/Q混频器,LO由X2倍频器驱动。 提供IF1和IF2混频器输入,并且可通过外部90°混合选择所需边带。

I/Q混频器拓扑降低了针对干扰边带进行滤波的要求。 HMC6146BLC5A是一款更小巧、可以代替混合单边带上变频器的产品,支持表贴制造技术,无需线焊。

应用

  • 点对点与
    点对多点无线电
  • 军用雷达、EW与ELINT
  • 卫星通信
  • 传感器

 

 

HMC6146B
GaAs MMIC I/Q上变频器,40 - 44 GHz
HMC6146B Functional Block Diagram
添加至 myAnalog

将产品添加到myAnalog 的现有项目或新项目中(接收通知)。

创建新项目
提问

参考资料

数据手册 1

了解更多
添加至 myAnalog

Add media to the Resources section of myAnalog, to an existing project or to a new project.

创建新项目

软件资源

找不到您所需的软件或驱动?

申请驱动/软件

工具及仿真模型

ADIsimRF

ADIsimRF是一款简单易用的RF信号链计算工具。可以计算和导出多达50级的信号链级联增益、噪声、失真和功耗并绘制其曲线。ADIsimRF还包括丰富的ADI射频和混合信号元件的器件模型数据库。

打开工具

S-参数 1


评估套件

EVAL-HMC6146BLC5A
HMC6146BLC5A 评估板

最新评论

需要发起讨论吗? 没有关于 HMC6146B的相关讨论?是否需要发起讨论?

在EngineerZone®上发起讨论

近期浏览