Quantic X-Microwave

ADI RF和微波元件作为Quantic X-Microwave的插入式X-MWblocks®提供。

获取此器件的X-MWblock®插入式模块。

HMC584

推荐用于新设计

采用SMT封装的VCO,具有Fo/2,提供4分频,12.5 - 13.9 GHz

产品技术资料帮助

ADI公司所提供的资料均视为准确、可靠。但本公司不为用户在应用过程中侵犯任何专利权或第三方权利承担任何责任。技术指标的修改不再另行通知。本公司既没有含蓄的允许,也不允许借用ADI公司的专利或专利权的名义。本文出现的商标和注册商标所有权分别属于相应的公司。

Viewing:

概述

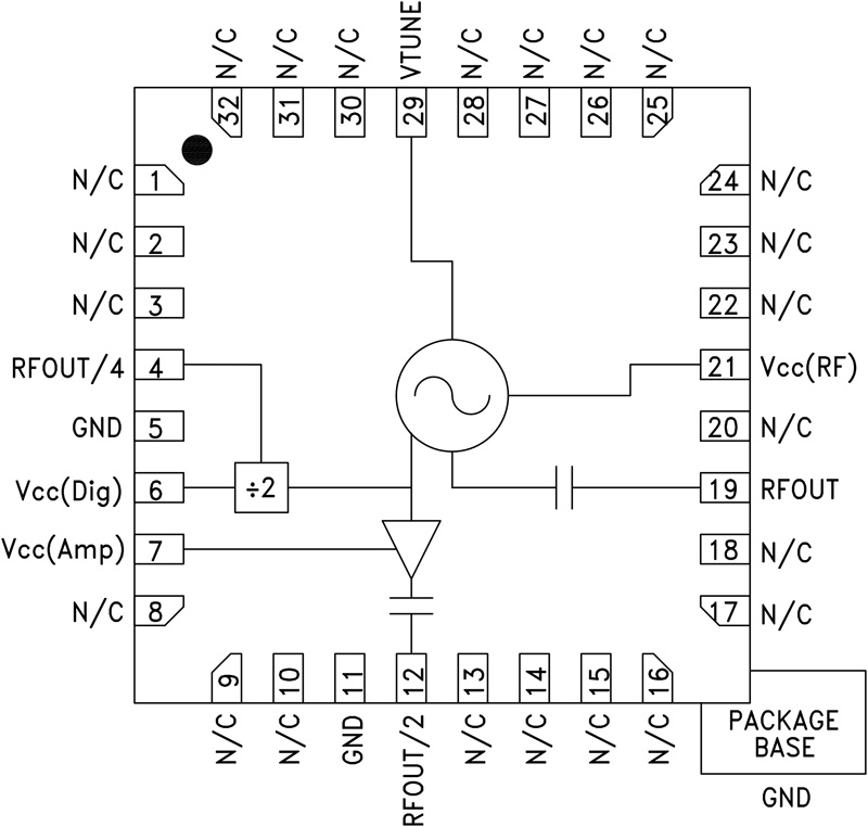
  • 双路输出: Fo = 12.5 - 13.9 GHz
    Fo/2 = 6.25 - 6.95 GHz
  • Pout: +10 dBm
  • 相位噪声: 典型值为-110 dBc/Hz(100 kHz)
  • 无需外部谐振器
  • QFN无引脚SMT封装,25 mm²

HMC584LP5(E)是一款GaAs InGaP异质结双极性晶体管(HBT) MMIC VCO。 HMC584LP5(E)集成了谐振器、负电阻器件和变容二极管,可输出半频,并提供4分频输出。 由于振荡器的单芯片结构,VCO的相位噪声性能在温度、冲击和工艺条件下均非常出色。 采用+5V电源电压时,输出功率为+10 dBm(典型值)。 如果不需要,可以禁用预分频器和RF/2功能以节省电流。 该电压控制振荡器采用无引脚QFN 5x5 mm表贴封装,无需外部匹配元件。

应用

  • 点对点/点对多点无线电
  • 测试设备和工业控制
  • 卫星通信
  • 军事最终用途

HMC584
采用SMT封装的VCO,具有Fo/2,提供4分频,12.5 - 13.9 GHz
HMC584 Functional Block Diagram
添加至 myAnalog

将产品添加到myAnalog 的现有项目或新项目中(接收通知)。

创建新项目
提问

参考资料

数据手册 1

了解更多
添加至 myAnalog

Add media to the Resources section of myAnalog, to an existing project or to a new project.

创建新项目

软件资源

找不到您所需的软件或驱动?

申请驱动/软件

工具及仿真模型

ADIsimPLL™

ADIsimPLL可以对ADI公司最新的高性能PLL产品进行快速、可靠的评估。它是目前最全面的PLL频率合成器设计和仿真工具,可实现所有对PLL性能有显著影响的重要非线性效应仿真。ADIsimPLL可以免去设计过程中的至少一项重复劳动,从而加快上市速度。

打开工具

评估套件

EVAL-HMC584LP5
HMC584LP5 评估板
HMC507 Evaluation Board HMC507 Evaluation Board - Top View HMC507 Evaluation Board - Bottom View

最新评论

需要发起讨论吗? 没有关于 HMC584的相关讨论?是否需要发起讨论?

在EngineerZone®上发起讨论

近期浏览