HMC1044

不推荐用于新设计

可编程谐波低通滤波器,1 - 3 GHz 3 dB带宽

产品技术资料帮助

ADI公司所提供的资料均视为准确、可靠。但本公司不为用户在应用过程中侵犯任何专利权或第三方权利承担任何责任。技术指标的修改不再另行通知。本公司既没有含蓄的允许,也不允许借用ADI公司的专利或专利权的名义。本文出现的商标和注册商标所有权分别属于相应的公司。

Viewing:

概述

  • 可编程带宽: 1至3 GHz
  • 兼容窄带和宽带: 集成VCO的PLL调制器解调器
  • LO谐波抑制: ~20 dB
  • 改善调制器/解调器边带/镜像抑制
  • 性能: 20 dB(典型值)
  • 单端或差分选项
  • 比目前的分立式固定带宽解决方案尺寸缩小90%
  • 16引脚3x3 mm SMT封装

HMC1044LP3E是一款针对所有采用正交调制器和/或解调器应用的可编程带宽LPF(低通滤波器)。 HMC1044LP3E可滤除LO谐波,从而确保LO对调制器边带抑制或解调器镜像抑制性能的贡献非常小或为零。

虽然HMC1044LP3E针对LO滤波应用,但它可用于滤除所有RF谐波,如放大器产生的谐波。

HMC1044LP3E提供16种可编程频段选择,针对频段范围为1至3 GHz的高低蜂窝频段进行优化,实现与集成VCO、宽带正交调制器和解调器的宽带PLL兼容的真正宽带器件。 它采用宽带多标准、多载波设计,可针对各种具体应用现场即时配置。

HMC1044LP3E采用紧凑型3x3 mm QFN无铅封装。

应用

  • 滤除LO谐波以降低调制器边带抑制和解调器镜像抑制
  • 放大器谐波滤波
  • RF滤波

HMC1044
可编程谐波低通滤波器,1 - 3 GHz 3 dB带宽
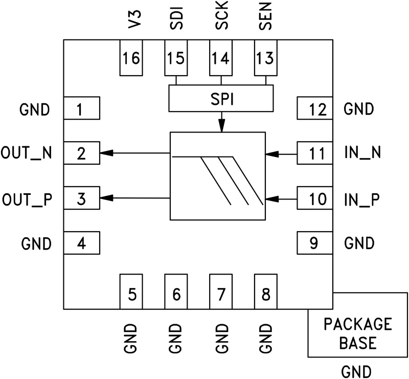
HMC1044 Functional Block Diagram
添加至 myAnalog

将产品添加到myAnalog 的现有项目或新项目中(接收通知)。

创建新项目
提问

参考资料

了解更多
添加至 myAnalog

Add media to the Resources section of myAnalog, to an existing project or to a new project.

创建新项目

软件资源

找不到您所需的软件或驱动?

申请驱动/软件

评估套件

EVAL-HMC1044LP3E
HMC1044LP3E 评估板

参考电路

Isolated and Nonisolated RS-485 Transceiver Simplified Schematic
CN0507 参考设计

完整的两端口矢量网络分析仪  

特性和优点

  • 完整的2端口矢量网络分析仪
  • 工作频率范围:1.7 GHz至3.4 GHz
  • 零中频系统架构
CN0507
完整的两端口矢量网络分析仪  
Isolated and Nonisolated RS-485 Transceiver Simplified Schematic
EVAL-CN0507-ARDZ Evaluation Board
EVAL-CN0507-ARDZ Evaluation Board - Top View
EVAL-CN0507-ARDZ Evaluation Board - Bottom View

最新评论

需要发起讨论吗? 没有关于 HMC1044的相关讨论?是否需要发起讨论?

在EngineerZone®上发起讨论

近期浏览