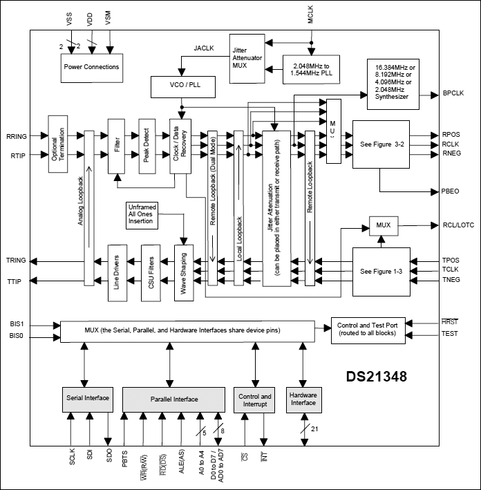
DS21348
不推荐用于新设计3.3V、E1/T1/J1线路接口
- 产品模型
- 4
概述
- 完整的E1、T1或J1线路接口单元(LIU)
- 支持远程和短程干线
- 75Ω/100Ω/120Ω内部软件可选接收侧端接
- 3.3V电源
- 32位或128位无晶体抖动衰减器对于E1和T1都仅需要2.048MHz的主时钟,并且可以选择为T1使用1.544MHz
- 为E1和DSX-1生成适当的线路补偿(带或不带回波损耗),以及为T1生成CSU线路补偿
- AMI、HDB3和B8ZS,编码/解码
- 16.384MHz、8.192MHz、4.096MHz或2.048MHz时钟输出合成为恢复时钟
- 接收器具有可编程监控模式
- 环回和PRBS模式生成/检测功能,针对接收错误提供输出
- 生成/检测带内循环代码,1至16位(包括CSU循环代码)
- 8位并行或串行接口,具有可选硬件模式
- 多路复用和非多路复用并行总线支持Intel或Motorola
- 检测/生成蓝色(AIS)警报
- 用于TX/RX数据I/O的NRZ/双极性接口
- 发射开路检测
- 接收载波丢失(RCL)指示(G.775)
- TTIP和TRING为高阻态
- 50mA (rms)限流器
DS21348是一款完整的可选E1或T1线路接口单元(LIU),适用于短程和远程应用。在整个数据手册中,只要是存在T1的地方,都用J1表示。接收灵敏度根据输入信号自动调整,对于E1应用可编程为0dB至12dB或0dB至43dB,对于T1应用可编程为0dB至30dB或0dB至36dB。该器件可以在75Ω或120Ω应用中生成必要的G.703 E1波形,并为T1应用生成0dB、-7.5dB、-15dB和-22.5dB的DSX-1线路补偿或CSU线路补偿。无晶体板载抖动衰减器对于E1和T1应用都仅需要2.048MHz MCLK(在T1应用中可以选择使用1.544MHz MCLK)。抖动衰减器FIFO的可选深度为32位或128位,并且可以放置在发射或接收数据路径中。合成到RCLK的X 2.048MHz输出时钟可用作背板系统时钟(其中n = 1、2、4或8)。
DS21348具有环回和PRBS模式生成/检测等诊断功能。可以生成和检测16位递增循环和递减循环代码。该器件可通过8位并行多路复用或非多路复用端口、串行端口进行控制,或在硬件模式下使用。该器件完全符合所有最新的E1和T1规范,包括ANSI T1.403-1999、ANSI T1.408、AT&T TR 62411、ITU G.703、G.704、G.706、G.736、G.775、G.823、I.431、O.151、O.161、ETSI ETS 300 166、JTG.703、JTI.431、JJ-20.1、TBR12、TBR13和CTR4。
参考资料
数据手册 2
可靠性数据 1
应用笔记 2
设计笔记 7
技术文章 3
ADI 始终高度重视提供符合最高质量和可靠性水平的产品。我们通过将质量和可靠性检查纳入产品和工艺设计的各个范围以及制造过程来实现这一目标。出货产品的“零缺陷”始终是我们的目标。查看我们的质量和可靠性计划和认证以了解更多信息。
| 产品型号 | 引脚/封装图-中文版 | 文档 | CAD 符号,脚注和 3D模型 |
|---|---|---|---|
| DS21348G+ | Chip-Scale Ball-Grid Array | ||
| DS21348GN+ | Chip-Scale Ball-Grid Array | ||
| DS21348T+ | Thin Quad Flatpack | ||
| DS21348TN+ | Thin Quad Flatpack |
| 产品型号 | 产品生命周期 | PCN |
|---|---|---|
|
11月 29, 2021 - 2218C ASSEMBLY |
||
| DS21348T+ | ||
| DS21348TN+ | ||
这是最新版本的数据手册
最新评论
需要发起讨论吗? 没有关于 DS21348的相关讨论?是否需要发起讨论?
在EngineerZone®上发起讨论