DS1831
多电源MicroMonitor™
- 产品模型
- 6
Viewing:
产品详情
- 5V上电复位
- 3.3 (或3V)上电复位
- 两个独立输出的基准比较器,用于监测其它电源
- 内部电源来自较高的IN5V电源输入或IN3.3V电源输入
- 尤其适合于设计多电源的供电系统
- 电源瞬变期间,复位输出有效
- 复位输入按钮,用于系统复位
- 10ms、100ms和1s的用户可配置复位保持时间
- 用于软件监测的看门狗定时器(DS1831A)
- 精密的温度补偿电压基准和电压检测
- 16引脚DIP封装和16引脚150mil的SO封装
- 工作温度范围-40°C至+85°C

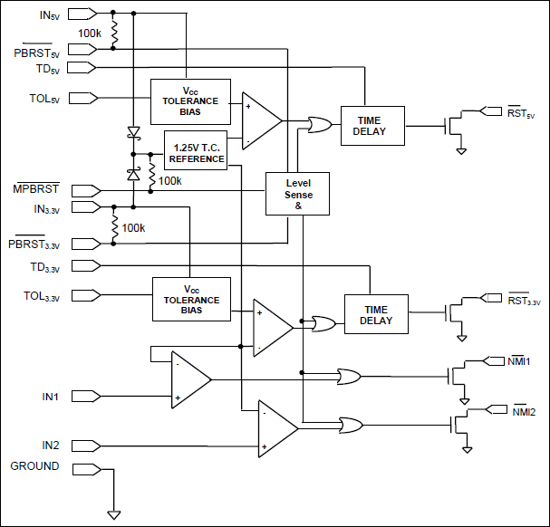
DS1831多电源微监控器和复位电路监测多达4个系统电压:5V电源,3.3V (或3V)电源,以及两个额外的用户可配置电压监测器。DS1831可从较高的3.3V或5V电源输入中获得内部工作电源。为了使器件工作,这些输入中至少有一路必须大于1V。提供按钮(手动复位)功能,分别用于5V和3.3V手动复位,或通过主按钮输入,使所有复位输出有效。DS1813A用一个看门狗取代了一个基准比较器和主按钮输入,DS1831B用最新复位状态输出取代了3.3V按钮复位输入。
TOL和TD输入引脚允许用户配置DS1831,以适应于多种应用。TOL输入引脚配置特定输出的电源容差值,TD输入引脚配置复位时间延时。
参考资料
数据手册 2
可靠性数据 1
技术文章 1
ADI 始终高度重视提供符合最高质量和可靠性水平的产品。我们通过将质量和可靠性检查纳入产品和工艺设计的各个范围以及制造过程来实现这一目标。出货产品的“零缺陷”始终是我们的目标。查看我们的质量和可靠性计划和认证以了解更多信息。
产品型号 | 引脚/封装图-中文版 | 文档 | CAD 符号,脚注和 3D模型 |
---|---|---|---|
DS1831AS+ | Small-Outline IC, Narrow (0.15in) | ||
DS1831AS+T&R | Small-Outline IC, Narrow (0.15in) | ||
DS1831BS+ | Small-Outline IC, Narrow (0.15in) | ||
DS1831BS+T&R | Small-Outline IC, Narrow (0.15in) | ||
DS1831S+ | Small-Outline IC, Narrow (0.15in) | ||
DS1831S+T&R | Small-Outline IC, Narrow (0.15in) |
产品型号 | 产品生命周期 | PCN |
---|---|---|
8月 18, 2021 - 1702RN ASSEMBLY |
||
DS1831AS+ | 量产 | |
DS1831BS+ | 量产 | |
DS1831S+ | 量产 | |
5月 22, 2018 - 1702N ASSEMBLY |
||
DS1831AS+ | 量产 | |
DS1831AS+T&R | 量产 |
这是最新版本的数据手册
软件资源
找不到您所需的软件或驱动?
申请驱动/软件最新评论
需要发起讨论吗? 没有关于 DS1831的相关讨论?是否需要发起讨论?
在EngineerZone®上发起讨论