ADUM1280

量产

3kV rms、默认输出高电平、双通道数字隔离器(2/0通道方向性)

产品技术资料帮助

ADI公司所提供的资料均视为准确、可靠。但本公司不为用户在应用过程中侵犯任何专利权或第三方权利承担任何责任。技术指标的修改不再另行通知。本公司既没有含蓄的允许,也不允许借用ADI公司的专利或专利权的名义。本文出现的商标和注册商标所有权分别属于相应的公司。

Viewing:

概述

  • 数据速率最高可达100 Mbps (NRZ)
  • 低传播延迟:23 ns(典型值)
  • 低动态功耗
  • 双向通信
  • 3.3 V至5 V电平转换
  • 工作温度最高可达:125°C
  • 高共模瞬变抗扰度:>25 kV/μs
  • 默认输出高电平:ADuM1280/ADuM1281
  • 默认输出低电平:ADuM1285/ADuM1286
  • 8引脚窄体SOIC封装,符合RoHS标准
  • 安全和法规认证
    • UL认证:1分钟3000 V rms,符合UL 1577
    • CSA元件验收通知5A
    • VDE合规证书
      • DIN V VDE V 0884-10 (VDE V 0884-10):2006-12
  • VIORM = 560 V峰值
  • 通过汽车应用认证

ADuM1280/ADuM1281/ADuM1285/ADuM1286均为采用ADI公司iCoupler®技术的双通道数字隔离器。这些隔离器件将高速CMOS与单芯片空芯变压器技术融为一体,具有优于光耦合器件和其它集成式耦合器等替代器件的出色性能特征。

这些器件的传播延迟为23 ns,C级脉冲宽度失真小于2 ns。C级还具有5 ns的严格通道间匹配。ADuM1280/ADuM1281/ADuM1285/ADuM1286提供两个独立的隔离通道,支持两种通道配置和三种不同的数据速率,最高速率可达100 Mbps(请参考“订购指南”)。工业级和汽车级型号均可采用任一侧的3.135 V至5.5 V电源电压工作,与低压系统兼容,并且能够跨越隔离栅实现电压转换功能。与其它光耦合器不同,ADuM1280/ADuM1281/ADuM1285/ADuM1286隔离器具有已取得专利的刷新特性,可确保不存在输入逻辑转换时的直流正确性。首次上电或尚未在输入端施加电源时,ADuM1280和ADuM1281默认输出高电平,ADuM1285和ADuM1286则默认输出低电平。

有关安全和法规认证的更多信息,请访问www.analog.com/iCouplersafety

应用

  • 通用多通道隔离
  • 数据转换器隔离
  • 工业现场总线隔离
  • 混合动力汽车、电池监控器和电机驱动

ADUM1280
3kV rms、默认输出高电平、双通道数字隔离器(2/0通道方向性)
ADuM1280/ADuM1285 Functional Block Diagram ADuM1280/ADuM1285 Pin Configuration
添加至 myAnalog

将产品添加到myAnalog 的现有项目或新项目中(接收通知)。

创建新项目
提问

参考资料

了解更多
添加至 myAnalog

Add media to the Resources section of myAnalog, to an existing project or to a new project.

创建新项目

硬件生态系统

部分模型 产品周期 描述
ADUM320N 推荐用于新设计 5.7 kV RMS/3.0 kV RMS双通道数字隔离器
Modal heading
添加至 myAnalog

将产品添加到myAnalog 的现有项目或新项目中(接收通知)。

创建新项目

工具及仿真模型

ADuM1280 IBIS Models 1


评估套件

eval board
EVAL-1CH2CHEBZ

针对单通道和双通道标准数据隔离器的评估板,采用8引脚SOIC封装

特性和优点

  • 可访问所有2个数据通道
  • 多个连接选项
  • 支持Tektronix有源探头
  • 提供电缆端接
  • 支持PCB边缘安装型同轴连接器
  • 轻松配置
  • iCoupler数字隔离器样片需要单独订购:

支持的 iCoupler型号
ADuM110N0BRZ / ADuM110N1BRZ
ADuM120N0BRZ / ADuM120N1BRZ
ADuM121N0BRZ / ADuM121N1BRZ
ADuM210N0BRIZ / ADuM210N1BRIZ
ADuM225N0BRIZ / ADuM225N1BRIZ
ADuM226N0BRIZ / ADuM226N1BRIZ
ADuM7240ARZ / ADuM7240CRZ
ADuM7241ARZ / ADuM7241CRZ
ADuM1200AR / ADuM1200ARZ
ADuM1200BR / ADuM1200BRZ
ADuM1200CR / ADuM1200CRZ
ADuM1200WSRZ / ADuM1200WTRZ
ADuM1200WURZ
ADuM1201AR / ADuM1201ARZ
ADuM1201BR / ADuM1201BRZ
ADuM1201CR / ADuM1201CRZ
ADuM1210BRZ
ADuM3200ARZ / ADuM3200BRZ
ADuM3200CRZ / ADuM3200WARZ
ADuM3200WBRZ / ADuM3200WCRZ
ADuM3201ARZ / ADuM3201BRZ
ADuM3201CRZ / ADuM3201WARZ
ADuM3201WBRZ / ADuM3201WCRZ
ADuM3210ARZ / ADuM3210BRZ
ADuM3210TRZ / ADuM3210WARZ
ADuM3210WBRZ / ADuM3210WCRZ
ADuM3211ARZ / ADuM3211BRZ
ADuM3211TRZ /ADuM3211WARZ
ADuM3211WBRZ / ADuM3211WCRZ
ADuM1280ARZ / ADuM1280BRZ
ADuM1280CRZ / ADuM1280WARZ
ADuM1280WBRZ / ADuM1280WCRZ
ADuM1281ARZ / ADuM1281BRZ
ADuM1281CRZ / ADuM1281WARZ
ADuM1281WBRZ / ADuM1281WCRZ


产品详情

EVAL-1CH2CHSOICEBZ支持单通道和双通道标准数据隔离器,采用8引脚SOIC封装。该评估板提供JEDEC标准8引脚SOIC_N和SOIC_W焊盘布局。该评估板支持信号分配、回送和以VDDx或GNDx为参考的负载,以及最优旁路电容。信号源可通过接头引脚或边缘安装SMA连接器(电路板不提供)传导至电路板。还提供端子板,以便进行电源连接。电路板集成200密耳接头位置,可兼容Tektronix有源探头(电路板不提供)。


该板遵循印刷电路板(PCB)的4层板设计实践,隔离栅两侧分别集成全电源和接地层。该板没有其他EMI或削减噪声的设计特性。在极高的工作速度下,或者需要超低辐射时,请参考AN-1109 应用笔记,了解其他电路板布局技巧。



EVAL-1CH2CHEBZ
针对单通道和双通道标准数据隔离器的评估板,采用8引脚SOIC封装
EVAL-1CH2CHSOICEBZ (angle 1) EVAL-1CH2CHSOICEBZ (angle 2) EVAL-1CH2CHSOICEBZ (top) EVAL-1CH2CHSOICEBZ (bottom)

参考电路

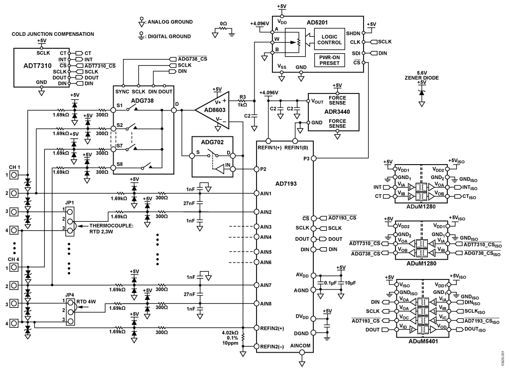
CN0287 参考设计

具有0.5°C精度的隔离式4通道热电偶/RTD温度测量系统

特性和优点

  • 4 通道热电偶/RTD 测量
  • 完全隔离
  • 输入保护
CN0287
具有0.5°C精度的隔离式4通道热电偶/RTD温度测量系统

最新评论

需要发起讨论吗? 没有关于 ADUM1280的相关讨论?是否需要发起讨论?

在EngineerZone®上发起讨论

近期浏览