ADM8642

量产

具有禁用输入和低电平阈值电压的超低功耗电压检测器

产品技术资料帮助

ADI公司所提供的资料均视为准确、可靠。但本公司不为用户在应用过程中侵犯任何专利权或第三方权利承担任何责任。技术指标的修改不再另行通知。本公司既没有含蓄的允许,也不允许借用ADI公司的专利或专利权的名义。本文出现的商标和注册商标所有权分别属于相应的公司。

Viewing:

概述

  • 超低功耗:ICC = 92 nA(典型值)
  • 精密低压监控
  • 预调整监控阈值选项
    • ADM8642在0.5 V至1.9 V范围内具有20种选项
  • 阈值精度:±1.3%(整个温度范围内)
  • 输出禁用输入
  • 23 μs至26 μs典型传播延迟
  • 开漏类输出
  • 电源毛刺抑制
  • 采用1.46 mm x 0.96 mm WLCSP封装
  • 工作温度范围:-40℃至+85℃

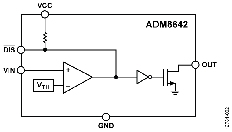
ADM8641 和 ADM8642 均为适合一般应用的简单电压检测器。超低功耗使这些器件适合对电源效率敏感的系统,例如电池供电的便携式设备和电表。

由于具有整个工作温度范围内0.5 V至4.63 V的工厂预设检测阈值和±1.2%的精度,使得器件能够通过直接接触精确监控目标节点。利用DIS输入,无论输入处于何种状态,用户都可以让输出保持低电平。并非所有的器件选项均作为标准型号发布销售。完整信息请参见“订购指南”部分。

ADM8641监控VCC引脚上的电压。ADM8642上的单独电源引脚使其具有低至0.5 V的较低检测阈值。

ADM8641和ADM8642采用6引脚、1.46 mm × 0.96 mm WLCSP封装。这些器件的额定温度范围为−40°C至+85°C。

应用

  • 便携式/电池供电设备
  • 微处理器系统
  • 电能计量
  • 能量采集

ADM8642
具有禁用输入和低电平阈值电压的超低功耗电压检测器
ADM8642 Functional Block Diagram ADM8642 Pin Diagram
添加至 myAnalog

将产品添加到myAnalog 的现有项目或新项目中(接收通知)。

创建新项目
提问

参考资料

了解更多
添加至 myAnalog

Add media to the Resources section of myAnalog, to an existing project or to a new project.

创建新项目

软件资源

找不到您所需的软件或驱动?

申请驱动/软件

评估套件

eval board
ADM8641-EVALZ/ADM8642-EVALZ

超低功耗电压检波器 ADM8641 和 ADM8642 的评估板

特性和优点

  • 板载 ADM8641 电压检波器,内部阈值 2.63 V,ADM8641-EVALZ 的精度为 ±1.3%
  • 板载 ADM8642 电压检波器,内部阈值 1 V,ADM8641-EVALZ 的精度为 ±1.6%
  • 用于使用 ADM8642-EVALZ 进行低压监控的独立电源引脚 (VCC) 和输入引脚 (INPUT)
  • 内置轻触开关以覆盖输入条件
  • 内置 LED 用于输出监控

产品详情

ADM8641-EVALZ/ADM8642-EVALZ 对 ADM8641/ADM8642 超低功耗电压检波器进行评估,其预微调电压监控阈值分别为 2.63 V 和 1V。对于 ADM8641-EVALZ 和 ADM8642-EVALZ,这些阈值分别精确到 ±1.3% 和 ±1.6%。

ADM8641-EVALZ VCC 引脚可用于监控外部电压的电平。用户可以在 ADM8642-EVALZ VCC_SEL 引脚上外接跳线,以实现对此 ADM8642-EVALZ VCC 引脚的监控。用户还可以为 ADM8642-EVALZ INPUT 引脚使用独立电源,以实现低压监控。

ADM8641-EVALZ/ADM8642-EVALZ 有一个 OUT 引脚,可以通过按下内置的轻触开关而保持低电平,而不受监控的外部电压状态影响,该开关将 ADM8641/ADM8642 DIS 引脚接地。ADM8641-EVALZ/ADM8642-EVALZ OUT 引脚处内置一个发光二极管 (LED),以根据所监控的外部电压电平来检测引脚状态。

有关 ADM8641/ADM8642 的完整详细信息,请参阅 ADM8641/ADM8642 数据手册,在使用 ADM8641-EVALZ/ADM8642-EVALZ 时,必须同时参阅该数据手册和本用户指南。

ADM8641-EVALZ/ADM8642-EVALZ
超低功耗电压检波器 ADM8641 和 ADM8642 的评估板
ADM8641 Evaluation Board ADM8641 Evaluation Board ADM8641 Evaluation Board ADM8642 Evaluation Board ADM8642 Evaluation Board ADM8642 Evaluation Board

最新评论

需要发起讨论吗? 没有关于 ADM8642的相关讨论?是否需要发起讨论?

在EngineerZone®上发起讨论

近期浏览