ADD5211
不推荐用于新设计适合LCD背光应用的4串白光LED驱动器
- 产品模型
- 2
Viewing:
概述
- 基于感性升压控制器的白光LED驱动器
- 宽输入电压范围: 4.5 V至40 V
- 自适应输出电压,最大程度地降低功耗
- 可调节工作频率: 200 kHz至1.2 MHz
- 可编程UVLO
- 升压转换器的可编程软启动时间
- 可编程外部MOSFET开关上升/下降时间
- 通过内部MOSFET最多驱动4个LED电流吸收器
- 内置PWM输入的亮度控制
- 可调LED电流:40 mA至200 mA
- 通过裕量控制实现高效率
- LED调光频率:高达25 kHz
- 300 Hz时可进行1000:1 PWM调光
- 开漏故障指示器
- LED开路和LED短路保护
- 热关断
- 欠压闭锁(UVLO)
- 24引脚、4 mm × 4 mm LFCSP 封装
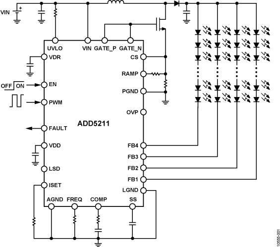
ADD5211是一款基于高效率、电流模式、升压转换器技术的四串白光LED驱动器,适合背光应用。 升压控制器以4.5 V至40 V的输入电压以及介于200 kHz和1.2 MHz之间的引脚可调节工作频率,驱动外部MOSFET开关,以便执行升压调节。 采用可调节的UVLO功能,以降低关断时的输入电流。
ADD5211内置四个经过调节的电流吸收器,可实现均匀的亮度。 每个电流吸收器的输出电流可从40 mA驱动至高达200 mA,并且LED驱动电流可由外部电阻通过引脚进行调整。 ADD5211集成输入PWM接口,最多能驱动四个并联LED串,各串由多个LED串联在一起。
其它特性包括LED短路保护、LED开路保护、升压输出短路保护、过压保护、逐周期限流和针对IC以及LED阵列的热关断。 另外还集成开漏故障输出。 可编程软启动用于降低启动时的浪涌电流。
应用- LCD监视器和电视LED背光
- 工业照明
参考资料
ADI 始终高度重视提供符合最高质量和可靠性水平的产品。我们通过将质量和可靠性检查纳入产品和工艺设计的各个范围以及制造过程来实现这一目标。出货产品的“零缺陷”始终是我们的目标。查看我们的质量和可靠性计划和认证以了解更多信息。
| 产品型号 | 引脚/封装图-中文版 | 文档 | CAD 符号,脚注和 3D模型 |
|---|---|---|---|
| ADD5211ACPZ-R7 | 24-Lead LFCSP (4mm x 4mm w/ EP) | ||
| ADD5211ACPZ-RL | 24-Lead LFCSP (4mm x 4mm w/ EP) |
| 产品型号 | 产品生命周期 | PCN |
|---|---|---|
|
2月 6, 2017 - 16_0234 Assembly Transfer to ASE Korea and Test Transfer to STATS ChipPAC Singapore of Select LFCSP Parts. |
||
| ADD5211ACPZ-R7 | 过期 | |
| ADD5211ACPZ-RL | 过期 | |
|
8月 6, 2014 - 13_0230 Assembly and Test Transfer of Select 3.5x3.5, 4x3, 4x4, and 5x5mm LFCSP Products to STATS ChipPAC China |
||
| ADD5211ACPZ-R7 | 过期 | |
| ADD5211ACPZ-RL | 过期 | |
|
2月 6, 2024 - 24_0005 Discontinuance of ADD5211 |
||
| ADD5211ACPZ-R7 | 过期 | |
| ADD5211ACPZ-RL | 过期 | |
这是最新版本的数据手册
软件资源
找不到您所需的软件或驱动?
申请驱动/软件硬件生态系统
| 部分模型 | 产品周期 | 描述 |
|---|---|---|
| LT3599 | 推荐用于新设计 | 具 ±1.5% 电流匹配准确度的四串 120mA LED 驱动器 |