AD9238
量产双核12位、20/40/65 MSPS、ADC
- 产品模型
 - 11
 
概述
- 集成式双核12位模数转换器
 - 3 V单电源供电(2.7 V至3.6 V)
 - 信噪比(SNR) = 70 dBc(至Nyquist频率,AD9238-65)
 - 无杂散动态范围(SFDR) = 80.5 dBc(至Nyquist频率,AD9238-65)
 - 低功耗:300 mW/通道(65 MSPS)
 - 差分输入、500 MHz 3dB带宽
 
- 卓越的串扰抗扰度>85 dB
 - 灵活的模拟输入范围:1 Vp-p至2 Vp-p
 - 数据格式:偏移二进制或二进制补码
 - 时钟占空比稳定器
 - 输出数据复用器选项
 
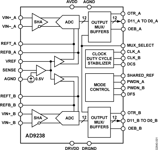
AD9238是一款双核、3 V、12位、20/40/65 MSPS模数转换器(ADC),集成了两个高性能采样保持放大器和一个基准电压源。它采用多级差分流水线架构,内置输出纠错逻辑,在最高65 MSPS数据速率时可提供12位精度,并保证在整个工作温度范围内无失码。
利用宽带宽、差分采样保持放大器(SHA),用户可以选择包括单端应用在内的各种输入范围和偏移。该器件适用于各种应用,包括在连续通道中切换满量程电平的多路复用系统,以及采用远超过Nyquist速率的频率对输入进行采样。AD9238适用于通信、成像和医疗超声等应用。
采用双单端独立时钟输入来控制所有内部转换周期。AD9238-65提供一个占空比稳定器(DCS),可用来补偿较大的时钟占空比波动,使转换器保持出色的性能。数字输出数据格式为标准二进制或二进制补码。超量程信号表示溢出状况,可由最高有效位来确定是下溢还是上溢。
AD9238采用先进的CMOS工艺制造,提供节省空间的64引脚LQFP或64引脚LF-CSP封装,额定温度范围为-40°C至+85°C工业温度范围。
产品特色
- 引脚与AD9248兼容,14位20MSPS/40 MSPS/65 MSPS ADC。
 - 20 MSPS、40 MSPS和65 MSPS的速度等级选项允许在功率、成本和性能之间实现灵活性,以适应应用。
 - 低功耗:AD9238-65:65 MSPS=600 mW,AD9238-40:40 MSPS=330 mW,以及AD9238-20:20 MSPS=180 mW。
 - fIN = 10 MHz时85 dB的典型信道隔离。
 - 时钟占空比稳定器(AD9238-20/AD9238-40/AD9238-65)可在大范围的时钟占空比内保持性能。
 - 多路复用数据输出选项允许从数据端口A或数据端口B进行单端口操作。
 
应用
- 超声波设备
 - 直接转换或中频采样接收机
    
- WB-CDMA、CDMA2000、WiMAX
 
 - 电池供电仪表
 - 手持式示波器
 - 低成本数字示波器
 
参考资料
数据手册 1
应用笔记 17
技术文章 4
评估设计文件 3
ADI 始终高度重视提供符合最高质量和可靠性水平的产品。我们通过将质量和可靠性检查纳入产品和工艺设计的各个范围以及制造过程来实现这一目标。出货产品的“零缺陷”始终是我们的目标。查看我们的质量和可靠性计划和认证以了解更多信息。
| 产品型号 | 引脚/封装图-中文版 | 文档 | CAD 符号,脚注和 3D模型 | 
|---|---|---|---|
| AD9238BCPZ-20 | 64 ld LFCSP (9x9mm, 4.70mm exposed pad) | ||
| AD9238BCPZ-40 | 64 ld LFCSP (9x9mm, 4.70mm exposed pad) | ||
| AD9238BCPZ-65 | 64 ld LFCSP (9x9mm, 4.70mm exposed pad) | ||
| AD9238BCPZRL-40 | 64 ld LFCSP (9x9mm, 4.70mm exposed pad) | ||
| AD9238BCPZRL-65 | 64 ld LFCSP (9x9mm, 4.70mm exposed pad) | ||
| AD9238BSTZ-20 | 64-Lead LQFP (7mm x 7mm) | ||
| AD9238BSTZ-40 | 64-Lead LQFP (7mm x 7mm) | ||
| AD9238BSTZ-65 | 64-Lead LQFP (7mm x 7mm) | ||
| AD9238BSTZRL-20 | 64-Lead LQFP (7mm x 7mm) | ||
| AD9238BSTZRL-40 | 64-Lead LQFP (7mm x 7mm) | ||
| AD9238BSTZRL-65 | 64-Lead LQFP (7mm x 7mm) | 
| 产品型号 | 产品生命周期 | PCN | 
|---|---|---|
| 
                                                            6月 9, 2021 - 20_0126 Conversion of Select Sizes LFCSP Products from Punched to Sawn and Transfer of Assembly Site to ASE Korea  | 
                                                    ||
| AD9238BCPZ-20 | 量产 | |
| AD9238BCPZ-40 | 量产 | |
| AD9238BCPZ-65 | 量产 | |
| AD9238BCPZRL-40 | 量产 | |
| AD9238BCPZRL-65 | 量产 | |
| 
                                                            8月 4, 2009 - 09_0098 Assembly Site Transfer of 64L 7x7 LQFP Package from Carsem, Malaysia to Amkor Technology Korea.  | 
                                                    ||
| AD9238BSTZ-20 | 量产 | |
| AD9238BSTZ-40 | 量产 | |
| AD9238BSTZ-65 | 量产 | |
| AD9238BSTZRL-20 | 量产 | |
| AD9238BSTZRL-40 | 量产 | |
| AD9238BSTZRL-65 | 量产 | |
| 
                                                            6月 16, 2009 - 09_0027 Conversion to Laser Mark for the LQFP Packages (Single Grades)  | 
                                                    ||
| AD9238BSTZ-20 | 量产 | |
| AD9238BSTZ-40 | 量产 | |
| AD9238BSTZ-65 | 量产 | |
| AD9238BSTZRL-20 | 量产 | |
| AD9238BSTZRL-40 | 量产 | |
| AD9238BSTZRL-65 | 量产 | |
这是最新版本的数据手册
软件资源
找不到您所需的软件或驱动?
申请驱动/软件硬件生态系统
| 部分模型 | 产品周期 | 描述 | 
|---|---|---|
| 差分放大器 3 | ||
| AD8352 | 推荐用于新设计 | 2 GHz超低失真差分射频/中频放大器 | 
| AD8138 | 量产 | 低失真差分ADC驱动器 | 
| ADA4932-1 | 推荐用于新设计 | 低功耗差分ADC驱动器 | 
| 基准电压源 1 | ||
| ADR130 | 量产 | 精密串联模式亚带隙基准电压源 | 
| 时钟IC 6 | ||
| AD9510 | 推荐用于新设计 | 1.2 GHz时钟分配IC,PLL内核,分频器,延迟调整,8路输出 | 
| AD9511 | 推荐用于新设计 | 1.2 GHz时钟分配IC,PLL内核,分频器,延迟调整,5路输出 | 
| AD9512 | 推荐用于新设计 | 1.2 GHz时钟分配IC、2路1.6 GHz输入、分频器、延迟调整、5路输出 | 
| AD9513 | 推荐用于新设计 | 800 MHz时钟分配IC,分频器,延迟调整,三路输出 | 
| AD9514 | 推荐用于新设计 | 1.6 GHz时钟分配IC、分频器、延迟调整、3路输出 | 
| AD9515 | 推荐用于新设计 | 1.6 GHz时钟分配IC,分频器,延迟调整,两路输出 | 
工具及仿真模型
Virtual Eval - BETA
Virtual Eval是一款网络应用程序,可帮助设计人员评估ADC和DAC产品。 利用ADI公司服务器上的详细模型,Virtual Eval在几秒内可仿真关键部件的性能特征。 对工作条件(如输入音和外部抖动)以及器件特性(如增益或数字下变频)进行配置。 性能特征包括噪声、失真和分辨率、FFT、时序图、频率响应图等。
打开工具AD9238 IBIS Models 1
Visual Analog
对于正在选择或评估高速ADC的设计工程师,VisualAnalog™是一个将一组功能强大的仿真和数据分析工具与一个用户友好的图形界面集成在一起的软件包。
打开工具