MAX33048E

推荐用于新设计

具有 ±40kV ESD 保护的 20Mbps 全双工 RS-485/RS-422 收发器

产品技术资料帮助

ADI公司所提供的资料均视为准确、可靠。但本公司不为用户在应用过程中侵犯任何专利权或第三方权利承担任何责任。技术指标的修改不再另行通知。本公司既没有含蓄的允许,也不允许借用ADI公司的专利或专利权的名义。本文出现的商标和注册商标所有权分别属于相应的公司。

Viewing:

概述

  • 集成保护功能提高了稳健性
    • 驱动器输出/接收器输入具有 ±25V 故障保护范围
    • 高 ESD 保护
      • ±40kV HBM ESD,符合 JEDEC JS-001
      • ±15kV 气隙 ESD,符合 IEC 61000-4-2
      • ±10kV 接触 ESD,符合 IEC 61000-4-2
    • 短路保护输出
    • 真正的故障安全接收器可在发生接收器输入短路或开路事件时防止错误转换
    • 热交换功能消除了上电或热插入期间的误转换
  • 高达 20Mbps 的高速数据速率
  • -40°C 至 +125°C 的宽工作温度范围
  • 在总线上启用多达 256 个节点
  • 易于设计的 3.3V 或 5V 电源轨

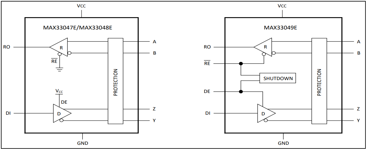
MAX33047E-49E 是全双工 RS-485/422 收发器系列,在 3.3V 或 5V 电源轨上工作,易于设计。这些套件为恶劣电气环境中使用的应用提供了增强保护。所有驱动器输出和接收器输入都受到高故障保护和高静电放电 (ESD) 保护。

A/B 数据线具有高达 ±25V 的故障保护,用于本地电源意外短路和 ±40kV ESD 人体模型 (HBM) 保护。根据 IEC 610004-2,它们还具有高达 ±15kV 气隙放电和 ±10kV 接触放电的额定值。这两个特性确保在恶劣的工业环境中提供强大的保护。驱动器具有短路限流功能,并且通过热关断电路将驱动器输出置于高阻抗状态,以防止功耗过大。接收器输入具有真正的故障安全特性,可在两个输入都开路或短路时保证逻辑高电平输出。

这些套件采用 8 引脚和 14 引脚小型集成电路 (SOIC) 封装,工作温度范围为 -40°C 至 +125°C。

应用

  • 可编程逻辑控制器 (PLC)
  • 工厂自动化设备
  • 工业

MAX33048E
具有 ±40kV ESD 保护的 20Mbps 全双工 RS-485/RS-422 收发器
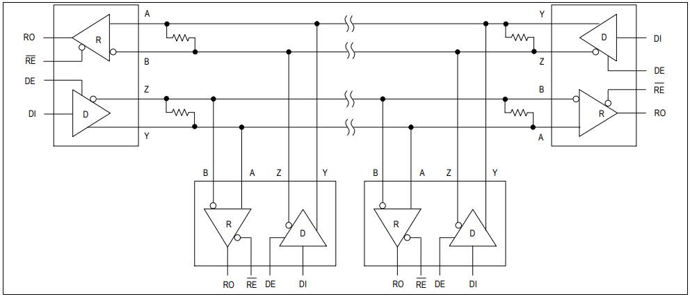
MAX33048E Simplified Block Diagram MAX33048E Typical Application Circuits MAX33048E Pin Configuration
添加至 myAnalog

将产品添加到myAnalog 的现有项目或新项目中(接收通知)。

创建新项目
提问

参考资料

了解更多
添加至 myAnalog

Add media to the Resources section of myAnalog, to an existing project or to a new project.

创建新项目

工具及仿真模型


评估套件

eval board
MAX33048ESHLD

MAX33048E Shield 评估套件

特性和优点

  • 轻松评估 MAX33048E
  • I/O 接口兼容性(1.71V 至 5.5V)
  • 经过验证的 PCB 布局
  • 兼容 Arduino®/Arm® Mbed 平台
  • 全面装配且经过测试

产品详情

MAX33048E 扩展板评估套件(EV 套件)是装配完善且经过测试的印刷电路板 (PCB),可演示 MAX33048E 的功能。MAX33048E 是一款 20Mbps 全双工 RS-485 收发器,具有 ±25V 故障保护,扩展 -7V 至 +12V 共模范围,以及 A/B 和 Y/Z 数据线的 ±40kV ESD 人体模型 (HBM)。该屏蔽体具有数字隔离器,用作 RS-485 收发器和控制器接口之间的电平转换器。

eval board
MAX33047EEVKIT

评估:MAX33047E/MAX33048E

特性和优点

  • 轻松评估 MAX33047E/MAX33048E
  • 通过螺丝接线板进行电源连接/接地
  • 用于 RS-485 信号的螺丝接线端子
  • 测量所有信号的测试点
  • 经过验证的 PCB 布局
  • 全面装配且经过测试

产品详情

MAX33047E 评估套件是完全组装且经过测试的电路板,用于演示 MAX33047E/MAX33048E 的功能。这些设备是全双工 RS-485/RS-422 收发器,具有针对 A/B 和 Y/Z 数据线的 ±25V 故障保护和 ±40kV 人体模型 (HBM) ESD 保护。MAX33047E 支持高达 500kbps 的数据速率,而 MAX33048E 支持高达 20Mbps 的数据速率。

评估板包括安装在 8 引脚 SOIC 封装上的 MAX33047E,也可用于评估 MAX33048E。

MAX33048ESHLD
MAX33048E Shield 评估套件
MAX33048E Shield EV Kit MAX33048E Shield EV Kit - Top View MAX33048E Shield EV Kit - Bottom View
MAX33047EEVKIT
评估:MAX33047E/MAX33048E
MAX33048EEVKIT Board Photo Angle View MAX33048EEVKIT Board Photo Top View MAX33048EEVKIT Board Photo Bottom View

最新评论

近期浏览