HMC860

最后购买期限

四通道、低噪声、高PSRR线性稳压器

产品技术资料帮助

ADI公司所提供的资料均视为准确、可靠。但本公司不为用户在应用过程中侵犯任何专利权或第三方权利承担任何责任。技术指标的修改不再另行通知。本公司既没有含蓄的允许,也不允许借用ADI公司的专利或专利权的名义。本文出现的商标和注册商标所有权分别属于相应的公司。

Viewing:

概述

  • 超低噪声:
    3nV/√Hz (10 kHz)
    7nV/√Hz (1 kHz)
  • 高电源抑制比(PSRR) 80 dB (1 kHz),60 dB (1 MHz)
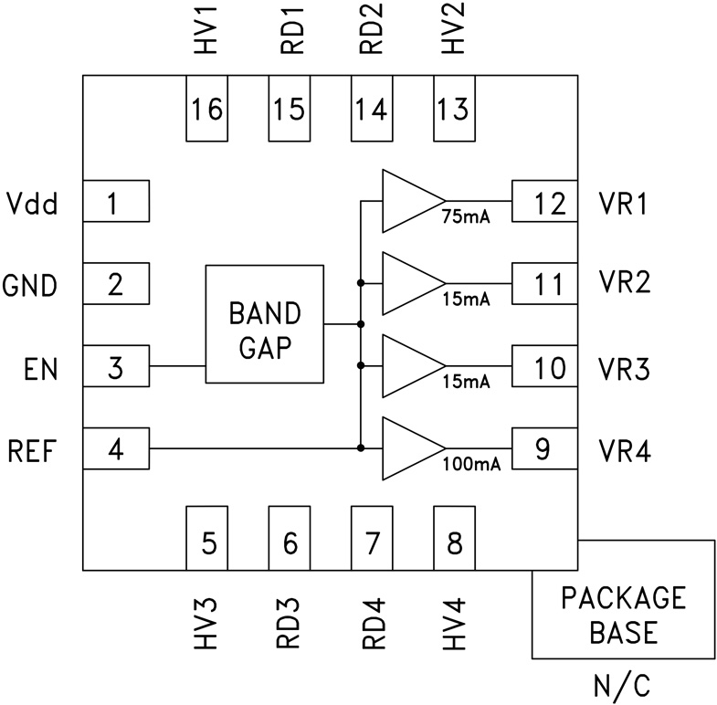
  • 四个电压输出:
    VR1(3V / 80 mA VR2)
    VR3(3V / 20 mA)
    VR4(4.5V / 120 mA)
  • 可调输出: 2.5V至5.2V
  • 低掉电电流: <1 μA
  • 16引脚3x3mm SMT封装: 9mm²

HMC860LP3E是一款BiCMOS超低噪声四通道输出稳压器。 该器件集成低噪声带隙基准电压源并外部去耦,以获得较佳的带内噪声性能。 0.1 MHz至10 MHz范围内具有高电源抑制比(PSRR),提供针对前置开关稳压器噪声的出色抑制性能。 四个电压输出适合用于频率生成子系统,包括Hittite丰富的集成VCO的PLL系列。 每一个输出电压都可通过一个外部电阻调节为高于或低于默认值。

将相应的HV引脚接地,即可将每一个输出设为5 V。 采用TTL兼容型使能输入可关断稳压器。 HMC860LP3E采用3x3mm QFN SMT封装。

应用

  • 测试仪器仪表
  • 军用无线电、雷达和ECM
  • 基站基础设施
  • 超低噪声频率生成
  • 小数N分频频率合成器电源
  • 混合信号电路电源

HMC860
四通道、低噪声、高PSRR线性稳压器
HMC860 Functional Block Diagram
添加至 myAnalog

将产品添加到myAnalog 的现有项目或新项目中(接收通知)。

创建新项目
提问

参考资料

数据手册 1

技术文章 1

了解更多
添加至 myAnalog

Add media to the Resources section of myAnalog, to an existing project or to a new project.

创建新项目

软件资源

找不到您所需的软件或驱动?

申请驱动/软件

硬件生态系统

部分模型 产品周期 描述
LT3045 推荐用于新设计 20V、500mA、超低噪声、超高 PSRR 线性稳压器
LT3042 推荐用于新设计 20V、200mA、超低噪声、超高 PSRR RF 线性稳压器
Modal heading
添加至 myAnalog

将产品添加到myAnalog 的现有项目或新项目中(接收通知)。

创建新项目

评估套件

EVAL-HMC860LP3E
HMC860LP3E评估板
HMC860 Evaluation Board HMC860 Evaluation Board - Bottom View

最新评论

需要发起讨论吗? 没有关于 HMC860的相关讨论?是否需要发起讨论?

在EngineerZone®上发起讨论

近期浏览