
HMC440
推荐用于新设计
采用SMT封装的2.8 GHz整数N分频频率合成器(N = 2 - 32)
- 产品模型
- 4
产品详情
- 超低SSB相位噪底: -153 dBc/Hz(10 kHz偏置、100 MHz参考频率时)
- 可编程分频器(N= 2-32)
工作频率最高达到2.8 GHz - 开集输出缓冲放大器,与基于运算放大器的环路滤波器接口
- QSOP16G SMT封装: 29.4 mm²
- 计数器是低相位噪声性能的关键元件
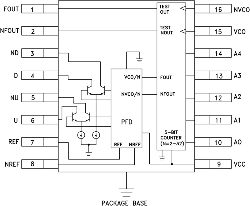
HMC440QS16G(E)是一款整数N分频频率合成器,将10至1300 MHz的数字鉴相鉴频器与10至2800 MHz 5位频率计数器(从2到32的持续分频)组合在一起,采用微型16引脚QSOP塑料封装。 它适合低噪声偏置-合成器应用。
HMC440QS16G(E)将高工作频率和超低相位噪底结合在一起,能够提供具有很宽环路带宽的合成器和低分频数,从而实现快速开关和极低相位噪声。 与差分环路放大器结合使用时,HMC440QS16G(E)可以生成输出电压,用于锁相VCO为参考振荡器。
应用
- 卫星通信系统
- 点对点无线电
- 军事应用
- Sonet时钟生成
- 测试设备
参考资料
数据手册 1
技术文章 2
质量文档 4
磁带和卷轴规格 1
产品选型指南 1
ADI 始终高度重视提供符合最高质量和可靠性水平的产品。我们通过将质量和可靠性检查纳入产品和工艺设计的各个范围以及制造过程来实现这一目标。出货产品的“零缺陷”始终是我们的目标。查看我们的质量和可靠性计划和认证以了解更多信息。
产品型号 | 引脚/封装图-中文版 | 文档 | CAD 符号,脚注和 3D模型 |
---|---|---|---|
HMC440QS16G | 16 ld QSOP_EP | ||
HMC440QS16GE | 16 ld QSOP_EP | ||
HMC440QS16GETR | 16 ld QSOP_EP | ||
HMC440QS16GTR | 16 ld QSOP_EP |
产品型号 | 产品生命周期 | PCN |
---|---|---|
5月 21, 2025 - 25_0033 Carsem SnPb Packaging End of Life |
||
HMC440QS16G | 最后购买期限 | |
HMC440QS16GTR | 最后购买期限 |
这是最新版本的数据手册
软件资源
找不到您所需的软件或驱动?
申请驱动/软件硬件生态系统
工具及仿真模型
设计工具 1
ADIsimPLL™
ADIsimPLL可以对ADI公司最新的高性能PLL产品进行快速、可靠的评估。它是目前最全面的PLL频率合成器设计和仿真工具,可实现所有对PLL性能有显著影响的重要非线性效应仿真。ADIsimPLL可以免去设计过程中的至少一项重复劳动,从而加快上市速度。
打开工具