LT3095

製造中

2チャネル低ノイズ・バイアス・ジェネレータ

利用上の注意

本データシートの英語以外の言語への翻訳はユーザの便宜のために提供されるものであり、リビジョンが古い場合があります。最新の内容については、必ず最新の英語版をご参照ください。

なお、日本語版のデータシートは基本的に「Rev.0」(リビジョン0)で作成されています。そのため、英語版が後に改訂され、複数製品のデータシートがひとつに統一された場合、同じ「Rev.0」の日本語版のデータシートが異なる製品のデータシートとして表示されることがあります。たとえば、「ADM3307E」の場合、日本語データシートをクリックすると「ADM3311E」が表示されます。これは、英語版のデータシートが複数の製品で共有できるように1本化され、「ADM3307E/ADM3310E/ADM3311E/ADM3312E/ADM3315E」(Rev.J)と改訂されたからで、決して誤ってリンクが張られているわけではありません。和文化されたデータシートを少しでも有効に活用していただくためにこのような方法をとっておりますので、ご了解ください。

アナログ・デバイセズ社は、提供する情報が正確で信頼できるものであることを期していますが、その情報の利用に関して、あるいはその利用によって生じる第三者の特許やその他の権利の侵害に関して一切の責任を負いません。また、アナログ・デバイセズ社の特許または特許の権利の使用を明示的または暗示的に許諾するものでもありません。仕様は予告なしに変更する場合があります。本紙記載の商標および登録商標は、各社の所有に属します。

Viewing:

製品情報

  • 2つの独立した低ノイズ・バイアス電源を生成
  • 昇圧レギュレータ:
    • 広い入力電圧範囲:3V~20V
    • 調整可能なスイッチング周波数:450kHz~2MHz
    • 外部クロックに同期可能
    • 950mAパワー・スイッチ
    • ショットキ・ダイオード内蔵
    • 内部周波数補償
  • リニア・レギュレータ:
    • 広い出力電圧範囲:1V~20V
    • SETピンのリファレンス電流:50μA
    • 低ノイズ:4μVRMS(10Hz~100kHz)
    • 高周波でのPSRR:72dB(1MHz時)
  • 高精度しきい値の独立したイネーブル・ピン
  • 対称的なピン配列によりPCBレイアウトを簡素化
  • 熱特性が改善された3mm × 5mmの24ピンQFNパッケージ

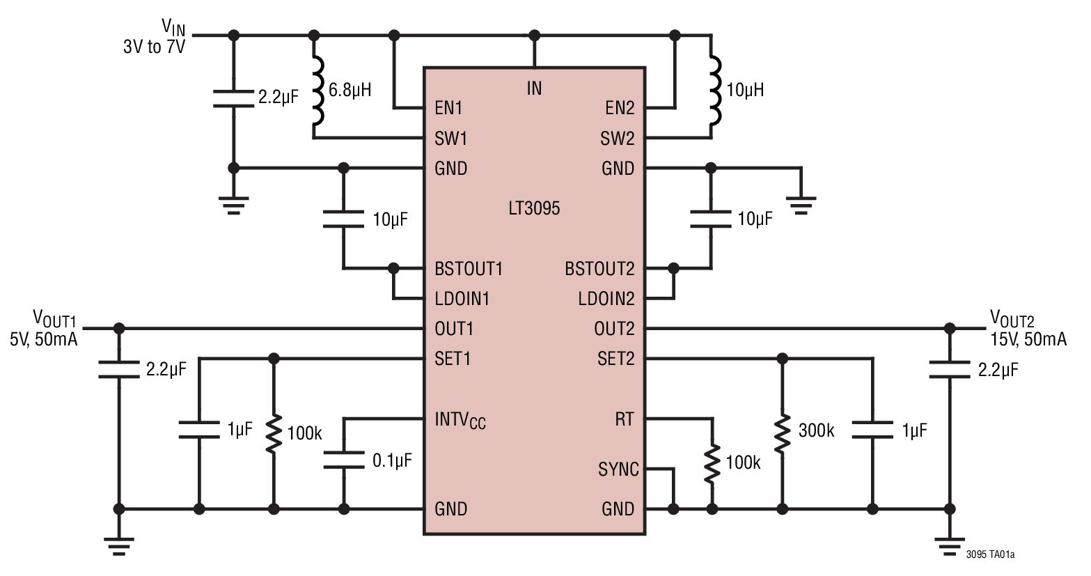
LT3095は、範囲が3V~20Vの共通の入力電圧から2種類の低ノイズ・バイアス電源を生成します。各チャネルは、固定周波数、ピーク電流モードの昇圧スイッチング・レギュレータと、1本の抵抗でプログラム可能な低ノイズの50mAリニア・レギュレータを内蔵しています。リニア・レギュレータは高い電源リップル除去(PSRR)性能と低ノイズ性能を兼ね備えているので、出力リップルおよびノイズを100μVP-P未満に抑えることができます。

各昇圧レギュレータは、その出力電圧を、対応するリニア・レギュレータの出力電圧より2V高い電圧に調整して、電力損失、PSRR、およびトランジェント応答を最適化します。このトラッキング方式に加え、内部昇圧レギュレータの周波数補償および内蔵のショットキ・ダイオードにより、外付け部品点数を最小限に抑え、システム・デザインを簡素化します。各リニア・レギュレータは、内部電流制限回路と過熱制限保護回路を内蔵しています。

LT3095のスイッチング周波数は1本の外付け抵抗により、450kHz~2MHzの範囲でプログラム可能です。SYNCピンを使用すると、外部クロックに同期することができます。LT3095は、熱特性が改善された、高さの低い(0.75mm)3mm × 5mmの24ピンQFNパッケージで供給されます。


アプリケーション

  • ノイズの影響を受けやすいUSB電源アプリケーション
  • データ変換、産業用電源、RF
  • 計装アンプ

LT3095
2チャネル低ノイズ・バイアス・ジェネレータ
Output Ripple Product Package 1
myAnalogに追加

myAnalogの製品セクション(通知受け取り)、既存/新規プロジェクトに製品を追加する。

新規プロジェクトを作成
質問する
サポート

アナログ・デバイセズのサポート・ページはアナログ・デバイセズへのあらゆるご質問にお答えするワンストップ・ポータルです。


ドキュメント

データシート

これは最新改訂バージョンのデータシートです。

さらに詳しく
myAnalogに追加

myAnalogのリソース・セクション、既存/新規プロジェクトにメディアを追加する。

新規プロジェクトを作成

ソフトウェア・リソース

必要なソフトウェア/ドライバが見つかりませんか?

ドライバ/ソフトウェアをリクエスト

ハードウェア・エコシステム

製品モデル 製品ライフサイクル 詳細
LT3048 製造中 2mm × 2mm DFNの低ノイズ・バイアス・ジェネレータ
LTC3265 新規設計に推奨 昇圧型と反転型のチャージポンプを備えた低ノイズの双極性電源
Modal heading
myAnalogに追加

myAnalogの製品セクション(通知受け取り)、既存/新規プロジェクトに製品を追加する。

新規プロジェクトを作成

ツールおよびシミュレーション

LTspice 1


下記製品はLTspiceで使用することが出来ます。:

  • LT3095
LTspice

LTspice®は、無料で提供される強力で高速な回路シミュレータと回路図入力、波形ビューワに改善を加え、アナログ回路のシミュレーションを容易にするためのモデルを搭載しています。

 


評価用キット

eval board
DC2270A

LT3095 Demo Board | Dual Boost Plus Post-Regulator LDO Bias Generator, 3V ≤ VIN ≤ 20V, VOUT1 = 5V @ 50mA, VOUT2 = 15V @ 50mA

製品詳細

Demonstration circuit 2270A is a dual-channel low noise bias generator featuring LT3095. The LT3095 generates two low noise bias supplies from a common input voltage range from 3V to 20V. Each channel includes a fixed frequency, peak current mode step-up switching regulator and a low noise, single resistor programmable linear regulator. The maximum load current is 50mA for each channel, and the two output voltages are 5V and 15V.


Each boost regulator adjusts its output voltage to 2V above the corresponding linear regulator’s output voltage, optimizing power dissipation, PSRR and transient response.

DC2270A
LT3095 Demo Board | Dual Boost Plus Post-Regulator LDO Bias Generator, 3V ≤ VIN ≤ 20V, VOUT1 = 5V @ 50mA, VOUT2 = 15V @ 50mA
DC2270A Evaluation Board DC2270A Evaluation Board - Top View DC2270A Evaluation Board - Bottom View DC2270A - Demo Board Image DC2270A - Schematic

リファレンス・デザイン

Simplified Circuit Diagram
CN0535 Circuits from the Lab®

柔軟なデータ・アクイジション・システムを実現するための 高性能エイリアス・フリー測定プラットフォーム ※Rev.0 を翻訳したものです。最新版は英語資料をご覧ください。

機能と利点

  • エイリアス・フリー測定システム
  • AC性能とDC性能を最適化
  • 広いアナログ入力電圧範囲(+/-12V)
  • FMC互換のフォーム・ファクタ

使用製品


資料


設計および組み込みツール


ビデオ

  • lazy blur
    VIDEO · 2021-11-16 06:43
    CN0535 Unboxing and Getting Started Video
  • lazy blur
    VIDEO · 2021-11-04 04:42
    CN0535 Mbed Example Program Setup
CN0535
柔軟なデータ・アクイジション・システムを実現するための 高性能エイリアス・フリー測定プラットフォーム ※Rev.0 を翻訳したものです。最新版は英語資料をご覧ください。
Simplified Circuit Diagram

最新のディスカッション

最近表示した製品