Quantic X-Microwave

Analog Devices RF and microwave components are available as drop-in X-MWblocks®
from Quantic X-Microwave.

Get the X-MWblock® drop-in module for this part.

ADF4355-2

新規設計に推奨

マイクロウェーブ広帯域シンセサイザ、VCO内蔵

利用上の注意

本データシートの英語以外の言語への翻訳はユーザの便宜のために提供されるものであり、リビジョンが古い場合があります。最新の内容については、必ず最新の英語版をご参照ください。

なお、日本語版のデータシートは基本的に「Rev.0」(リビジョン0)で作成されています。そのため、英語版が後に改訂され、複数製品のデータシートがひとつに統一された場合、同じ「Rev.0」の日本語版のデータシートが異なる製品のデータシートとして表示されることがあります。たとえば、「ADM3307E」の場合、日本語データシートをクリックすると「ADM3311E」が表示されます。これは、英語版のデータシートが複数の製品で共有できるように1本化され、「ADM3307E/ADM3310E/ADM3311E/ADM3312E/ADM3315E」(Rev.J)と改訂されたからで、決して誤ってリンクが張られているわけではありません。和文化されたデータシートを少しでも有効に活用していただくためにこのような方法をとっておりますので、ご了解ください。

アナログ・デバイセズ社は、提供する情報が正確で信頼できるものであることを期していますが、その情報の利用に関して、あるいはその利用によって生じる第三者の特許やその他の権利の侵害に関して一切の責任を負いません。また、アナログ・デバイセズ社の特許または特許の権利の使用を明示的または暗示的に許諾するものでもありません。仕様は予告なしに変更する場合があります。本紙記載の商標および登録商標は、各社の所有に属します。

Viewing:

製品情報

  • RF出力周波数範囲:54MHz~4400MHz
  • フラクショナルNとインテジャーNのシンセサイザ
  • 高分解能38ビット・モジュール
  • 低位相ノイズの電圧制御発振器(VCO)
  • 1 / 2 / 4 / 8 / 16 / 32 / 64のプログラマブル分周出力
  • アナログ電源とデジタル電源:3.3V
  • チャージポンプとVCO電源:5V(typ)

  • ロジック互換性:1.8V
  • プログラマブルなデュアル・モジュール・プリスケーラ:4/5または8/9
  • プログラマブルな出力パワー・レベル
  • RF出力のミュート機能
  • 3線式シリアル・インターフェース
  • アナログとデジタルのロック検出

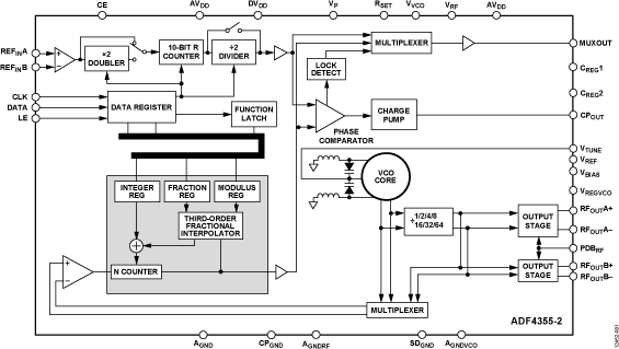
ADF4355-2は、外部のループ・フィルタと外部からのリファレンス周波数を使うことによって、フラクショナルNまたはインテジャーNのPLL周波数シンセサイザを実現することができます。一連の周波数分周器により54MHz~4400MHzの動作が可能です。

ADF4355-2は、3400MHz~6800MHzの基本出力周波数をもつVCOを内蔵しています。さらに、VCO周波数は1 / 2 / 4 / 8 / 16 / 32 / 64の分周回路に接続されているので、54MHzまでの低いRF出力周波数を発生させることができます。アイソレーションを必要とするアプリケーション用に、RF出力段をミュートさせる機能があります。このミュート機能は、ピンおよびソフトウェアの両方で制御できます。

全ての内蔵レジスタの制御は、簡単な3線インターフェースを介して行われます。ADF4355-2は3.15V~3.45Vのアナログ電源とデジタル電源、チャージポンプ、4.75V~5.25VのVCO電源で動作します。ADF4355-2にはハードウェアとソフトウェアのパワーダウン・モードもあります。

アプリケーション

  • 無線インフラストラクチャ(W-CDMA、TD-SCDMA、WiMAX、GSM、PCS、DCS、DECT)
  • ポイントtoポイント/ポイントtoマルチポイントのマイクロウェーブ・リンク
  • 衛星/VSAT
  • テスト装置と計測器
  • クロック発生

ADF4355-2
マイクロウェーブ広帯域シンセサイザ、VCO内蔵
ADF4355-2 Functional Block Diagram ADF4355-2 Pin Configuration
myAnalogに追加

myAnalogの製品セクション(通知受け取り)、既存/新規プロジェクトに製品を追加する。

新規プロジェクトを作成
質問する
サポート

アナログ・デバイセズのサポート・ページはアナログ・デバイセズへのあらゆるご質問にお答えするワンストップ・ポータルです。


ドキュメント

さらに詳しく
myAnalogに追加

myAnalogのリソース・セクション、既存/新規プロジェクトにメディアを追加する。

新規プロジェクトを作成

ソフトウェア・リソース

デバイス・ドライバ 1


ハードウェア・エコシステム

製品モデル 製品ライフサイクル 詳細
コンパレータ 1
LTC6957 位相ノイズの小さいデュアル出力バッファ/ドライバ/ロジック・コンバータ
フェーズ・ロック・ループ(PLL)シンセサイザ 1
ADF4002 新規設計に推奨 PLL周波数シンセサイザ/位相検出器
Modal heading
myAnalogに追加

myAnalogの製品セクション(通知受け取り)、既存/新規プロジェクトに製品を追加する。

新規プロジェクトを作成

ツールおよびシミュレーション

ADIsimPLL™

ADIsimPLLは、アナログ・デバイセズの新しい高性能PLL製品の迅速で信頼性の高い評価を可能にします。これは、現在利用できる最も包括的なPLLシンセサイザ設計およびシミュレーション・ツールです。実施されるシミュレーションには、PLL性能に影響を与える重要な非線形効果がすべて含まれます。ADIsimPLLは、設計プロセスから1回以上の反復作業を削除し、設計から市場投入までの時間を短縮します。

ツールを開く

評価用キット

eval board
AD-FMCADC7-EBZ

ADL5567 & AD9625 Analog Signal Chain Evaluation and ADF4355-2 Wideband Synthesizer with VCO

機能と利点

  • Single channel of 2.5 GSPS conversion utilizing JESD204B high speed serial interface
  • Driver amplifier interface with 20dB voltage gain adjustment
  • On-board PLL and VCO setup for clocking or external clocking
  • True DC coupled input and analog input frontend to the ADC, BW = DC to 1.8GHz
  • 製品詳細

    The AD-FMCADC7-EBZ is a single channel high speed data acquisition board featuring the AD9625 12bit, ADC sampling at 2500 MSPS and a ADL5567 low distortion, 4.8 GHz, differential amplifier driving the converter. The FMC form factor supports the JESD204B high speed serial interface. All clocking is supported using the on-board ADF4355-2 wideband PLL with VCO. This product is designed for sampling wide bandwidth analog signals from DC to 1.8GHz. The combination of wide input bandwidth, high sampling rate, and excellent linearity of the AD9625 is ideally suited for spectrum analyzers, data acquisition systems, and a wide assortment of military electronics applications.


    The board meets most of the FMC specifications in terms of mechanical size, mounting hole locations, and more. Although this board does meet most of the FMC specifications, it’s not meant as a commercial off the shelf (COTS) board. If you want a commercial, ready to integrate product, please refer to one of the many FMC manufacturers and the FMC specification (ANSI/VITA 57.1).


    This board is targeted to use the ADI reference designs that work with Xilinx development systems. ADI provides complete source (HDL and software) to re-create those projects (minus the IP provided by the FPGA vendors, which we use), but may not provide enough info to port this to your custom platform.


    The design of the board is specifically tailored to allow for true DC coupling on the analog input of the amplifier throughout the signal chain to the converter. Yielding the widest spectrum possible for the AD-FMCADC7-EBZ.


    The reference design includes the device data capture via the JESD204B serial interface and the SPI interface. The samples are written to the external DDR-DRAM. It allows programming the device and monitoring it’s internal registers via SPI.

    eval board
    EVAL-ADF4355-2

    ADF4355-2 評価用ボード

    機能と利点

    • VCO 内蔵の ADF4355-2 周波数シンセサイザ、差動 122.88 MHz 温度制御水晶発振器(TCXO)、ループ・フィルタ(20 kHz)、USB インターフェース、および電圧レギュレータを含む、自己完結型ボード
    • Windows®ベースのソフトウェアを使用するため、PC からのシンセサイザ機能の制御が可能 
    • 6 V の外部電源

    製品詳細

    EV-ADF4355-2SD1Z は、位相ロック・ループ(PLL)用の VCO 内蔵 ADF4355-2 周波数シンセサイザの性能を評価します。評価用ボードの写真を図 1 に示します。評価用ボードには、VCO 内蔵 ADF4355-2 周波数シンセサイザ、差動 122.88 MHz リファレンス(TCXO)、ループ・フィルタ、US インターフェース、電力電源コネクタ、サブミニチュア・バージョン A(SMA)コネクタが含まれています。ボードを PC の USB ポートに接続するための USB ケーブルも付属しています。

    シンセサイザを簡単にプログラミングするには、www.analog.com/ADF4355-2 から Windows ベースのソフトウェアをダウンロードしてください。

    このボードには SDP-S が必要です(上図にはありますが、キットには付属していません)。SDP-S によって EV-ADF4355-2SD1Z デバイスのソフトウェア・プログラミングが可能になります。

    AD-FMCADC7-EBZ
    ADL5567 & AD9625 Analog Signal Chain Evaluation and ADF4355-2 Wideband Synthesizer with VCO
    AD-FMCADC7-Front AD-FMCADC7-Back AD-FMCADC7-Combined
    EVAL-ADF4355-2
    ADF4355-2 評価用ボード
    ADF4355-2 Evaluation Board

    リファレンス・デザイン

    Block Diagram of the Translation Loop Synthesizer
    CN0369 Circuits from the Lab®

    低位相ノイズのトランスレーション・フェーズ・ロック・ループ・シンセサイザ ※Rev.0を翻訳したものです。最新版は英語資料をご覧ください。

    機能と利点

    • 変換ループ・シンセサイザ
    • 5 GHz ~ 5.4 GHz の RF 出力
    • 低位相ノイズ
    CN0369
    低位相ノイズのトランスレーション・フェーズ・ロック・ループ・シンセサイザ ※Rev.0を翻訳したものです。最新版は英語資料をご覧ください。
    Block Diagram of the Translation Loop Synthesizer
    EVAL-CN0369-SDPZ PCB Photo

    最新のディスカッション

    ADF4355-2に関するディスカッションはまだありません。意見を投稿しますか?

    EngineerZone®でディスカッションを始める

    最近表示した製品