AD7693

製造中

PulSAR® 差動A/Dコンバータ、16ビット、±0.5LSB、500kSPS

利用上の注意

本データシートの英語以外の言語への翻訳はユーザの便宜のために提供されるものであり、リビジョンが古い場合があります。最新の内容については、必ず最新の英語版をご参照ください。

なお、日本語版のデータシートは基本的に「Rev.0」(リビジョン0)で作成されています。そのため、英語版が後に改訂され、複数製品のデータシートがひとつに統一された場合、同じ「Rev.0」の日本語版のデータシートが異なる製品のデータシートとして表示されることがあります。たとえば、「ADM3307E」の場合、日本語データシートをクリックすると「ADM3311E」が表示されます。これは、英語版のデータシートが複数の製品で共有できるように1本化され、「ADM3307E/ADM3310E/ADM3311E/ADM3312E/ADM3315E」(Rev.J)と改訂されたからで、決して誤ってリンクが張られているわけではありません。和文化されたデータシートを少しでも有効に活用していただくためにこのような方法をとっておりますので、ご了解ください。

アナログ・デバイセズ社は、提供する情報が正確で信頼できるものであることを期していますが、その情報の利用に関して、あるいはその利用によって生じる第三者の特許やその他の権利の侵害に関して一切の責任を負いません。また、アナログ・デバイセズ社の特許または特許の権利の使用を明示的または暗示的に許諾するものでもありません。仕様は予告なしに変更する場合があります。本紙記載の商標および登録商標は、各社の所有に属します。

Viewing:

製品情報

  • 分解能:16ビット(ノー・ミッシング・コード)
  • スループット:500kSPS
  • INL / DNL:±0.25LSB(typ)、±0.5LSB(max)(FSRの±8ppm)
  • ダイナミック・レンジ:96.5dB
  • SINAD:96dB@1kHz
  • THD:-120dB@1kHz
  • 真の差動アナログ入力範囲:0V~VREF(両方の入力でVREFの最大値はVDD)
  • パイプライン遅延なし
  • 5V単電源動作で1.8V / 2.5V / 3V / 5Vロジック・インターフェースもサポート
  • シリアル・インターフェース:SPI® / QSPI™ / MICROWIRE™ / DSPと互換
  • 複数のADCのデイジーチェーン接続と選択可能なBUSYインジケータ
  • 消費電力:1変換当たり40nJ
    40μW@5V/1kSPS
    4mW@5V/100kSPS
    18mW@5V/500kSPS
  • スタンバイ電流:1nA
  • 10ピン・パッケージ:MSOP(MSOP-8サイズ)
  • 16ビットのAD7687およびAD7688、18ビットのAD7690およびAD7691とピン互換

AD7693は、単電源VDDで動作する逐次比較型の16ビットA/Dコンバータ(ADC)です。低消費電力、高速、ノー・ミッシング・コードの16ビット・サンプリングADC、内部変換クロック、汎用シリアル・インターフェース・ポートを内蔵しています。

製品の詳細は製品ビデオ: 16ビット、±0.5LSB、500kSPS、差動A/Dコンバータをご覧ください。

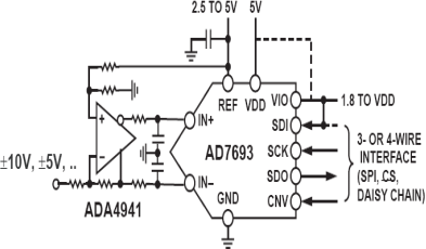
リファレンス電圧VREFを外部から供給し、電源電圧VDDに設定できます。CNVの立上がりエッジで、IN+ピンとIN-ピンとの間の電圧差をサンプリングします。この2つのピンの電圧は、0VからVREFの間でVREF/2を中心として逆の位相に振幅します。

消費電力はスループットに直線的に比例します。

SPI互換のシリアル・インターフェースは、SDI入力を使用して、1本の3線式バスで複数のADCをデイジーチェーン接続することもできます。オプションのBUSYインジケータも利用できます。1.8V、2.5V、3V、5Vロジックとの互換性があり、VIO電源を別途用意して使用します。

AD7693は、10ピンMSOPまたは10ピンQFN(LFCSP)を採用し、-40~+85℃の動作温度範囲で仕様が規定されています。

アプリケーション

  • バッテリ駆動機器
  • データ・アクイジション
  • 地震データ収集システム
  • DVM計測
  • 医療用計測器

AD7693
PulSAR® 差動A/Dコンバータ、16ビット、±0.5LSB、500kSPS
AD7693 Functional Block Diagram AD7693 Pin Configuration AD7693 Typical Application Diagram
myAnalogに追加

myAnalogの製品セクション(通知受け取り)、既存/新規プロジェクトに製品を追加する。

新規プロジェクトを作成
質問する
サポート

アナログ・デバイセズのサポート・ページはアナログ・デバイセズへのあらゆるご質問にお答えするワンストップ・ポータルです。


ドキュメント

さらに詳しく
myAnalogに追加

myAnalogのリソース・セクション、既存/新規プロジェクトにメディアを追加する。

新規プロジェクトを作成

ソフトウェア・リソース


ハードウェア・エコシステム

製品モデル 製品ライフサイクル 詳細
インターフェース・トランシーバ & アイソレータ 4
ADUM1401 製造中 4チャンネル・デジタル・アイソレータ(3/1チャンネル方向性)
ADUM3401 製造中 デジタル・アイソレータ、4チャンネル、システム・レベルのESD信頼性を強化
ADUM3481 製造中 デジタル・アイソレータ、クワッド・チャンネル(取り扱い可能信号方向:3/1)
ADUM4401 製造中 デジタル・アイソレータ、クワッドチャンネル、5kV RMS耐性
オペアンプ(OPアンプ) 7
AD8031 製造中 オペアンプ、シングル、2.7V、800 µA、80MHz、レールtoレールI/O
AD8605 製造中 オペアンプ、シングル、高精度、ローノイズ、入/出力レールtoレール、CMOS
ADA4897-1 新規設計に推奨 オペアンプ、ローノイズ(1nV/√Hz)、低消費電力、レールtoレール出力
AD8021 製造中 オペアンプ、16ビット・システム用、ローノイズ、高速
ADA4841-1 製造中 オペアンプ、レールtoレール出力、低消費電力、低ノイズ、低歪み
ADA4627-1 製造中 オペアンプ、JFET入力段、30V、19MHz、低ノイズ、低入力バイアス電流
ADA4610-2 新規設計に推奨 オペアンプ、デュアル、JFET入力、レールtoレール出力、低ノイズ、高精度
差動アンプ 3
ADA4940-1 製造中 ADC ドライバ用アンプ、超低消費電力、低ひずみ性能
ADA4941-1 製造中 差動ADCドライバ、単電源、18ビット対応
AD8476 製造中 差動アンプ、A/Dコンバータ ドライバ、ユニティ・ゲイン、低消費電力
電圧リファレンス 4
ADR435 製造中 電圧リファレンス、超低ノイズ、XFET®、電流シンク / ソース能力有
ADR4550 製造中 5.0V電圧リファレンス、超低ノイズ、高精度
ADR391 製造中 電圧リファレンス、2.5V、高精度、マイクロパワー、低ノイズ、シャットダウン機能付
ADR4525 製造中 2.5V電圧リファレンス、超低ノイズ、高精度
Modal heading
myAnalogに追加

myAnalogの製品セクション(通知受け取り)、既存/新規プロジェクトに製品を追加する。

新規プロジェクトを作成

ツールおよびシミュレーション

高精度ADC ドライバ・ツール

高精度ADCドライバ・ツールは、高精度ADCとドライバを組み合わせたときの性能をシミュレートするWebアプリケーションです。ドライバの選択、キックバックのセトリング、歪みの潜在的な問題を明らかにし、設計のトレードオフを短時間で評価できます。システム・ノイズ、歪み、ADC入力のセトリングについてシミュレーションと計算ができます。

ツールを開く

AD7685 IBIS Models 1


評価用キット

eval board
EVAL-AD7693

AD7693 Evaluation Kit

製品詳細

The EVAL-AD7693SDZ is a fully featured evaluation kit for the AD7693. This board operates in stand alone mode or in conjunction with the System Development Platform, EVAL-SDP-CB1Z . When operated with the System Development Platform software is provided enabling the user to perform detailed analysis of the ADC's performance. This software includes the technical note describing the operation and set up of the evaluation board in standalone operation or when operated with the System Development Platform . When operated in standalone mode the ADZS-BRKOUT-EX3 break out board is recommended for access to various control pins.

eval board
EVAL-AD7693-PMDZ

500kSPS、16ビットPulSAR® ADC PMOD評価用ボード

機能と利点

  • 16ビット、A/Dコンバータ
  • 500kSPS
  • ユニポーラ、差動入力
  • 標準SPI PMODヘッダ/ピン出力
  • サード・パーティFPGAおよびMCUプラットフォームに接続可能

製品詳細

PMOD互換の評価用/プロトタイピング・ボードは、小型で低価格のA/D変換オプションです。プロトタイピングの際、このボードは、PMODペリフェラル・コネクタを備えたお好みのMCUまたはFPGA開発ボードと組み合わせて使用​​します。電気的および物理的に直接接続できるため、お使いのシステムのソフトウェア開発を迅速化できます。

また、このボードは、システム・デモンストレーション・プラットフォーム(EVAL-SDP-CB1Z)およびアダプタ・ボード(SDP-PMD-IB1Z)を使用した評価用ボードとしても動作できます。システム・デモンストレーション・プラットフォームで動作させる場合には、ADCの性能の詳しい分析を実行できるLabViewソフトウェアGUIが提供されます。

EVAL-AD7693
AD7693 Evaluation Kit
EVAL-AD7693-PMDZ
500kSPS、16ビットPulSAR® ADC PMOD評価用ボード
EVAL-AD7942-PMDZ Evaluation Board EVAL-AD7942-PMDZ Evaluation Board - Top View EVAL-AD7942-PMDZ Evaluation Board - Bottom View

最新のディスカッション

最近表示した製品