MAX2078

NOT RECOMMENDED FOR NEW DESIGNS

Octal-Channel Ultrasound Front-End with CW Doppler Mixers

Breakthrough Levels of Performance for High-Channel Count Cart-Based and Portable Ultrasound Imaging Equipment

Viewing:

Overview

  • 8 Full Channels of LNA, VGA, AAF, and CWD Mixers in a Small, 10mm x 10mm TQFN Package
  • Pin Compatible with MAX2077 with LNA, VGA, and AAF in 10mm x 10mm TQFN Variant
  • Ultra-Low Full-Channel Noise Figure of 2.4dB at RIN = RS = 200Ω
  • Low Output-Referred Noise of 23nV/ at 5MHz, 20dB Gain, Yielding a Broadband SNR of 68dB** for Excellent Second-Harmonic Imaging
  • High Near-Carrier SNR of 140dBc/Hz at 1kHz Offset from a 5MHz, 1VP-P Output Signal, and 20dB of Gain for Excellent Low-Velocity PW and Color-Flow Doppler Sensitivity in a High-Clutter Environment
  • Ultra-Low-Power 64.8mW per Full-Channel (LNA, VGA, and AAF) Normal Imaging Mode (234mW per Channel in CWD Mode)
  • Selectable Active Input-Impedance Matching of 50Ω, 100Ω, 200Ω, and 1kΩ
  • Wide Input-Voltage Range of 330mVP-P in High LNA Gain Mode and 550mVP-P in Low LNA Gain Mode
  • Integrated Selectable 3-Pole 9MHz, 10MHz, 15MHz, and 18MHz Butterworth AAF
  • Fast-Recovery, Low-Power Modes (< 2µs)
  • Fully Integrated, High Dynamic Range CWD Beamformer with Near-Carrier SNR of 154dBc/Hz at 1kHz Offset from a 1.25MHz, 200mVP-P Input Clutter Signal

The MAX2078 octal-channel ultrasound front-end is a fully integrated bipolar, high-density octal-channel ultrasound receiver optimized for low cost, high-channel count, high-performance portable and cart-based ultrasound systems. The easy-to-use IC allows the user to achieve high-end 2D, PW, and CW Doppler (CWD) imaging capability using substantially less space and power. The highly compact imaging receiver lineup, including low-noise amplifier (LNA), variable-gain amplifier (VGA), and anti-alias filter (AAF), achieves an ultra-low 2.4dB noise figure at RS = RIN = 200Ω at a very low 64.8mW per channel power dissipation. The full imaging receiver channel has been optimized for second-harmonic imaging with -64dBFS second-harmonic distortion performance with a 1VP-P 5MHz output signal. The bipolar front-end has also been optimized for excellent low-velocity PW and color-flow Doppler sensitivity with an exceptional near-carrier SNR of 140dBc/Hz at 1kHz offset from a 5MHz 1VP-P output clutter signal.

A fully integrated high-performance, programmable CWD beamformer is also included. Separate I/Q mixers for each channel are available for optimal CWD sensitivity in high-clutter environments, yielding an impressive near-carrier SNR of 154dBc/Hz at 1kHz offset from a 1.25MHz 200mVP-P input clutter signal.

The MAX2078 octal-channel ultrasound front-end is available in a small 10mm x 10mm, 68-pin thin QFN package with an exposed pad and is specified over a 0°C to +70°C temperature range.

Applications

  • Medical Ultrasound Imaging
  • Sonar

MAX2078
Octal-Channel Ultrasound Front-End with CW Doppler Mixers
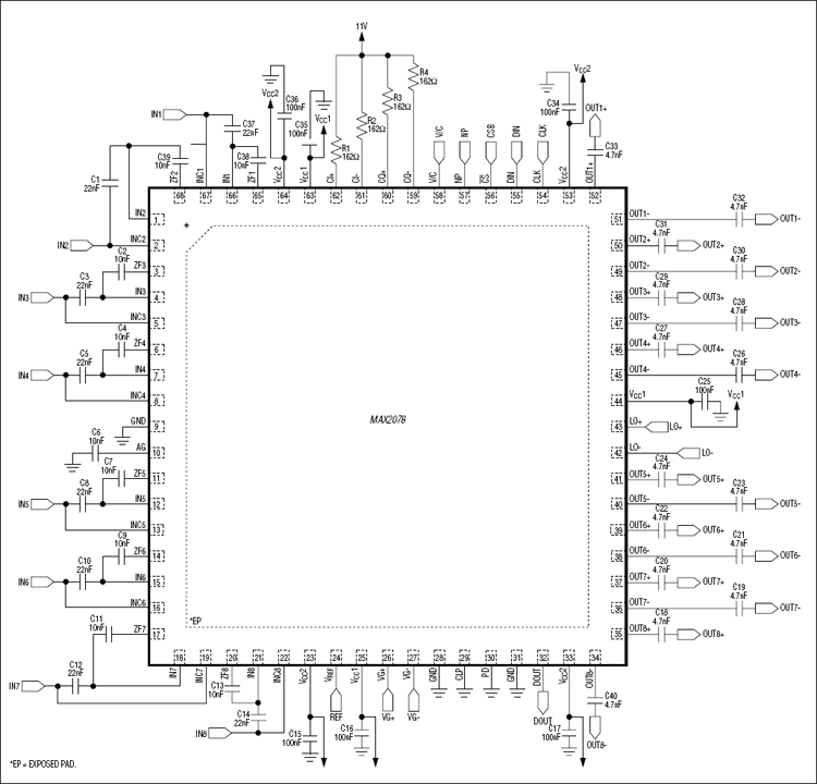
MAX2078: Typical Application Circuit
Add to myAnalog

Add product to the Products section of myAnalog (to receive notifications), to an existing project or to a new project.

Create New Project
Ask a Question

Documentation

Learn More
Add to myAnalog

Add media to the Resources section of myAnalog, to an existing project or to a new project.

Create New Project

Software Resources

Can't find the software or driver you need?

Request a Driver/Software

Hardware Ecosystem

Parts Product Life Cycle Description
Amplifier-Based Front Ends 1
MAX2077 NOT RECOMMENDED FOR NEW DESIGNS Octal-Channel Ultrasound Front-End
Analog to Digital Converters (ADCs) 14
MAX1434 PRODUCTION Octal, 10-Bit, 50Msps, 1.8V ADC with Serial LVDS Outputs
MAX1436 PRE-RELEASE Octal, 12-Bit, 40Msps, 1.8V ADC with Serial LVDS Outputs
MAX1437 PRE-RELEASE Octal, 12-Bit, 50Msps, 1.8V ADC with Serial LVDS Outputs
MAX1438 PRODUCTION Octal, 12-Bit, 65Msps, 1.8V ADC with Serial LVDS Outputs
MAX1126 PRODUCTION Quad, 12-Bit, 40Msps, 1.8V ADC with Serial LVDS Outputs
MAX1127 PRODUCTION Quad, 12-Bit, 65Msps, 1.8V ADC with Serial LVDS Outputs
MAX1181 PRODUCTION Dual 10-Bit, 80Msps, 3V, Low-Power ADC with Internal Reference and Parallel Outputs
MAX1182 PRODUCTION Dual 10-Bit, 65Msps, +3V, Low-Power ADC with Internal Reference and Parallel Outputs
MAX1183 PRODUCTION Dual 10-Bit, 40Msps, 3V, Low-Power ADC with Internal Reference and Parallel Outputs
MAX1186 PRODUCTION Dual 10-Bit, 40Msps, 3V, Low-Power ADC with Internal Reference and Multiplexed Parallel Outputs
MAX1446 LAST TIME BUY 10-Bit, 60Msps, 3.0V, Low-Power ADC with Internal Reference
MAX1444 LAST TIME BUY 10-Bit, 40Msps, 3.0V, Low-Power ADC with Internal Reference
MAX1193 PRODUCTION Ultra-Low-Power, 45Msps, Dual 8-Bit ADC
MAX1192 PRODUCTION Ultra-Low-Power, 22Msps, Dual 8-Bit ADC
Beamformers & Vector Modulators 2
MAX2036 PRE-RELEASE Ultrasound VGA Integrated with CW Octal Mixer
MAX2038 PRE-RELEASE Ultrasound VGA Integrated with CW Octal Mixer
Low-Noise Amplifiers (LNAs) & Power Amplifiers 1
MAX2034 PRE-RELEASE Quad-Channel, Ultra-Low-Noise Amplifier with Digitally Programmable Input Impedance
Variable Gain Amplifiers (VGA) 2
MAX2037 PRE-RELEASE Ultrasound Variable-Gain Amplifier
MAX2035 PRE-RELEASE Ultrasound Variable-Gain Amplifier
Modal heading
Add to myAnalog

Add product to the Products section of myAnalog (to receive notifications), to an existing project or to a new project.

Create New Project

Latest Discussions

Recently Viewed