MAX1182

PRODUCTION

Dual 10-Bit, 65Msps, +3V, Low-Power ADC with Internal Reference and Parallel Outputs

Viewing:

Overview

  • Single 3V Operation
  • Excellent Dynamic Performance:
    • 59dB SNR at fIN = 20MHz
    • 77dB SFDR at fIN = 20MHz
  • Low Power:
    • 65mA (Normal Operation)
    • 2.8mA (Sleep Mode)
    • 1µA (Shutdown Mode)
  • 0.02dB Gain and 0.25° Phase Matching (typ)
  • Wide ±1VP-P Differential Analog Input Voltage Range
  • 400MHz -3dB Input Bandwidth
  • On-Chip 2.048V Precision Bandgap Reference
  • User-Selectable Output Format—Two's Complement or Offset Binary
  • 48-Pin TQFP Package with Exposed Pad for Improved Thermal Dissipation
  • Evaluation Kit Available

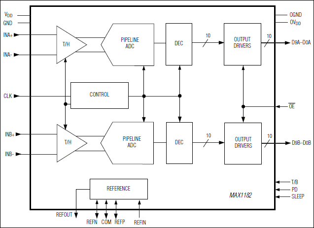
The MAX1182 is a 3V, dual 10-bit analog-to-digital converter (ADC) featuring fully-differential wideband track-and-hold (T/H) inputs, driving two pipelined, 9-stage ADCs. The MAX1182 is optimized for low-power, high-dynamic performance applications in imaging, instrumentation and digital communication applications. This ADC operates from a single 2.7V to 3.6V supply, consuming only 195mW while delivering a typical signal-to-noise ratio (SNR) of 59dB at an input frequency of 20MHz and a sampling rate of 65Msps. The T/H driven input stages incorporate 400MHz (-3dB) input amplifiers. The converters may also be operated with single-ended inputs. In addition to low operating power, the MAX1182 features a 2.8mA sleep mode as well as a 1µA power-down mode to conserve power during idle periods.

An internal 2.048V precision bandgap reference sets the full-scale range of the ADC. A flexible reference structure allows the use of the internal or an externally derived reference, if desired for applications requiring increased accuracy or a different input voltage range.

The MAX1182 features parallel, CMOS-compatible three-state outputs. The digital output format is set to two's complement or straight offset binary through a single control pin. The device provides for a separate output power supply of 1.7V to 3.6V for flexible interfacing. The MAX1182 is available in a 7mm x 7mm, 48-pin TQFP package, and is specified for the extended industrial (-40°C to +85°C) temperature range.

Pin-compatible higher and lower speed versions of the MAX1182 are also available. Please refer to the MAX1180 data sheet for 105Msps, the MAX1181 data sheet for 80Msps, the MAX1183 data sheet for 40Msps, and the MAX1184 data sheet for 20Msps. In addition to these speed grades, this family includes a 20Msps multiplexed output version (MAX1185), for which digital data is presented time-interleaved on a single, parallel 10-bit output port.

Applications

  • High-Resolution Imaging
  • I/Q Channel Digitization
  • Instrumentation
  • Multichannel IF Undersampling
  • Video Application

MAX1182
Dual 10-Bit, 65Msps, +3V, Low-Power ADC with Internal Reference and Parallel Outputs
MAX1182: Functional Diagram
Add to myAnalog

Add product to the Products section of myAnalog (to receive notifications), to an existing project or to a new project.

Create New Project
Ask a Question

Documentation

Learn More
Add to myAnalog

Add media to the Resources section of myAnalog, to an existing project or to a new project.

Create New Project

Software Resources

Can't find the software or driver you need?

Request a Driver/Software

Evaluation Kits

MAX1181EVKIT

Evaluation Kit for the MAX1180, MAX1181, MAX1182, MAX1183, MAX1184, MAX1185, MAX1186, and MAX1190

Features and Benefits

  • Up to 80Msps Sampling Rate (MAX1181)
  • Low Voltage and Power Operation
  • Single-Ended or Fully Differential Signal Input Configuration
  • Clock-Shaping Circuit
  • Fully Assembled and Tested
  • Supports Both Nonmultiplexed (MAX1180-MAX1184/MAX1190) and Multiplexed (MAX1185/MAX1186) Output Operation

Product Details

The MAX1181 Evaluation kit (EV Kit) is a fully assembled and tested circuit board that contains all the components necessary to evaluate the performance of the nonmultiplexed MAX1180-MAX1184 and MAX1190 or multiplexed MAX1185 and MAX1186, dual 10-bit analog-to-digital converters (ADC). The MAX1180-MAX1186 and MAX1190 accept differential or single-ended analog inputs and the EV kit allows for evaluation of each ADC with both types of signals from one single-ended analog signal. The digital output produced by the ADC can easily be sampled with a user-provided high-speed logic analyzer or data-acquisition system. The EV kit operates from 3.0V analog and 2.0V digital power supplies. It includes circuitry that generates a clock signal from an AC signal provided by the user. The EV kit comes with the MAX1181 installed. Order free samples of the pin-compatible MAX1180, MAX1182, MAX1183, MAX1184, MAX1185, MAX1186, or MAX1190 to evaluate these parts.

Applications

  • High-Resolution Imaging
  • I/Q Channel Digitization
  • Instrumentation
  • Multichannel IF Undersampling
  • Video Application

MAX1181EVKIT
Evaluation Kit for the MAX1180, MAX1181, MAX1182, MAX1183, MAX1184, MAX1185, MAX1186, and MAX1190

Latest Discussions

No discussions on MAX1182 yet. Have something to say?

Start a Discussion on EngineerZone®

Recently Viewed