MAX1181
PRODUCTIONDual 10-Bit, 80Msps, 3V, Low-Power ADC with Internal Reference and Parallel Outputs
- Part Models
- 2
- 1ku List Price
- Starting From $18.49
Overview
- Single 3V Operation
- Excellent Dynamic Performance
- 59dB SNR at fIN = 20MHz
- 73dB SFDR at fIN = 20MHz
- Low Power
- 82mA (Normal Operation)
- 2.8mA (Sleep Mode)
- 1µA (Shutdown Mode)
- 0.02dB Gain and 0.25° Phase Matching (typ)
- Wide ±1VP-P Differential Analog Input Voltage Range
- 400MHz, -3dB Input Bandwidth
- On-Chip 2.048V Precision Bandgap Reference
- User-Selectable Output Format—Two's Complement or Offset Binary
- 48-Pin TQFP Package with Exposed Pad for Improved Thermal Dissipation
- Evaluation Kit Available
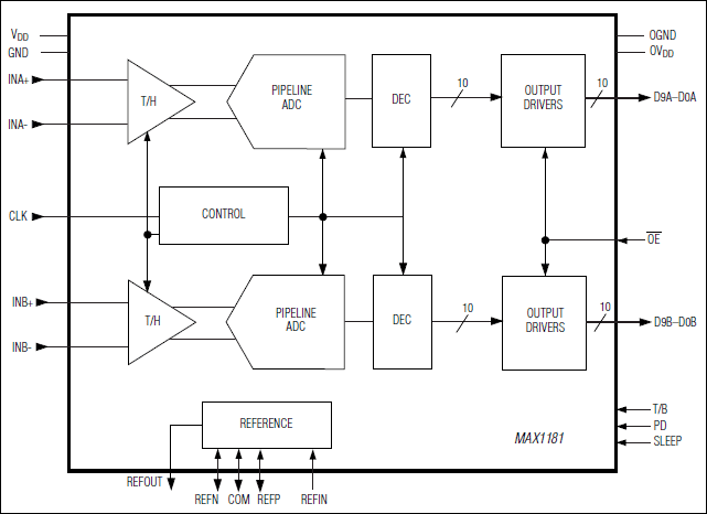
The MAX1181 is a 3V, dual 10-bit, analog-to-digital converter (ADC) featuring fully-differential wideband track-and-hold (T/H) inputs, driving two pipelined, nine-stage ADCs. The MAX1181 is optimized for low-power, high-dynamic performance applications in imaging, instrumentation, and digital communication applications. The MAX1181 operates from a single 2.7V to 3.6V supply, consuming only 246mW, while delivering a typical signal-to-noise ratio (SNR) of 59dB at an input frequency of 20MHz and a sampling rate of 80Msps. The T/H driven input stages incorporate 400MHz (-3dB) input amplifiers. The converters may also be operated with single-ended inputs. In addition to low operating power, the MAX1181 features a 2.8mA sleep mode, as well as a 1µA power-down mode to conserve power during idle periods.
An internal 2.048V precision bandgap reference sets the full-scale range of the ADC. A flexible reference structure allows the use of the internal or external reference, if desired for applications requiring increased accuracy or a different input voltage range.
The MAX1181 features parallel, CMOS-compatible three-state outputs. The digital output format is set to two's complement or straight offset binary through a single control pin. The device provides for a separate output power supply of 1.7V to 3.6V for flexible interfacing. The MAX1181 is available in a 7mm x 7mm, 48-pin TQFP package, and is specified for the extended industrial (-40°C to +85°C) temperature range.
Pin-compatible higher and lower speed versions of the MAX1181 are also available. Please refer to the MAX1180 data sheet for 105Msps, the MAX1182 data sheet for 65Msps, the MAX1183 data sheet for 40Msps, and the MAX1184 data sheet for 20Msps. In addition to these speed grades, this family includes a 20Msps multiplexed output version (MAX1185), for which digital data is presented time-interleaved on a single, parallel 10-bit output port.
Applications
- High-Resolution Imaging
- I/Q Channel Digitization
- Instrumentation
- Multichannel IF Undersampling
- Video Application
Documentation
Data Sheet 1
Reliability Data 1
Technical Articles 5
ADI has always placed the highest emphasis on delivering products that meet the maximum levels of quality and reliability. We achieve this by incorporating quality and reliability checks in every scope of product and process design, and in the manufacturing process as well. "Zero defects" for shipped products is always our goal. View our quality and reliability program and certifications for more information.
| Part Model | Pin/Package Drawing | Documentation | CAD Symbols, Footprints, and 3D Models |
|---|---|---|---|
| MAX1181ECM+D | 48-TQFP_EP-7X7X1.0 | ||
| MAX1181ECM+TD | 48-TQFP_EP-7X7X1.0 |
| Part Models | Product Lifecycle | PCN |
|---|---|---|
|
Feb 26, 2016 - 1589A ASSEMBLY |
||
| MAX1181ECM+D | PRODUCTION | |
This is the most up-to-date revision of the Data Sheet.
Software Resources
Can't find the software or driver you need?
Request a Driver/SoftwareLatest Discussions
No discussions on MAX1181 yet. Have something to say?
Start a Discussion on EngineerZone®