MAX1434
PRODUCTIONOctal, 10-Bit, 50Msps, 1.8V ADC with Serial LVDS Outputs
- Part Models
- 2
- 1ku List Price
- Starting From $81.92
Overview
- Excellent Dynamic Performance
- 61dB SNR at 5.3MHz
- 84dBc SFDR at 5.3MHz
- 94dB Channel Isolation
 
- Ultra-Low Power
- 96mW per Channel (Normal Operation)
 
- Serial LVDS Outputs
- Pin-Selectable LVDS/SLVS (Scalable Low-Voltage Signal) Mode
- LVDS Outputs Support Up to 30 Inches FR-4 Backplane Connections
- Test Mode for Digital Signal Integrity
- Fully Differential Analog Inputs
- Wide Differential Input Voltage Range (1.4VP-P)
- On-Chip 1.24V Precision Bandgap Reference
- Clock Duty-Cycle Equalizer
- Compact, 100-Pin TQFP Package with Exposed Pad
- Evaluation Kit Available (Order MAX1434EVKIT)
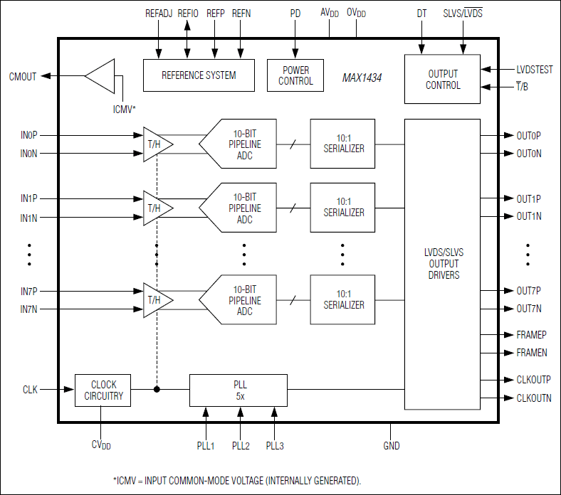
The MAX1434 octal, 10-bit analog-to-digital converter (ADC) features fully differential inputs, a pipelined architecture, and digital error correction incorporating a fully differential signal path. This ADC is optimized for low-power and high-dynamic performance in medical imaging instrumentation and digital communications applications. The MAX1434 operates from a 1.8V single supply and consumes only 767mW (96mW per channel) while delivering a 61dB (typ) signal-to-noise ratio (SNR) at a 5.3MHz input frequency. In addition to low operating power, the MAX1434 features a power-down mode for idle periods.
An internal 1.24V precision bandgap reference sets the full-scale range of the ADC. A flexible reference structure allows the use of an external reference for applications requiring increased accuracy or a different input voltage range. The reference architecture is optimized for low noise.
A single-ended clock controls the data-conversion process. An internal duty-cycle equalizer compensates for wide variations in clock duty cycle. An on-chip PLL generates the high-speed serial low-voltage differential signal (LVDS) clock.
The MAX1434 has self-aligned serial LVDS outputs for data, clock, and frame-alignment signals. The output data is presented in two's complement or binary format.
The MAX1434 offers a maximum sample rate of 50Msps. See the Pin-Compatible Versions table in the full data sheet for 12-bit versions. This device is available in a small, 14mm x 14mm x 1mm, 100-pin TQFP package with exposed pad and is specified for the extended industrial (-40°C to +85°C) temperature range.
Applications
- Instrumentation
- Multichannel Communications
- Ultrasound and Medical Imaging
Documentation
Data Sheet 1
Design Note 1
ADI has always placed the highest emphasis on delivering products that meet the maximum levels of quality and reliability. We achieve this by incorporating quality and reliability checks in every scope of product and process design, and in the manufacturing process as well. "Zero defects" for shipped products is always our goal. View our quality and reliability program and certifications for more information.
| Part Model | Pin/Package Drawing | Documentation | CAD Symbols, Footprints, and 3D Models | 
|---|---|---|---|
| MAX1434ECQ+D | 100-TQFP_EP-14X14X1.0 | ||
| MAX1434ECQ+TD | 100-TQFP_EP-14X14X1.0 | 
This is the most up-to-date revision of the Data Sheet.
Software Resources
Can't find the software or driver you need?
Request a Driver/SoftwareHardware Ecosystem
| Parts | Product Life Cycle | Description | 
|---|---|---|
| Analog to Digital Converters (ADCs) 4 | ||
| MAX1437 | Obsolete | Octal, 12-Bit, 50Msps, 1.8V ADC with Serial LVDS Outputs | 
| MAX1436B | PRODUCTION | Octal, 12-Bit, 40Msps, 1.8V ADC with Serial LVDS Outputs | 
| MAX1436 | Octal, 12-Bit, 40Msps, 1.8V ADC with Serial LVDS Outputs | |
| MAX1438 | PRODUCTION | Octal, 12-Bit, 65Msps, 1.8V ADC with Serial LVDS Outputs | 
