MAX1436B

PRODUCTION

Octal, 12-Bit, 40Msps, 1.8V ADC with Serial LVDS Outputs

High-Density, Ultra-Low-Power Octal 12-Bit ADC with Space-Saving Serial LVDS Interface

Viewing:

Overview

  • Excellent Dynamic Performance
    • 69.9dB SNR at 5.3MHz
    • 96dBc SFDR at 5.3MHz
    • 95dB Channel Isolation
  • Ultra-Low Power
    • 93mW per Channel (Normal Operation)
    • Fast 200µs Wake-Up Time from Standby
  • Serial LVDS Outputs
  • Pin-Selectable LVDS/SLVS (Scalable Low-Voltage Signal) Mode
  • LVDS Outputs Support Up to 30 Inches FR-4 Backplane Connections
  • Test Mode for Digital Signal Integrity
  • Fully Differential Analog Inputs
  • Wide Differential Input Voltage Range (1.4VP-P)
  • On-Chip 1.24V Precision Bandgap Reference
  • Clock Duty-Cycle Equalizer
  • Compact, 100-Pin TQFP Package with Exposed Pad
  • Evaluation Kit Available (Order MAX1436BEVKIT)

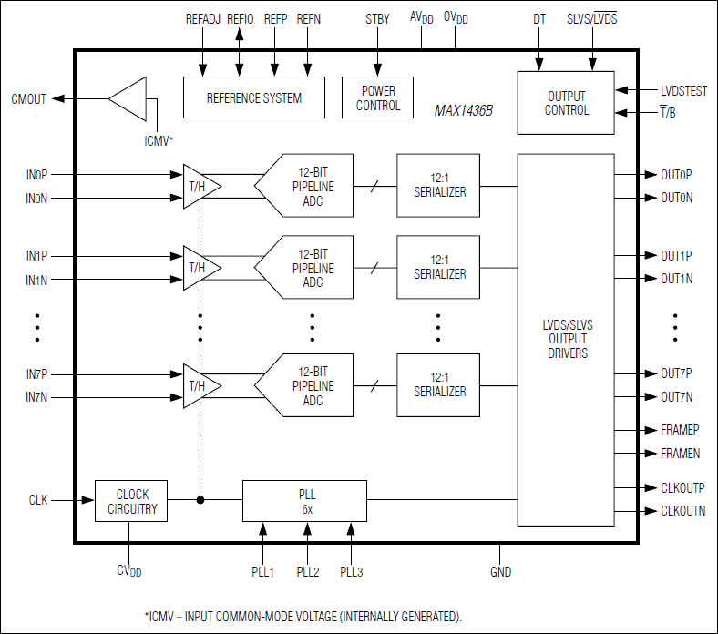
The MAX1436B octal, 12-bit analog-to-digital converter (ADC) features fully differential inputs, a pipelined architecture, and digital error correction incorporating a fully differential signal path. This ADC is optimized for low-power and high-dynamic performance in medical imaging instrumentation and digital communications applications. The MAX1436B operates from a 1.8V single supply and consumes only 743mW (93mW per channel) while delivering a 69.9dB (typ) signal-to-noise ratio (SNR) at a 5.3MHz input frequency. In addition to low operating power, the MAX1436B features a low-power standby mode for idle periods.

An internal 1.24V precision bandgap reference sets the full-scale range of the ADC. A flexible reference structure allows the use of an external reference for applications requiring increased accuracy or a different input voltage range. The reference architecture is optimized for low noise.

A single-ended clock controls the data-conversion process. An internal duty-cycle equalizer compensates for wide variations in clock duty cycle. An on-chip PLL generates the high-speed serial low-voltage differential signal (LVDS) clock.

The MAX1436B has self-aligned serial LVDS outputs for data, clock, and frame-alignment signals. The output data is presented in two's complement or binary format.

The MAX1436B offers a maximum sample rate of 40Msps. See the Pin-Compatible Versions table in the full data sheet for higher-speed versions. This device is available in a small, 14mm x 14mm x 1mm, 100-pin TQFP package with exposed pad and is specified for the extended industrial (-40°C to +85°C) temperature range.

Applications

  • Instrumentation
  • Multichannel Communications
  • Ultrasound and Medical Imaging

MAX1436B
Octal, 12-Bit, 40Msps, 1.8V ADC with Serial LVDS Outputs
MAX1436B: Functional Diagram
Add to myAnalog

Add product to the Products section of myAnalog (to receive notifications), to an existing project or to a new project.

Create New Project
Ask a Question

Documentation

Learn More
Add to myAnalog

Add media to the Resources section of myAnalog, to an existing project or to a new project.

Create New Project

Software Resources

Can't find the software or driver you need?

Request a Driver/Software

Hardware Ecosystem

Parts Product Life Cycle Description
Analog to Digital Converters (ADCs) 4
MAX1438 PRODUCTION Octal, 12-Bit, 65Msps, 1.8V ADC with Serial LVDS Outputs
MAX1437 Obsolete Octal, 12-Bit, 50Msps, 1.8V ADC with Serial LVDS Outputs
MAX1434 PRODUCTION Octal, 10-Bit, 50Msps, 1.8V ADC with Serial LVDS Outputs
MAX1436 Obsolete Octal, 12-Bit, 40Msps, 1.8V ADC with Serial LVDS Outputs
Modal heading
Add to myAnalog

Add product to the Products section of myAnalog (to receive notifications), to an existing project or to a new project.

Create New Project

Tools & Simulations


Evaluation Kits

MAX1438EVKIT

Evaluation Kit for the MAX1434, MAX1436, MAX1437, and MAX1438

Features and Benefits

  • Low-Voltage and Low-Power Operation
  • Optional On-Board Clock-Shaping Circuitry
  • Serial Scalable Low-Voltage Signaling (SLVS)/Low-Voltage Differential Signaling (LVDS) Outputs
  • On-Board LVPECL Differential Output Drivers
  • On-Board Deserializer
  • LVDS Test Mode
  • Fully Assembled and Tested

Product Details

The MAX1434/MAX1436/MAX1437/MAX1438 evaluation kits (EV kits) are fully assembled and tested circuit boards that contain all the components necessary to evaluate the performance of this family of octal 10-/12-bit analog-to-digital converters (ADCs). These ADCs accept differential analog input signals. The EV kits generate these signals from user-provided single-ended input sources. The EV kits' digital outputs can be easily sampled with a user-provided high-speed logic analyzer or data-acquisition system. The EV kits also feature an on-board deserializer to simplify integration with standard logic analysis systems. The EV kits operate from 1.8V and 3.3V (plus 1.5V if the FPGA is used) power supplies and include circuitry that generates a clock signal from an AC signal provided by the user.

Applications

  • Instrumentation
  • Multichannel Communications
  • Ultrasound and Medical Imaging

MAX1434EVKIT

Evaluation Kit for the MAX1434, MAX1436, MAX1437, and MAX1438

Features and Benefits

  • Low-Voltage and Low-Power Operation
  • Optional On-Board Clock-Shaping Circuitry
  • Serial Scalable Low-Voltage Signaling (SLVS)/Low-Voltage Differential Signaling (LVDS) Outputs
  • On-Board LVPECL Differential Output Drivers
  • On-Board Deserializer
  • LVDS Test Mode
  • Fully Assembled and Tested

Product Details

The MAX1434/MAX1436/MAX1437/MAX1438 evaluation kits (EV kits) are fully assembled and tested circuit boards that contain all the components necessary to evaluate the performance of this family of octal 10-/12-bit analog-to-digital converters (ADCs). These ADCs accept differential analog input signals. The EV kits generate these signals from user-provided single-ended input sources. The EV kits' digital outputs can be easily sampled with a user-provided high-speed logic analyzer or data-acquisition system. The EV kits also feature an on-board deserializer to simplify integration with standard logic analysis systems. The EV kits operate from 1.8V and 3.3V (plus 1.5V if the FPGA is used) power supplies and include circuitry that generates a clock signal from an AC signal provided by the user.

Applications

  • Instrumentation
  • Multichannel Communications
  • Ultrasound and Medical Imaging

MAX1437EVKIT

Evaluation Kit for the MAX1434, MAX1436, MAX1437, and MAX1438

Features and Benefits

  • Low-Voltage and Low-Power Operation
  • Optional On-Board Clock-Shaping Circuitry
  • Serial Scalable Low-Voltage Signaling (SLVS)/Low-Voltage Differential Signaling (LVDS) Outputs
  • On-Board LVPECL Differential Output Drivers
  • On-Board Deserializer
  • LVDS Test Mode
  • Fully Assembled and Tested

Product Details

The MAX1434/MAX1436/MAX1437/MAX1438 evaluation kits (EV kits) are fully assembled and tested circuit boards that contain all the components necessary to evaluate the performance of this family of octal 10-/12-bit analog-to-digital converters (ADCs). These ADCs accept differential analog input signals. The EV kits generate these signals from user-provided single-ended input sources. The EV kits' digital outputs can be easily sampled with a user-provided high-speed logic analyzer or data-acquisition system. The EV kits also feature an on-board deserializer to simplify integration with standard logic analysis systems. The EV kits operate from 1.8V and 3.3V (plus 1.5V if the FPGA is used) power supplies and include circuitry that generates a clock signal from an AC signal provided by the user.

Applications

  • Instrumentation
  • Multichannel Communications
  • Ultrasound and Medical Imaging

MAX1438EVKIT
Evaluation Kit for the MAX1434, MAX1436, MAX1437, and MAX1438
MAX1434EVKIT
Evaluation Kit for the MAX1434, MAX1436, MAX1437, and MAX1438
MAX1437EVKIT
Evaluation Kit for the MAX1434, MAX1436, MAX1437, and MAX1438

Latest Discussions

Recently Viewed