Quantic X-Microwave

Analog Devices RF and microwave components are available as drop-in X-MWblocks®
from Quantic X-Microwave.

Get the X-MWblock® drop-in module for this part.

ADF4360-1

PRODUCTION

Integrated Integer-N Synthesizer and VCO - Output Frequency 2050 to 2450

Viewing:

Overview

  • Output frequency range: 2050 MHz to 2450 MHz
  • Divide-by-2 output
  • 3.0 V to 3.6 V power supply
  • 1.8 V logic compatibility
  • Integer-N synthesizer
  • Programmable dual-modulus prescaler 8/9, 16/17, 32/33
  • Programmable output power level
  • 3-wire serial interface
  • Analog and digital lock detect
  • Hardware and software power-down mode

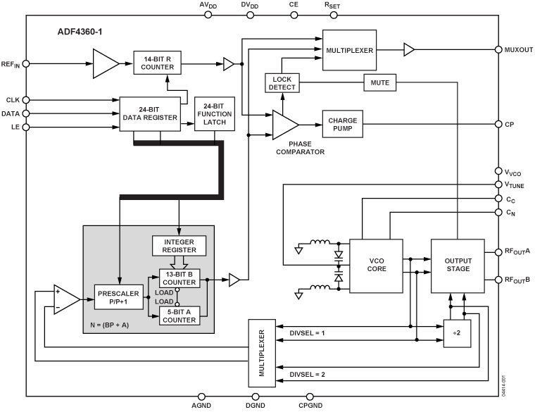
The ADF4360-1 is a fully integrated integer-N synthesizer and voltage controlled oscillator (VCO). The ADF4360-1 is designed for a center frequency of 2250 MHz. In addition, there is a divide-by-2 option available, whereby the user gets an RF output of between 1025 MHz and 1225 MHz. Control of all the on-chip registers is through a simple 3-wire interface. The device operates with a power supply ranging from 3.0 V to 3.6 V and can be powered down when not in use. 

ADF4360-1
Integrated Integer-N Synthesizer and VCO - Output Frequency 2050 to 2450
ADF4360-1 Functional Block Diagram ADF4360-1 Pin Configuration
Add to myAnalog

Add product to the Products section of myAnalog (to receive notifications), to an existing project or to a new project.

Create New Project
Ask a Question

Documentation

Learn More
Add to myAnalog

Add media to the Resources section of myAnalog, to an existing project or to a new project.

Create New Project

Software Resources


Hardware Ecosystem

Parts Product Life Cycle Description
Comparators 1
LTC6957 Low Phase Noise, Dual Output Buffer/Driver/Logic Converter
Frequency Dividers & Multipliers 1
ADF5001 PRODUCTION 4 GHz TO 18 GHz Divide-by-4 Prescaler
LDO Linear Regulators 3
ADP3334 NOT RECOMMENDED FOR NEW DESIGNS High Accuracy Low IQ, 500 mA anyCAP­® Adjustable Low Dropout Regulator
ADP151 PRODUCTION Ultralow Noise, 200 mA, CMOS Linear Regulator
ADP150 PRODUCTION Ultralow Noise, 150 mA CMOS Linear Regulator
Modulators & Demodulators 2
ADL5375 PRODUCTION 400 MHz TO 6 GHz Broadband Quadrature Modulator
ADL5380 RECOMMENDED FOR NEW DESIGNS 400 MHz TO 6000 MHz Quadrature Demodulator
Operational Amplifiers (Op Amps) 1
OP184 PRODUCTION Single-Supply Rail-to-Rail Input/Output Operational Amplifier
Phase-Locked Loop (PLL) Synthesizers 1
ADF4002 RECOMMENDED FOR NEW DESIGNS Phase Detector / PLL Frequency Synthesizer
RF Mixers 2
ADL5801 RECOMMENDED FOR NEW DESIGNS High IP3, 10 MHz TO 6 GHz, Active Mixer
ADL5802 RECOMMENDED FOR NEW DESIGNS Dual Channel High IP3 100 MHz TO 6 GHz Active Mixer
Switching Regulators & Controllers 1
ADP1613 PRODUCTION 650 kHz /1.3 MHz Step-Up PWM DC-to-DC Switching Converter with 2.0 A Current Limit
Modal heading
Add to myAnalog

Add product to the Products section of myAnalog (to receive notifications), to an existing project or to a new project.

Create New Project

Tools & Simulations

ADIsimPLL™

ADIsimPLL enables the rapid and reliable evaluation of new high performance PLL products from ADI. It is the most comprehensive PLL Synthesizer design and simulation tool available today. Simulations performed include all key non-linear effects that are significant in affecting PLL performance. ADIsimPLL removes at least one iteration from the design process, thereby speeding the design- to-market.

Open Tool

ADIsimRF

ADIsimRF is an easy-to-use RF signal chain calculator. Cascaded gain, noise, distortion and power consumption can be calculated, plotted and exported for signal chains with up to 50 stages. ADIsimRF also includes an extensive data base of device models for ADI’s RF and mixed signal components.

Open Tool

Evaluation Kits

eval board
EVAL-ADF4360-1

ADF4360-1 Evaluation Board

Features and Benefits

  • Self-contained board for generating RF frequencies
  • Flexibility for reference input, PFD frequency, and loop bandwidth
  • Accompanying software allows complete control of synthesizer functions from a PC
  • USB/battery-operated 9 V supplies
  • Typical phase noise performance of −141 dBc/Hz at 3 MHz offset
  • Typical spurious performance of −70 dBc at 200 kHz offset (2.0 GHz output)

Product Details

The ADF4360-1EBZ1 evaluation board is designed to allow the user to evaluate the performance of the ADF4360-1 frequency synthesizer consisting of an integrated PLL and VCO. It contains the ADF4360-1BCPZ, a USB connector, and SMA connectors for the RF outputs. Unpopulated SMA footprints are available for the power supplies, the chip enable (CE), and the external reference input. The evaluation board also contains the loop filter to complete the PLL. It can be modified as necessary for the PLL requirements of the user. A USB cable is included with the board to allow software programmability from a PC. 

 

The package also contains a CD with Windows® software to allow quick, user-friendly programming of the synthesizer. The CD contains additional PLL data sheets, technical notes, articles, and ADIsimPLL™ V3.4 (Analog Devices, Inc., PLL simulation software). More information is available at www.analog.com/pll.

EVAL-ADF4360-1
ADF4360-1 Evaluation Board
ADF4360 Evaluation Board ADF4360 Evaluation Board - Top View ADF4360 Evaluation Board - Bottom View

Latest Discussions

No discussions on ADF4360-1 yet. Have something to say?

Start a Discussion on EngineerZone®

Recently Viewed