Quantic X-Microwave

Analog Devices RF and microwave components are available as drop-in X-MWblocks®
from Quantic X-Microwave.

Get the X-MWblock® drop-in module for this part.

ADF5001

PRODUCTION

4 GHz TO 18 GHz Divide-by-4 Prescaler

Viewing:

Overview

  • Divide-by-4 prescaler
  • High frequency operation: 4 GHz to 18 GHz
  • Integrated RF decoupling capacitors
    • Active mode: 30 mA
    • Power-down mode: 7 mA
  • Low phase noise: −150 dBc/Hz
  • Single dc supply: 3.3 V compatible with ADF4xxx PLLs
  • Temperature range: −40°C to +105°C
  • Small package: 3 mm × 3 mm LFCSP

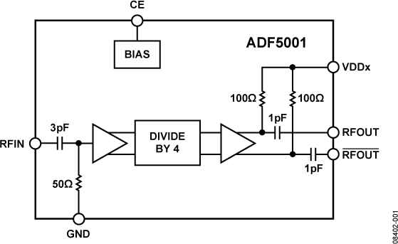
The ADF5001 prescaler is a low noise, low power, fixed RF divider block that can be used to divide down frequencies as high as 18 GHz to a lower frequency suitable for input into a PLL IC, such as the ADF4156 or ADF4106. The ADF5001 provides a divide-by-4 function. The ADF5001 operates off a 3.3 V supply and has differential 100 Ω RF outputs to allow direct interface to the differential RF inputs of PLLs such as the ADF4156 and ADF4106.

Applications

  • PLL frequency range extender
  • Point-to-point radios
  • VSAT radios
  • Communications test equipment
  • ADF5001
    4 GHz TO 18 GHz Divide-by-4 Prescaler
    ADF5001-FBL ADF5001-PC
    Add to myAnalog

    Add product to the Products section of myAnalog (to receive notifications), to an existing project or to a new project.

    Create New Project
    Ask a Question

    Documentation

    Data Sheet 1

    Technical Articles 1

    Evaluation Design File 1

    Frequently Asked Question 1

    Learn More
    Add to myAnalog

    Add media to the Resources section of myAnalog, to an existing project or to a new project.

    Create New Project

    Software Resources

    Can't find the software or driver you need?

    Request a Driver/Software

    Hardware Ecosystem

    Parts Product Life Cycle Description
    LDO Linear Regulators 2
    ADP151 PRODUCTION Ultralow Noise, 200 mA, CMOS Linear Regulator
    ADP150 PRODUCTION Ultralow Noise, 150 mA CMOS Linear Regulator
    Operational Amplifiers (Op Amps) 1
    OP184 PRODUCTION Single-Supply Rail-to-Rail Input/Output Operational Amplifier
    Phase-Locked Loop (PLL) Synthesizers 2
    ADF4156 PRODUCTION 6.2 GHz Fractional-N Frequency Synthesizer
    ADF4106 PRODUCTION 6 GHz integer-N PLL
    Modal heading
    Add to myAnalog

    Add product to the Products section of myAnalog (to receive notifications), to an existing project or to a new project.

    Create New Project

    Tools & Simulations

    ADIsimRF

    ADIsimRF is an easy-to-use RF signal chain calculator. Cascaded gain, noise, distortion and power consumption can be calculated, plotted and exported for signal chains with up to 50 stages. ADIsimRF also includes an extensive data base of device models for ADI’s RF and mixed signal components.

    Open Tool

    ADIsimPLL™

    ADIsimPLL enables the rapid and reliable evaluation of new high performance PLL products from ADI. It is the most comprehensive PLL Synthesizer design and simulation tool available today. Simulations performed include all key non-linear effects that are significant in affecting PLL performance. ADIsimPLL removes at least one iteration from the design process, thereby speeding the design- to-market.

    Open Tool

    Evaluation Kits

    eval board
    EVAL-ADF5001

    ADF5001 Evaluation Board

    Product Details

    This page contains ordering information for the evaluation board used to evaluate the ADF5001 4 GHz to 18 GHz Divide-by-4 Prescaler.

    EVAL-ADF5001
    ADF5001 Evaluation Board
    ADF5001 Evaluation Board

    Reference Designs

    Low Noise Microwave Fractional-N PLL
    CN0174 Circuits from the lab

    Low Noise, 12 GHz, Microwave Fractional-N Phase-Locked Loop (PLL) Using an Active Loop Filter and RF Prescaler

    Features and Benefits

    • Fractional-N PLL up to 18GHz
    • Low system phase noise of 0.35 ps rms @ 12GHz
    CN0174
    Low Noise, 12 GHz, Microwave Fractional-N Phase-Locked Loop (PLL) Using an Active Loop Filter and RF Prescaler
    Low Noise Microwave Fractional-N PLL

    Latest Discussions

    Recently Viewed