概览
产品类别
领域和技术
所用产品
参考资料
-
CN-0373:隔离式USB转隔离式RS-485/隔离式RS-232接口2015/8/11PDF1 M
电路功能与优势
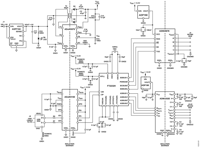
图1所示电路提供使用广泛的USB总线与RS-485或RS-232总线之间的完全隔离连接。信号和电源隔离确保USB设备与工业总线或调试端口之间实现安全接口, 允许监控TIA/EIA-485/232总线流量,并且便于向未配备RS-485或RS-232端口的PC发送命令或从该PC接收命令。
本电路中的隔离能提供电气线路浪涌保护并断开总线和数字引脚之间的接地连接,增加系统安全性和鲁棒性,进而消除系统中可能存在的接地环路。
在工业和仪器仪表应用中,TIA/EIA RS-485总线标准是使用广泛的物理层总线设计标准之一。RS-485提供多个系统之间的差分数据传输,这些系统通常相距很远。相比RS-232标准,RS-485通信可通过差分通信方式提供额外的鲁棒性。
TIA/EIA RS-232器件广泛用于工业机器、网络设备和科研仪器中。在现代个人电脑中(个人电脑经常用来调试网络问题),大部分外设接口已经采用USB代替RS-232,并且很多电脑不再配备RS-232端口。图1中的电路为RS-232和RS-485接口提供鲁棒而紧凑的解决方案。
(簡略回路図、一部の接続は省略されています)
电路描述
图1中的电路提供完全符合TIA/EIA-485/232标准、高度集成且鲁棒隔离性能的收发机。ADM3252E 2.5 kV rms隔离式RS-232和 ADM2587E2.5 kV rms隔离式RS-485解决方案是业界尺寸较小的解决方案。ADuM3160提供市场较领先的USB端口2.5 kV rms隔离,可轻松实现与低速和全速USB兼容外设的集成。FTDI FT2232H(USB至UART转换器)能为通过UART转RS-485或RS-232总线端口进行传输提供方便。TIA/EIA RS-232器件广泛用于工业机器、网络设备和科研仪器中。RS-485的应用包括:过程控制网络、工业自动化、远程终端、楼宇自动化(例如,暖通空调(HVAC)、保安系统)、电机控制和运动控制。
在这些实际的系统中,雷击和电源波动会通过产生较大瞬变电压对通信端口造成损害。图电路的隔离可针对这些电气线路浪涌提供保护,增加系统安全性。

图2显示隔离式USB转FTDI隔离式RS-232/隔离式RS-485电路的照片。如有需要,该电路可实现USB端口至RS-485和RS-232端口的同步发送,也可仅发送一个端口。
ADuM3160提供USB总线D+和D−输入端数据信号到FTDI FT2232H(USB至UART转换器)的2.5 kV rms数字隔离。隔离式USB输出DD−和DD+信号分别连接FTDI的DM和DP引脚。FTDI FT2232H可通过UART转RS-232/RS-485接口发送数据,具体取决于所选PC虚拟COM端口(VCP)。ADuM3160通过USB电缆连接提供VBUS1电源。ADuM3070提供稳压隔离电源。ADuM3070的电源(+6 V)和接地通过J1管式插口连接器相连。ADuM3160 VBUS2引脚采用ADuM3070的3.3 V隔离电源供电。ADuM3070 3.3V输出还为ADM3252E 2.5 kV rms隔离式RS-232和ADM2587E 2.5 kV rms隔离式RS-485收发机提供主电源。
ADM2587E 2.5 kV rms隔离式RS-485收发机是业界较领先的信号和电源隔离解决方案。该收发机可在3.3 V或5 V下工作。数据通过TxD引脚发送,通过RxD引脚接收。驱动器和接收器的输出都可使能或禁用,即通过改变DE和 RE 引脚上的相应逻辑电平,进入高阻抗状态。
FTDI输出引脚BDBUS0连接ADM2587E的TxD数据输入引脚。FTDI输出引脚BCBUS0、PWREN#和BDBUS1分别连接ADM2587E的DE、 RE和RxD输入引脚。DE和RE 引脚状态还可通过LK1和LK2跳线配置。对每条链路而言,位置A连接逻辑引脚至3.3 V,位置B连接逻辑引脚至GND,位置C连接逻辑引脚至FTDI输出引脚。
ADM2587E可通过A、B、Y和Z RS-485输入/输出发送和接收总线数据。RS-485总线电缆可通过J2五路连接器连接。断开LK5和LK6跳线连接可将ADM2587E置于全双工配置下,在该配置下数据可通过Y和Z引脚发送,并通过A和B引脚接收。连接LK5和LK6跳线可将ADM2587E输入/输出置于半双工配置下,在该配置下仅能发送或接收总线数据,不能同时收发。
ADM3252E是一款高速、2.5 kV、完全隔离、双通道RS-232/V.28收发机,采用3.3 V或5 V单电源供电。RS-232接口支持全双工通信,通过J5五路连接器或J3连接器为CTS和RTS提供硬件握手。J3提供RS-232电缆连接器,用来连接工业设备。
ADM3252E发射机输入(TINx)支持从FTDI的ADBUS0和ADBUS2引脚输出的FTDITTL/CMOS输入电平。TInx输入反转并跨越隔离栅耦合,然后作为EIA/TIA-232E总线信号通过J3或J5连接器发送。ADM3252E接收机输入(RINx)支持来自J3或J5连接器的EIA/TIA-232E信号电平。RInx输入反转并跨越隔离栅耦合至ROUTx引脚。ROUTx引脚连接FTDI的ADBUS1和ADBUS3输入。
使用两个独立的ADP190电路作为软启动电路,并在FTDIFT2232H完全上电后为ADM2587E和ADM3252E供电。跳线LK7通过74AHC1G14W5-7逆变器将FTDI FT2232H PWREN#引脚连接至ADP190电路的EN引脚。ADP190 EN引脚必须为高电平才能开启电源开关;驱动EN至低电平可关闭电源开关。连接位置A的LK7(位置B断开连接)表示ADP190 EN引脚始终为高电平/使能。连接位置B的LK7(位置A断开连接)表示ADP190 EN引脚通过PWREN#反转信号触发。
FTDI FT2232H数据手册提供RS-232通信的引脚功能完整列表。LK3和LK4跳线支持RS-232握手选项。LK3连接时,ADBUS4 (DTR#)连接到ADBUS5 (DSR#)。LK4连接时,ADBUS4 (DTR#)连接到ADBUS6 (DCD#)。
电路评估与测试
在J1管式插口连接器上施加6 V电压,为EVAL-CN0373-EB1Z 板供电。可在ADP7102稳压器输出端的VCC_REG测试点上 检查该电压。ADP7102输出电压测量值应当为5 V。5 V电压 路由至ADuM3070和T2变压器,然后为RS-485、RS-232和 FTDI电路提供3.3 V电源输出。检查ISO_VCC测试点,该点 处的测量电压应当为3.3V。
通过将RS-232和RS-485输出连接至ADI ezLINX™ iCoupler®隔 离接口开发环境板,可测试完整的发送和接收路径。此 外,还可通过Tera Term开源终端仿真程序执行USB转RS-232/RS-485发送测试。如有需要,该电路可实现USB端口至 RS-485和RS-232端口的同步发送,也可仅发送一个端口。
使用USB电缆连接笔记本电脑/PC与J4连接器。将示波器探 针与ADM3252E收发机旁边的ISOTxD测试点相接,如图3 所示。打开PC应用软件,选择COM5,然后单击OK(确定),如图4所示。
单击File(文件)菜单下的Send(发送)按钮,载入待发送的 RS-232数据。选择用于连续测试传输的大数据尺寸文件并 单击Send(发送),如图5所示。

端口进行USB传输的Tera Term COM5
端口进行USB传输的Tera Term COM5数据
用探针探测EVAL-CN0373-EB1Z板上的ISOTxD测试点,通过示波器观察隔离式RS-232信号(见图6)。

可针对ADM2587E收发机执行类似的测试。使用USB电缆 连接笔记本电脑/PC与J4连接器。将示波器探针与 ADM2587E收发机旁边的Y和Z测试点相接,如图3所示。 打开第二个Tera Term仿真器窗口,选择COM6用于RS-485 传输,如图7所示。
端口进行USB传输的Tera Term COM6
单击File(文件)菜单下的Send(发送)按钮,载入待发送的 RS-485数据。选择用于连续测试传输的大数据尺寸文件并 单击Send(发送),如图8所示。
端口进行USB传输的Tera Term COM6数据
用探针探测Y和Z测试点,通过示波器观察隔离式RS-485信号;或者使用示波器的Y – Z数学函数观察差分总线信号, 如图9所示。
端口的Y – Z数学波形
完整的设计支持包包括示意图,装配,材料清单和布局文件请点击http://www.analog.com/CN0373-DesignSupport.
