TMC2241

推荐用于新设计

65V 2ARMS Smart Integrated Stepper Driver with S/D and SPI

产品技术资料帮助

ADI公司所提供的资料均视为准确、可靠。但本公司不为用户在应用过程中侵犯任何专利权或第三方权利承担任何责任。技术指标的修改不再另行通知。本公司既没有含蓄的允许,也不允许借用ADI公司的专利或专利权的名义。本文出现的商标和注册商标所有权分别属于相应的公司。

Viewing:

概述

  • Voltage Range: 4.5V to 65V DC
  • Low RON (HS + LS): 0.31Ω Typical (TA = 25°C)
  • Current Ratings per H-Bridge (Typical at 25°C):
    • 2ARMS (2.8A Sine Peak) at VS = 24V
    • 1.7ARMS (2.4A Sine Peak) at VS = 48V
  • Fully Integrated Lossless Current Sensing
  • Step/Direction (S/D) Interface with MicroPlyer StepInterpolation
  • SPI and Single-Wire UART
  • Encoder Interface
  • Highest Resolution of 256 Microsteps per Full Step
  • Flexible Wave Table and Phase Shift to Match Motor
  • StealthChop2 Silent Motor Operation
  • SpreadCycle Highly Dynamic Motor Control Chopper
  • Jerk-Free Combination of StealthChop2 andSpreadCycle
  • StallGuard2 and StallGuard4 Sensorless Motor LoadDetection
  • CoolStep Current Control for Energy Savings up to75%
  • Passive Braking and Freewheeling Mode
  • Motor Phase Temperature Estimation
  • Chip Temperature Measurement
  • General Purpose Analog Input
  • Full Protection and Diagnostics
  • Overvoltage Protection Output
  • Compact 5mm x 7mm TQFN38 Package

The TMC2241 is a smart, high-voltage stepper driver IC with step and direction control and serial communication interfaces. It combines the industry’s most advanced stepper motor driver based on the 256 microsteps, built-in indexer and two fully integrated 65V, 3.0AMAX H-bridges, plus non-dissipative integrated current sensing (ICS).

ADI-Trinamic's sophisticated StealthChop2 chopper ensures absolutely noiseless operation combined with maximum efficiency and best motor torque.

Please see the Data Sheet for the full description.

APPLICATIONS

  • Textile, Sewing Machines, Knitting Machines
  • Lab and Factory Automation
  • ID Printers/Card Printers
  • Liquid Handling, Medical Applications
  • Office Automation and Paper Handling
  • POS, Massage Chairs
  • ATM, Cash Recycler, Bill Validators, Cash Machines
  • CCTV, Security
  • Pumps and Valve Control
  • Heliostat and Antenna Positioning
  • Stage Lighting

TMC2241
65V 2ARMS Smart Integrated Stepper Driver with S/D and SPI
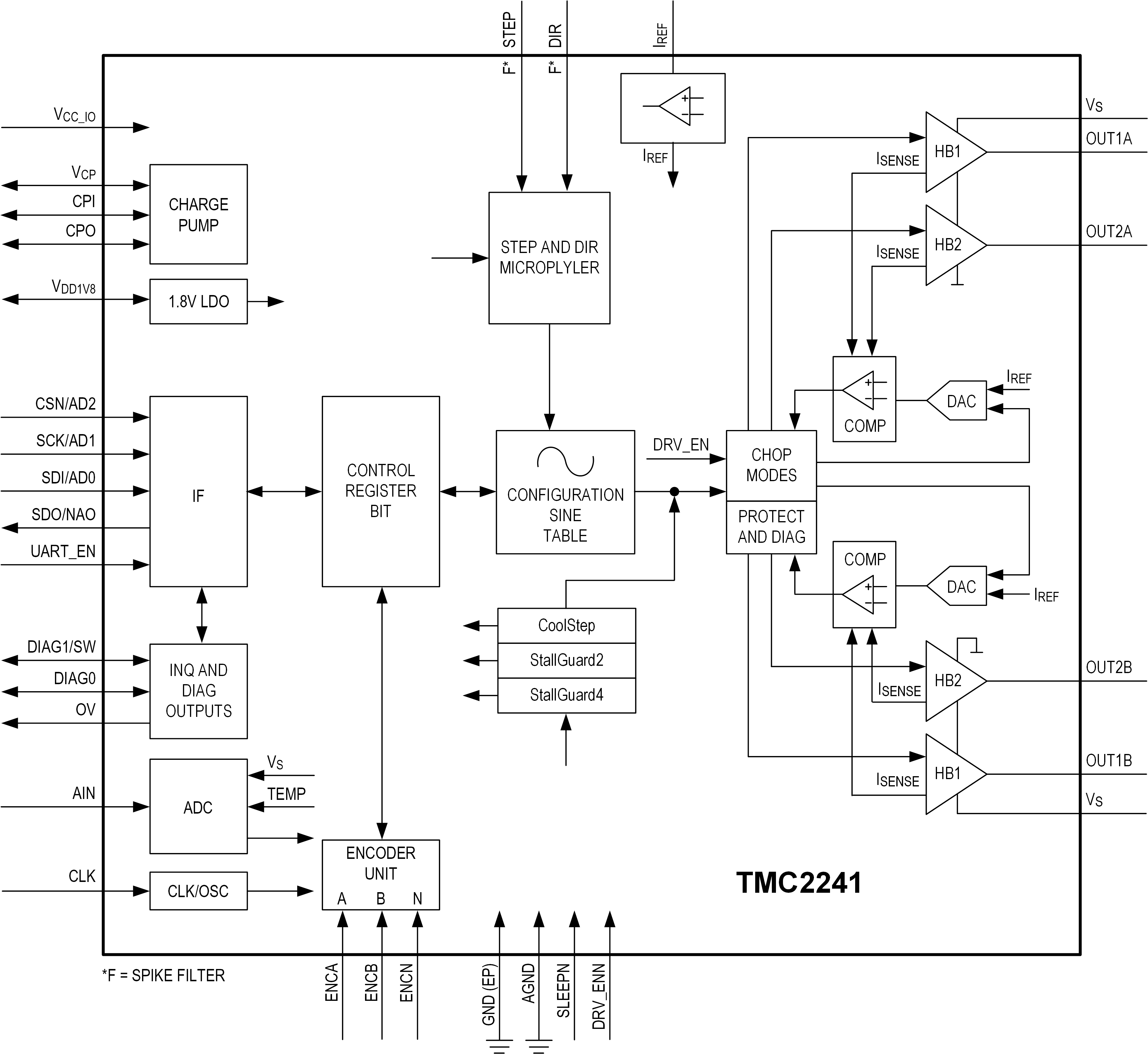
TMC2241 Functional Block Diagram TMC2241 Pin Configuration TMC2241 Chip Illustration
添加至 myAnalog

将产品添加到myAnalog 的现有项目或新项目中(接收通知)。

创建新项目
提问

参考资料

了解更多
添加至 myAnalog

Add media to the Resources section of myAnalog, to an existing project or to a new project.

创建新项目

软件资源

找不到您所需的软件或驱动?

申请驱动/软件

硬件生态系统

部分模型 产品周期 描述
TMC2130 推荐用于新设计 Silent stepper motor driver 5 to 46V, up to 1.2A with S/D and SPI Interface, 256 µSteps, CoolStep, StallGuard and StealthChop
TMC2160 推荐用于新设计 Stepper motor driver 8 to 60V, for external N-Fets with S/D and SPI Interface, 256 µSteps, CoolStep, StallGuard2, SpreadCycle and StealthChop2
Modal heading
添加至 myAnalog

将产品添加到myAnalog 的现有项目或新项目中(接收通知)。

创建新项目

评估套件

eval board
TMC2241-EVKIT

TMC2241 Smart High-Performance Stepper Motor Controller and Driver IC

特性和优点

  • 4.5V to 65V DC Single-Supply Voltage Range
  • Current Ratings per H-Bridge (25°C, typ):
    • IRMS = 2ARMS (2.8A sine peak) at VS = 24V
    • IRMS = 1.7ARMS (2.4A sine peak) at VS = 48V
    • SPI and Single-Wire UART
    • Encoder Interface and Step/Dir Input
    • Brake Output

产品详情

The TMC2241-EVKIT is part of the ADI-Trinamic evaluation board system. The boards included in this kit, in combination with the TMCL-IDE, allow an uncomplicated first evaluation of the TMC2241, while also providing full control of all its features.

The TMC2241 is a smart, high-performance, stepper motor controller and driver IC with serial communication interfaces (SPI, UART) and extensive diagnostic capabilities. It combines a flexible, jerk-optimized ramp generator for automatic target positioning. It also features the industry’s most advanced stepper motor driver based on a 256-microstep, built-in indexer and fully integrated 65V, 3.0AMAX H-bridges plus nondissipative integrated current sensing (ICS).

TMC2241-EVKIT
TMC2241 Smart High-Performance Stepper Motor Controller and Driver IC
TMC2241-EVKIT Board Photo Angle View TMC2241-EVKIT Board Photo Bottom View TMC2241-EVKIT Board Photo Top View

最新评论

需要发起讨论吗? 没有关于 TMC2241的相关讨论?是否需要发起讨论?

在EngineerZone®上发起讨论

近期浏览