MAX7322

量产

I²C端口扩展器,提供4路推挽输出和4路输入

低电压I²C端口扩展器,具有4路推挽式输出和4路输入端口

产品技术资料帮助

ADI公司所提供的资料均视为准确、可靠。但本公司不为用户在应用过程中侵犯任何专利权或第三方权利承担任何责任。技术指标的修改不再另行通知。本公司既没有含蓄的允许,也不允许借用ADI公司的专利或专利权的名义。本文出现的商标和注册商标所有权分别属于相应的公司。

Viewing:

概述

  • 400kHz I²C串行接口
  • +1.71V至+5.5V工作电压
  • 4路推挽输出端口,能吸收20mA电流
  • 4路输入端口具有可屏蔽、带锁存的瞬态检测功能
  • 输入端口具有+6V过压保护
  • 锁存瞬态变化,允许在读操作之间做检测
  • 在所选任意输入发生变化时产生/INT输出告警
  • 通过AD0和AD2输入选择16个从地址
  • 低待机电流:0.6µA (典型值)
  • -40°C至+125°C工作温度范围

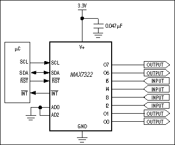
2线串行接口外设MAX7322具有4路推挽输出和4路带可选内部上拉的输入端口。输入端口具备+6V过压保护,还有带中断输出的瞬态检测特性。

器件连续监视4个输入端口的状态变化(瞬态检测)。并锁存中断,实现对瞬态变化的检测。可选择任意输入组合来触发可屏蔽的中断,产生开漏/INT输出。当随后通过串行接口访问MAX7322时,任何未决的中断均被清除。

4路推挽输出额定吸收电流为20mA,可驱动LED。

/RST输入可清零串行接口,终止与MAX7322的任何I²C通信。

MAX7322采用带有4电平逻辑的两个地址输入,可支持16个I²C从地址。从地址还能设置4个输出端口的上电默认逻辑状态,使能或禁止输入端口的40kΩ内部上拉电阻。

MAX7322是引脚兼容的端口扩展器件系列之一,带有可选的输入端口、开漏I/O端口和推挽输出端口(参见完整数据资料中的表1)。

MAX7322提供16引脚QSOP和TQFN封装,工作于-40°C至+125°C汽车级温度范围。

应用

  • 蜂窝电话
  • 笔记本电脑
  • SAN/NAS
  • 卫星通信
  • 服务器

MAX7322
I²C端口扩展器,提供4路推挽输出和4路输入
MAX7322:典型应用电路
添加至 myAnalog

将产品添加到myAnalog 的现有项目或新项目中(接收通知)。

创建新项目
提问

参考资料

了解更多
添加至 myAnalog

Add media to the Resources section of myAnalog, to an existing project or to a new project.

创建新项目

软件资源


硬件生态系统

部分模型 产品周期 描述
I/O扩展器 9
MAX7327 量产 I²C端口扩展器,提供12路推挽式输出和4路漏极开路I/O
MAX7326 量产 I²C端口扩展器,提供12路推挽式输出和4路输入
MAX7324 量产 I²C端口扩展器,提供8路推挽式输出和8路输入
MAX7319 量产 I²C端口扩展器,具有8路输入,可屏蔽瞬态检测
MAX7320 量产 I²C端口扩展器,提供8路推挽式输出
MAX7321 量产 I²C端口扩展器,具有8路漏极开路I/O
MAX7323 量产 I²C端口扩展器,提供4路推挽式输出和4路漏极开路I/O
MAX7328 量产 I²C端口扩展器,带有八个I/O口
MAX7329 量产 I²C端口扩展器,带有八个I/O口
Modal heading
添加至 myAnalog

将产品添加到myAnalog 的现有项目或新项目中(接收通知)。

创建新项目

工具及仿真模型


评估套件

MAX7322EVKIT

MAX7322评估板/评估系统

特性和优点

  • 400kHz I²C 2线串行接口
  • 1.71V至5.5V工作电压
  • 4路推挽输出端口,额定吸收20mA电流
  • 4路输入端口具有可屏蔽、带锁存的瞬态检测功能
  • 经过验证的PCB布局
  • Windows 98SE/2000/XP兼容的评估软件
  • 经过完全安装与测试
  • 评估系统:通过USB与PC连接

产品详情

MAX7322评估板(EV kit)是完全安装并经过测试的电路板(PCB),用于演示具有4路推挽输出和4路输入端口的I²C端口扩展器MAX7322的性能。MAX7322评估板还包含Windows® 98SE/2000/XP兼容的软件,提供简便的图形化用户界面(GUI)以评估MAX7322的性能。

MAX7322评估系统(EV system)包括MAX7322评估板和Maxim CMAXQUSB串行接口板。

CMAXQUSB板连接PC的USB接口,允许传送I²C命令至MAX7322评估板。

评估板板预装有MAX7322ATE+。MAX7322评估板还可用于评估MAX7319/MAX7320/MAX7321/MAX7323。欲评估引脚兼容的MAX7319ATE+、MAX7320ATE+、MAX7321ATE+或MAX7323ATE+,请联系工厂索取免费样片。

应用

  • 汽车
  • 蜂窝电话
  • 笔记本电脑
  • SAN/NAS
  • 卫星通信
  • 服务器

MAX7322EVCMAXQU

MAX7322评估板/评估系统

特性和优点

  • 400kHz I²C 2线串行接口
  • 1.71V至5.5V工作电压
  • 4路推挽输出端口,额定吸收20mA电流
  • 4路输入端口具有可屏蔽、带锁存的瞬态检测功能
  • 经过验证的PCB布局
  • Windows 98SE/2000/XP兼容的评估软件
  • 经过完全安装与测试
  • 评估系统:通过USB与PC连接

产品详情

MAX7322评估板(EV kit)是完全安装并经过测试的电路板(PCB),用于演示具有4路推挽输出和4路输入端口的I²C端口扩展器MAX7322的性能。MAX7322评估板还包含Windows® 98SE/2000/XP兼容的软件,提供简便的图形化用户界面(GUI)以评估MAX7322的性能。

MAX7322评估系统(EV system)包括MAX7322评估板和Maxim CMAXQUSB串行接口板。

CMAXQUSB板连接PC的USB接口,允许传送I²C命令至MAX7322评估板。

评估板板预装有MAX7322ATE+。MAX7322评估板还可用于评估MAX7319/MAX7320/MAX7321/MAX7323。欲评估引脚兼容的MAX7319ATE+、MAX7320ATE+、MAX7321ATE+或MAX7323ATE+,请联系工厂索取免费样片。

应用

  • 汽车
  • 蜂窝电话
  • 笔记本电脑
  • SAN/NAS
  • 卫星通信
  • 服务器

MAX7322EVKIT
MAX7322评估板/评估系统
MAX7322EVCMAXQU
MAX7322评估板/评估系统

最新评论

需要发起讨论吗? 没有关于 MAX7322的相关讨论?是否需要发起讨论?

在EngineerZone®上发起讨论

近期浏览