MAX6889

量产

EEPROM可编程、八/六/四路电源排序器/监控电路

产品技术资料帮助

ADI公司所提供的资料均视为准确、可靠。但本公司不为用户在应用过程中侵犯任何专利权或第三方权利承担任何责任。技术指标的修改不再另行通知。本公司既没有含蓄的允许,也不允许借用ADI公司的专利或专利权的名义。本文出现的商标和注册商标所有权分别属于相应的公司。

Viewing:

概述

  • 8个(MAX6889)、6个(MAX6890)、4个(MAX6891)可设置输入电压探测器
    高电压输入(1.25V至7.625V或2.5V至13.2V)
    6个(MAX6889)、5个(MAX6890)、3个(MAX6891)电压输入(0.5V至3.05V或1V至5.5V)
    附加(MAX6889)高电压输入(1.25V至7.625V或2.5V至15.25V)
  • 4个(MAX6889/MAX6890)或3个(MAX6891)通用逻辑输入
  • 可设置看门狗定时器
  • 10个(MAX6889)、8个(MAX6890)、5个(MAX6891)可编程输出
    高电平有效、低电平有效、开漏以及弱上拉
    25µs至1600ms延时
  • 余量禁止和手动复位控制
  • 512位内部用户EEPROM
    耐久性:100,000次擦/写
    数据保持:10年
  • I²C/SMBus兼容串行设置/通信接口
  • ±1%门限精度
  • MAX6889/MAX6890/MAX6891 EEPROM可编程、多电压电源排序器/监视器可监视多路电压探测器输入和通用逻辑输入,并提供可编程输出,适用于高度可配置的电源排序应用。MAX6889具有8路电压探测器输入和10路可编程输出,MAX6890具有6路电压探测器输入和8路可编程输出,而MAX6891具有4路电压探测器输入和5路可编程输出。手动复位和余量禁止输入提供了更多的灵活性。

    所有电压探测器欠压门限可设。高电压输入IN1以50mV增量监视2.5V至13.2V电压,或以25mV增量监视1.25V至7.625V电压。输入IN2&@8211;IN7以20mV增量监视1V至5.5V电压,或以10mV增量监视0.5V至3.05V电压。高电压输入IN8以50mV增量监视2.5V至15.25V电压,或以25mV增量监视1.25V至7.625V电压。可编程输出级控制电源排序或系统复位/中断。可编程输出选项包括:高电平有效、低电平有效、开漏及弱上拉。可编程时延模块可设置每路输出在解除报警前等待25µs至1600ms。

    MAX6889/MAX6890/MAX6891的看门狗定时器进一步增强了灵活性。可编程通过一个或多个可编程输出报警。初始和正常看门狗超时可分别在6.25ms至102.4s之间设置。

    SMBus™/I²C兼容的2线串行接口用于与配置EEPROM、配置寄存器及内部512位用户EEPROM通信,并对其编程。

    MAX6889/MAX6890/MAX6891可提供5mm x 5mm x 0.8mm薄型QFN封装,工作在扩展温度范围(-40°C至+85°C)。

    应用

    • 多处理器/电压系统
    • 网络系统
    • 服务器与工作站
    • 存储设备
    • 电信/局端设备
    • 无线基站

    MAX6889
    EEPROM可编程、八/六/四路电源排序器/监控电路
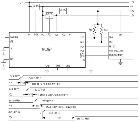
    MAX6889,MAX6890,MAX6891:典型工作电路
    添加至 myAnalog

    将产品添加到myAnalog 的现有项目或新项目中(接收通知)。

    创建新项目
    提问

    参考资料

    了解更多
    添加至 myAnalog

    Add media to the Resources section of myAnalog, to an existing project or to a new project.

    创建新项目

    软件资源

    找不到您所需的软件或驱动?

    申请驱动/软件

    硬件生态系统

    部分模型 产品周期 描述
    电源系统管理(PSM)和时序控制器 4
    MAX6892 量产 引脚可设置八/六/四路电源排序器/监控器
    MAX6870 量产 EEPROM可编程、六/四路电源排序器/监控电路,带有ADC
    MAX6872 过期 EEPROM可编程、六/四路电源排序器/监控电路,提供电荷泵输出
    MAX6874 过期 EEPROM可编程、六/四路电源排序器/监控电路
    监控电路和复位器IC 1
    MAX6884 量产 EEPROM可编程、六路电源监控电路,带有ADC
    Modal heading
    添加至 myAnalog

    将产品添加到myAnalog 的现有项目或新项目中(接收通知)。

    创建新项目

    评估套件

    MAX6889EVKIT

    MAX6889评估板/评估系统

    特性和优点

  • 经过验证的PCB布局
  • 完整的评估系统
  • 方便的板上测试点
  • 完全装配并经过测试
  • 产品详情

    MAX6889评估系统(EV system)由MAX6889评估板(EV kit)和Maxim的CMAXQUSB命令模块组成。MAX6889/MAX6892 EEPROM可编程、多电压电源排序器/监视器能够监视多路电压检测输入和两路逻辑输入,并提供可编程输出,适用于高度可配置的电源电压排序。评估软件运行在Windows® 98/2000/XP环境下,提供方便的用户接口测试MAX6889的性能。

    若利用PC机实现MAX6889的全面评估,请定购完整的评估系统(MAX6889EVCMAXQ);若已经购买了含有命令模块的其它Maxim评估系统或用户采用基于其它微控制器(µC)的系统,则只需定购评估板(MAX6889EVKIT)。

    这个系统还可用于评估MAX6892。免费申请MAX6892ETJ样品请与工厂联系。

    应用

    • 多处理器/电压系统
    • 网络系统
    • 服务器与工作站
    • 存储设备
    • 电信/局端设备
    • 无线基站

    MAX6889EVCMAXQU

    MAX6889评估板/评估系统

    特性和优点

  • 经过验证的PCB布局
  • 完整的评估系统
  • 方便的板上测试点
  • 完全装配并经过测试
  • 产品详情

    MAX6889评估系统(EV system)由MAX6889评估板(EV kit)和Maxim的CMAXQUSB命令模块组成。MAX6889/MAX6892 EEPROM可编程、多电压电源排序器/监视器能够监视多路电压检测输入和两路逻辑输入,并提供可编程输出,适用于高度可配置的电源电压排序。评估软件运行在Windows® 98/2000/XP环境下,提供方便的用户接口测试MAX6889的性能。

    若利用PC机实现MAX6889的全面评估,请定购完整的评估系统(MAX6889EVCMAXQ);若已经购买了含有命令模块的其它Maxim评估系统或用户采用基于其它微控制器(µC)的系统,则只需定购评估板(MAX6889EVKIT)。

    这个系统还可用于评估MAX6892。免费申请MAX6892ETJ样品请与工厂联系。

    应用

    • 多处理器/电压系统
    • 网络系统
    • 服务器与工作站
    • 存储设备
    • 电信/局端设备
    • 无线基站

    MAX6889EVKIT
    MAX6889评估板/评估系统
    MAX6889EVCMAXQU
    MAX6889评估板/评估系统

    最新评论

    需要发起讨论吗? 没有关于 MAX6889的相关讨论?是否需要发起讨论?

    在EngineerZone®上发起讨论

    近期浏览