MAX5077

不推荐用于新设计

集成推挽式FET驱动器,带有振荡器和可编程时钟输出

产品技术资料帮助

ADI公司所提供的资料均视为准确、可靠。但本公司不为用户在应用过程中侵犯任何专利权或第三方权利承担任何责任。技术指标的修改不再另行通知。本公司既没有含蓄的允许,也不允许借用ADI公司的专利或专利权的名义。本文出现的商标和注册商标所有权分别属于相应的公司。

Viewing:

概述

  • 专门用于电流馈电、推挽式驱动器子系统
  • 振荡器频率可设置在50kHz至1.5MHz之间
  • +4.5V至+15V单电源供电
  • ±3A峰值栅极驱动电流
  • 在250kHz频率下,并且无容性负载时,工作电流为1mA
  • 为前级PWM控制器提供可选的同步时钟频率
  • 热增强型14引脚TSSOP封装
  • 工作温度范围为-40°C至+125°C

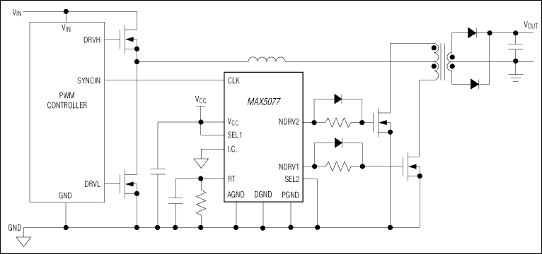
MAX5077是一款内置振荡器的+4.5V至+15V推挽式电流馈电拓扑驱动器子系统,用于电信模块电源。该器件可驱动与中心抽头变压器原边相连的两个MOSFET,为副边提供隔离的负电压或正电压。MAX5077内部集成可编程的精确振荡器,具有同步时钟输出,可同步外部PWM调节器。通过单个外部电阻可将内部振荡器频率设置为50kHz至1.5MHz。

MAX5077内置峰值驱动电流为±3A和占空比为50%的双MOSFET驱动器。该MOSFET驱动器产生互补信号来驱动以地为参考的外部n沟道MOSFET。

MAX5077的时钟输出频率通过逻辑输入进行设置,时钟输出频率与MOSFET驱动器频率比可设置为1倍、2倍或4倍。

MAX5077采用带裸露焊盘的14引脚TSSOP封装,可工作在-40°C至+125°C温度范围。

应用

  • 电流反馈电源
  • 电源子系统
  • 推挽式驱动子系统

MAX5077
集成推挽式FET驱动器,带有振荡器和可编程时钟输出
MAX5077:典型工作电路
添加至 myAnalog

将产品添加到myAnalog 的现有项目或新项目中(接收通知)。

创建新项目
提问

参考资料

了解更多
添加至 myAnalog

Add media to the Resources section of myAnalog, to an existing project or to a new project.

创建新项目

软件资源

找不到您所需的软件或驱动?

申请驱动/软件

硬件生态系统

部分模型 产品周期 描述
MOSFET和栅极驱动器 1
MAX5075 量产 集成推挽式FET驱动器,带有振荡器和时钟输出
Modal heading
添加至 myAnalog

将产品添加到myAnalog 的现有项目或新项目中(接收通知)。

创建新项目

最新评论

需要发起讨论吗? 没有关于 MAX5077的相关讨论?是否需要发起讨论?

在EngineerZone®上发起讨论

近期浏览