MAX3380E

量产

+2.35V至+5.5V、1µA、2Tx/2Rx RS-232收发器,带有±15kV ESD保护、输入/输出和逻辑引脚

理想用于数据电缆应用

产品技术资料帮助

ADI公司所提供的资料均视为准确、可靠。但本公司不为用户在应用过程中侵犯任何专利权或第三方权利承担任何责任。技术指标的修改不再另行通知。本公司既没有含蓄的允许,也不允许借用ADI公司的专利或专利权的名义。本文出现的商标和注册商标所有权分别属于相应的公司。

Viewing:

概述

  • 所有CMOS及RS-232输入、输出均采用±15kV ESD保护(/INVALID除外)
    • ±15kV人体模型
    • ±15kV IEC 1000-4-2气隙放电
    • ±8kV IEC 1000-4-2接触放电
  • 工作在整个Li+电池电压范围内
  • 逻辑门限降低到可兼容手机逻辑电源电压+1.65V
  • 1µA低功耗AutoShutdown Plus模式
  • 兼容下一代GSM数据速率
  • 20引脚TSSOP封装

MAX3380E/MAX3381E为+2.35V至+5.5V供电的、符合EIA/TIA-232及V.28/V.24协议的接口芯片,具有对电源要求低、高数据速率及增强的TTL及RS-232端口静电放电(ESD)保护功能。MAX3380E/MAX3381E内置两路接收器和两路发送器,所有的RS-232输入、输出以及逻辑输入引脚均按人体模型和IEC 1000-4-2空气间隙放电方法规定的±15kV ESD,及IEC 1000-4-2接触放电方法规定的±8kV ESD保护。

该类器件具有独特的低压差发送器输出级,采用单电源:+3.1V至+5.5V供电时,内部双电荷泵电路保证提供真正的RS-232规格。电源电压小于+3.1V且大于+2.35V时,器件降低了传送器输出电平到仍可兼容RS-232电平的程度,且不增加电源电流。+2.35V至+5.5V的运行范围完全兼容于锂离子(Li+)电池。电荷泵电路仅需外接4个0.1µF的小电容。

MAX3380E/MAX3381E收发器采用Maxim独特的AutoShutdown Plus™技术特性来自动进入1µA关断模式。如果接收器或传送器输入端上30秒内未检测到有效信号传输,这些器件就关断板上电源和驱动器。

MAX3380E数据速率达460kbps时可保持RS-232输出电平;MAX3381E的数据速率可达250kbps,MAX3381E为有噪声和EMI的应用提供更低的摆率。MAX3380E/MAX3381E具有独特的VL引脚,允许在混合逻辑电压系统内配合低至+1.65V的工作电压使用;输入和输出逻辑电平均通过VL引脚设置。MAX3380E/MAX3381E采用节省空间的TSSOP封装。

应用

  • 蜂窝数据电缆
  • 数码相机
  • GPS接收机
  • PDA数据装载电缆

MAX3380E
+2.35V至+5.5V、1µA、2Tx/2Rx RS-232收发器,带有±15kV ESD保护、输入/输出和逻辑引脚
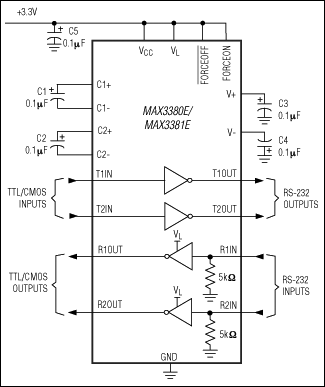
MAX3380E、MAX3381E:典型工作电路
添加至 myAnalog

将产品添加到myAnalog 的现有项目或新项目中(接收通知)。

创建新项目
提问

参考资料

了解更多
添加至 myAnalog

Add media to the Resources section of myAnalog, to an existing project or to a new project.

创建新项目

硬件生态系统

部分模型 产品周期 描述
接口收发器和隔离器 3
MAX3222E 量产 ±15kV ESD保护、电流低至10nA、3.0V至5.5V供电、速率高达1Mbps的真RS-232收发器
MAX3224E 量产 ±15kV ESD保护、1µA、1Mbps、3.0V至5.5V、RS-232收发器,提供AutoShutdown Plus
MAX3225E 推荐用于新设计 ±15kV ESD保护、1µA、1Mbps、3.0V至5.5V、RS-232收发器,提供AutoShutdown Plus
Modal heading
添加至 myAnalog

将产品添加到myAnalog 的现有项目或新项目中(接收通知)。

创建新项目

最新评论

需要发起讨论吗? 没有关于 MAX3380E的相关讨论?是否需要发起讨论?

在EngineerZone®上发起讨论

近期浏览