MAX3084
量产失效保护、高速(10Mbps)、限摆率、RS-485/RS-422收发器
- 产品模型
- 5
概述
- 针对容错应用:
MAX3430:±80V故障保护、故障安全、1/4单位负载、+3.3V RS-485收发器 - 针对低压应用:
MAX3362:+3.3V、高速、RS-485/RS-422收发器,采用SOT23封装 - 针对多收发器应用:
MAX3030E-MAX3033E:±15kV ESD保护、+3.3V、四通道RS-422发射器
MAX3040-MAX3045:±10kV ESD保护、四通道、+5V、RS-485/RS-422发射器
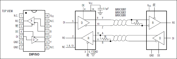
支持RS-485/RS-422通信的MAX3080-MAX3089高速收发器包含一个驱动器和一个接收器。这些器件具有故障安全电路,可在接收器输入开路或短路时确保接收器输出为逻辑高电平。这意味着如果端接总线上的所有发射器都被禁用(高阻抗),接收器输出将为逻辑高电平。MAX3080/MAX3081/MAX3082具有低摆率驱动器,可充分降低EMI并减少因电缆端接不当引起的反射,从而实现高达115kbps的无误差数据传输。MAX3083/MAX3084/MAX3085提供更高的驱动器输出摆率限制,支持高达500kbps的传输速度。MAX3086/MAX3087/MAX3088的驱动器摆率不受限制,因此传输速度可达10Mbps。MAX3089的摆率可在115kbps、500kbps和10Mbps之间进行选择,只需用一个三态驱动器驱动一个选择器引脚即可。
这些收发器在空载时或满载且禁用驱动器时的典型电源电流消耗为375µA。
所有器件都具有1/8单位负载接收器输入阻抗,支持总线连接多达256个收发器。MAX3082/MAX3085/MAX3088用于半双工通信,而MAX3080/MAX3081/MAX3083/MAX3084/MAX3086/MAX3087用于全双工通信。MAX3089可选择半双工和全双工操作。其接收器和发送器输出相位还可通过单独的引脚独立编程。
应用
- 工业控制局域网
- 电平转换器
- RS-422/RS-485通信
- 适用于EMI敏感应用的收发器
参考资料
数据手册 1
可靠性数据 1
ADI 始终高度重视提供符合最高质量和可靠性水平的产品。我们通过将质量和可靠性检查纳入产品和工艺设计的各个范围以及制造过程来实现这一目标。出货产品的“零缺陷”始终是我们的目标。查看我们的质量和可靠性计划和认证以了解更多信息。
| 产品型号 | 引脚/封装图-中文版 | 文档 | CAD 符号,脚注和 3D模型 |
|---|---|---|---|
| MAX3084CPA+ | 8-PDIP-300_MIL | ||
| MAX3084CSA+ | Small-Outline IC, Narrow (0.15in) | ||
| MAX3084CSA+T | Small-Outline IC, Narrow (0.15in) | ||
| MAX3084ESA+ | Small-Outline IC, Narrow (0.15in) | ||
| MAX3084ESA+T | Small-Outline IC, Narrow (0.15in) |
| 产品型号 | 产品生命周期 | PCN |
|---|---|---|
|
5月 22, 2018 - 1702N ASSEMBLY |
||
| MAX3084CSA+ | 量产 | |
| MAX3084CSA+T | 量产 | |
| MAX3084ESA+ | 量产 | |
| MAX3084ESA+T | 量产 | |
这是最新版本的数据手册
最新评论
需要发起讨论吗? 没有关于 MAX3084的相关讨论?是否需要发起讨论?
在EngineerZone®上发起讨论