MAX2511

量产

低电压IF收发器,带有限幅放大器和接收信号强度指示

产品技术资料帮助

ADI公司所提供的资料均视为准确、可靠。但本公司不为用户在应用过程中侵犯任何专利权或第三方权利承担任何责任。技术指标的修改不再另行通知。本公司既没有含蓄的允许,也不允许借用ADI公司的专利或专利权的名义。本文出现的商标和注册商标所有权分别属于相应的公司。

Viewing:

概述

  • +2.7V至+5.5V单电源供电
  • 完整的接收路径:
    • 200MHz至440MHz(第一IF)-
    • 8MHz至13MHz(第二IF)
  • 具有差分输出的限幅器(可调电平)
  • 具有90dB单调动态范围的RSSI功能
  • 完整的发射路径:
    • 8MHz至13MHz(第二IF)-
    • 200MHz至440MHz(第一IF)
  • 带电压调节器和缓冲器的片内振荡器
  • 高级系统电源管理(四种模式)
  • 关断电流:0.1µA

MAX2511是一款高度集成的完整IF收发器,适用于采用双变频架构的应用。如果RF工作频率范围为200MHz至440MHz,则MAX2511也可用作单变频收发器。

在典型应用中,接收器使用镜像抑制混频器将高IF/RF(200MHz至440MHz)下变频至10.7MHz低IF。功能包括一个具有34dB镜像抑制性能的镜像抑制下变频器,后跟一个可以驱动片外IF滤波器的IF缓冲器;一个提供90dB单调接收信号强度指示(RSSI)的片内限幅放大器;以及一个稳健的限幅器输出驱动器。发射镜像抑制混频器产生干净的输出频谱,以尽可能地降低滤波器要求。其后是一个40dB可变增益放大器,可将IM3电平保持在-35dBc以下。最大输出功率为2dBm。还包括一个用于驱动外部预分频器的VCO和振荡器缓冲器。

MAX2511采用2.7V至5.5V电源供电,提供灵活的电源管理控制。在关断模式下,电源电流降至0.1µA。

对于为发射器使用相内(I)和正交(Q)基带架构的应用,Maxim提供相应的收发器产品:MAX2510。MAX2510具有与MAX2511相似的特性,但使用正交上变频器对I/Q基带信号进行上变频。

 

应用

  • 400MHz ISM收发器
  • IF收发器
  • PACS、PHS、DECT和其他PCS无线手机和基站
  • PWT1900无线手机和基站
  • 无线数据链路

MAX2511
低电压IF收发器,带有限幅放大器和接收信号强度指示
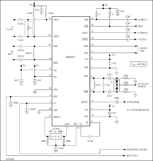
MAX2511:典型工作电路
添加至 myAnalog

将产品添加到myAnalog 的现有项目或新项目中(接收通知)。

创建新项目
提问

参考资料

了解更多
添加至 myAnalog

Add media to the Resources section of myAnalog, to an existing project or to a new project.

创建新项目

软件资源

找不到您所需的软件或驱动?

申请驱动/软件

最新评论

需要发起讨论吗? 没有关于 MAX2511的相关讨论?是否需要发起讨论?

在EngineerZone®上发起讨论

近期浏览