MAX1807

量产

微功耗、可调过压保护控制器

产品技术资料帮助

ADI公司所提供的资料均视为准确、可靠。但本公司不为用户在应用过程中侵犯任何专利权或第三方权利承担任何责任。技术指标的修改不再另行通知。本公司既没有含蓄的允许,也不允许借用ADI公司的专利或专利权的名义。本文出现的商标和注册商标所有权分别属于相应的公司。

Viewing:

概述

  • 五个3%精度过压比较器
  • 具有VGS限制器的系列PFET栅极驱动器
  • 静态电源电流:21µA
  • 关断电流:4µA
  • 工作电压范围:4.4V至28V
  • 3%精度比较器,具有10%迟滞,用于低电量检测(MAX1808)
  • 28V开漏N沟道输出(MAX1807)
  • 小型10引脚µMAX封装

MAX1807/MAX1808可监控多达五个电源轨的过压情况,并在五个电源中的任何一个超过跳闸阈值时提供锁存输出。当检测到过压情况时,锁存输出会驱动外部P沟道负载开关以移除电源。当逻辑低电平输入到ON或对电源进行循环操作时,锁存器复位。

MAX1807提供28V开漏故障输出,可用于触发警报、使可复位保险丝跳闸或用于其他目的。MAX1808包含一个具有迟滞功能的低电池电量比较器,可将DP输出驱动为高电平,从而在输入电压过低时关闭外部P沟道开关。

MAX1807/MAX1808采用微型10引脚µMAX®封装。

 

应用

  • 多输出电源
  • 笔记本电脑
  • 电源模块

MAX1807
微功耗、可调过压保护控制器
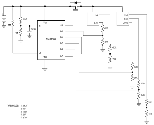
MAX1807、MAX1808:典型工作电路
添加至 myAnalog

将产品添加到myAnalog 的现有项目或新项目中(接收通知)。

创建新项目
提问

参考资料

了解更多
添加至 myAnalog

Add media to the Resources section of myAnalog, to an existing project or to a new project.

创建新项目

软件资源

找不到您所需的软件或驱动?

申请驱动/软件

最新评论

需要发起讨论吗? 没有关于 MAX1807的相关讨论?是否需要发起讨论?

在EngineerZone®上发起讨论

近期浏览