MAX17105

量产

8串WLED驱动器,集成升压型调节器和SMBus/PWM调光控制

用于笔记本电脑的WLED驱动器,集成boost开关有效降低成本、节省空间

产品技术资料帮助

ADI公司所提供的资料均视为准确、可靠。但本公司不为用户在应用过程中侵犯任何专利权或第三方权利承担任何责任。技术指标的修改不再另行通知。本公司既没有含蓄的允许,也不允许借用ADI公司的专利或专利权的名义。本文出现的商标和注册商标所有权分别属于相应的公司。

Viewing:

概述

  • 6V至28V输入电压范围
  • 最多8串LED并联,每串可串联多个LED
  • 500kHz至2MHz可调开关频率
  • 0.15Ω内部HV功率MOSFET (45V,最大值)
  • 每串具有极低的反馈电压:20mA LED电流时为500mV
  • 0mA至30mA可调满量程LED电流
  • ±2%的串间电流调节精度
  • 25kHz直接PWM频率下,调光比为100:1
  • PWMI输入范围为100Hz至30kHz (DPWM模式)和10kHz ±5% (SMBus模式)
  • 100Hz至5kHz可调DPWM频率
  • 具有8位分辨率的满量程调光范围
  • 开路和短路LED保护
  • 输出过压保护
  • 热关断
  • 故障输出驱动p沟道MOSFET
  • 小尺寸、24引脚、4mm x 4mm、薄型QFN封装

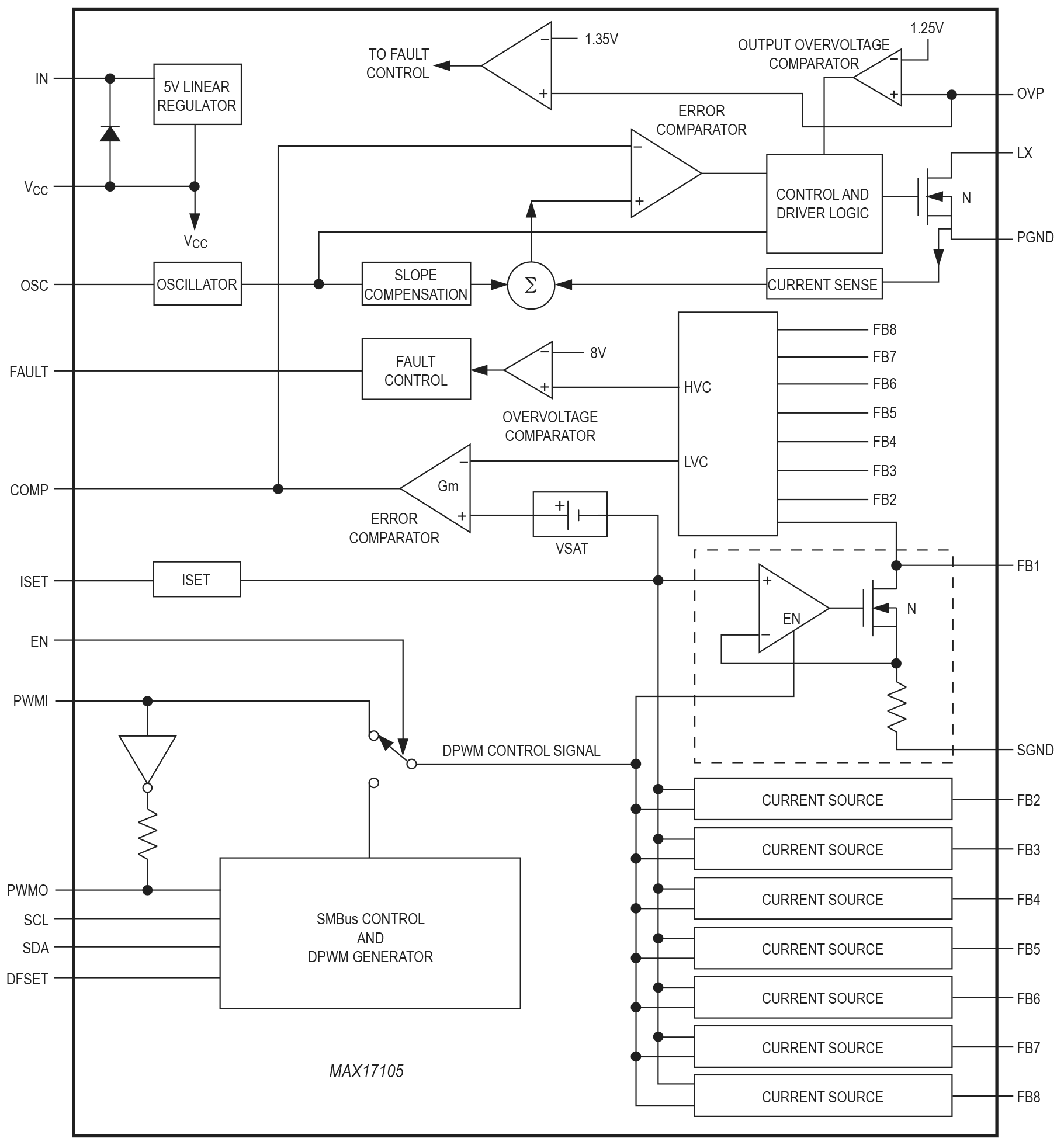
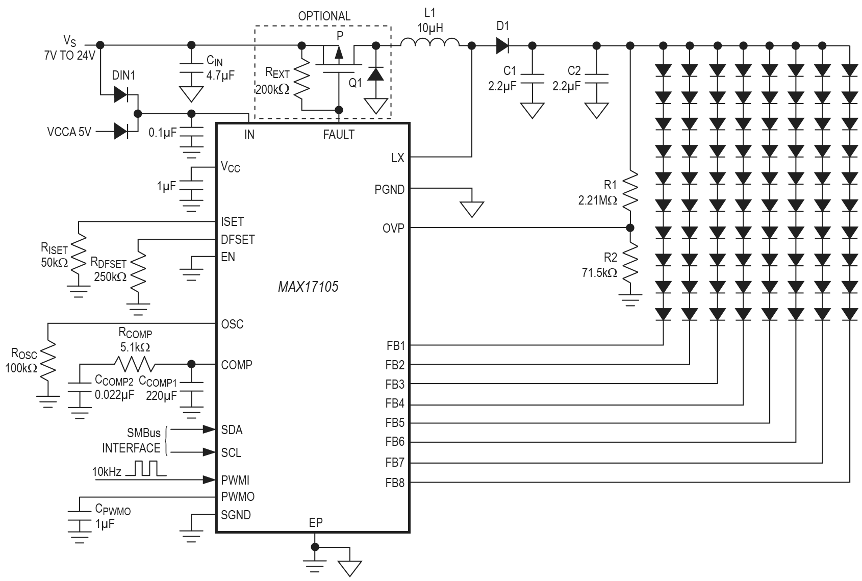
MAX17105是一款高效率白光发光二极管(WLED)驱动器,设计用于采用LED阵列作为光源的大型液晶显示器(LCD)。内部开关电流模式升压控制器驱动LED阵列,该阵列可配置为最多8串并联,每串串联10个LED的结构。每串LED与镇流电阻端接,可实现±2%的电流调节精度,确保均匀的LED亮度。MAX17105具有6V至28V较宽的输入电压范围,可提供0至30mA满量程可调LED电流。

MAX17105由内部产生数字可调节的脉宽调制(DPWM)信号,实现精确的WLED亮度控制。DPWM频率可通过电阻设置,DPWM占空比则由外部PWM信号直接控制或通过MAX17105 SMBus™接口传输的控制字实现控制。DPWM控制提供具有8位分辨率的调光范围,支持Intel显示省电技术(DPST),有效延长电池工作寿命。MAX17105还具有直接PWM控制模式,采用PWMI直接控制LED电流的通/断,该模式下SMBus接口禁止。

MAX17105通过多种途径保护控制器,使其在故障条件下不被损坏。独立的反馈环路在任何情况下都会限制输出电压,确保安全工作。一旦检测到某串LED开路,则该串LED被禁止,而其它串正常工作。MAX17105还具有LED短路检测功能,出现短路故障的LED串被禁止。控制器具有逐周期限流功能,可提供恒流控制以及软启动功能。如果MAX17105处于限流状态,升压调节器在内部定时器超时后闭锁。热关断电路提供额外的保护功能,当出现输入过流故障、热关断或输出电压短路条件时,输入p沟道MOSFET关断,将升压调节器输出与输入电源隔离。

MAX17105采用增强散热的24引脚、4mm x 4mm、薄型QFN封装,带有裸焊盘。

应用

  • 手持终端
  • 笔记本电脑、亚笔记本电脑和平板计算机显示器

MAX17105
8串WLED驱动器,集成升压型调节器和SMBus/PWM调光控制
MAX17105 Functional Diagram MAX17105 Circuit Diagram MAX17105 Pin Configuration
添加至 myAnalog

将产品添加到myAnalog 的现有项目或新项目中(接收通知)。

创建新项目
提问

参考资料

了解更多
添加至 myAnalog

Add media to the Resources section of myAnalog, to an existing project or to a new project.

创建新项目

软件资源

找不到您所需的软件或驱动?

申请驱动/软件

最新评论

需要发起讨论吗? 没有关于 MAX17105的相关讨论?是否需要发起讨论?

在EngineerZone®上发起讨论

近期浏览