MAX14811

双通道、单/双极性、高压数字脉冲发生器,带有故障条件管理

高度集成的双通道数字脉冲发生器,采用有源钳位技术,改善脉冲信号质量

产品技术资料帮助

ADI公司所提供的资料均视为准确、可靠。但本公司不为用户在应用过程中侵犯任何专利权或第三方权利承担任何责任。技术指标的修改不再另行通知。本公司既没有含蓄的允许,也不允许借用ADI公司的专利或专利权的名义。本文出现的商标和注册商标所有权分别属于相应的公司。

Viewing:

概述

  • 故障管理
  • 高度集成的高压、高频单/双极性脉冲发生器
  • 9Ω输出阻抗、2.0A (典型值)输出电流
  • 27Ω有源钳位
  • 脉冲发生器和钳位过压保护
  • 0至+220V单极性或±110V双极性输出
  • 保持一致的上升/下降时间和传输延时
  • CMOS兼容逻辑输入
  • 7mm x 7mm、56引脚TQFN封装

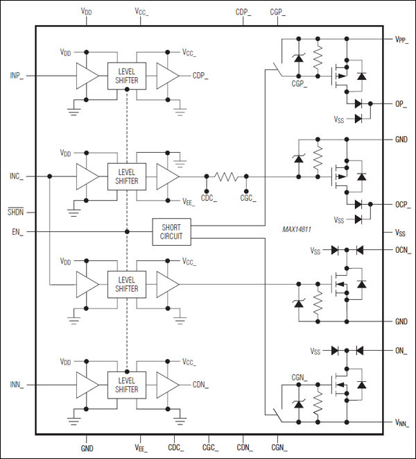
MAX14811集成电路用于从低压逻辑输入产生高压、高频、单极性或双极性脉冲。该款双通道脉冲发生器具有独立的逻辑输入、独立的高压脉冲发生器输出,并带有有源钳位以及独立的高压电源输入。

器件具有故障条件管理,用于保护器件输出。如果INP_和INN_均为逻辑高电平,器件输出为三态。器件的高压输出具有9Ω输出阻抗,有源钳位具有27Ω阻抗。高压输出可确保提供2.0A (典型值)输出电流。所有脉冲发生器输出和钳位输出均提供过压保护功能。

器件每个通道采用三种逻辑输入,用于控制正、负脉冲和有源钳位。另外还包括两路独立的使能输入。禁止EN_,可确保在电源斜坡快速上升期间输出MOSFET不会意外导通。这样在脉冲模式之间允许更快的斜坡上升时间和更短的延时。低功耗关断模式将电源功耗降至1µA以内。所有的数字输入均与CMOS电平兼容。

器件采用带裸焊盘的7mm x 7mm、56引脚TQFN封装,工作在0°C至+70°C商业级温度范围。

应用

  • 清洗设备
  • 工业成像/缝隙检测
  • 压电驱动器
  • 测试设备
  • 超声医疗成像

MAX14811
双通道、单/双极性、高压数字脉冲发生器,带有故障条件管理
MAX14811:功能框图
添加至 myAnalog

将产品添加到myAnalog 的现有项目或新项目中(接收通知)。

创建新项目
提问

参考资料

了解更多
添加至 myAnalog

Add media to the Resources section of myAnalog, to an existing project or to a new project.

创建新项目

软件资源

找不到您所需的软件或驱动?

申请驱动/软件

硬件生态系统

部分模型 产品周期 描述
MOSFET和栅极驱动器 2
MAX4940 量产 双/四通道、单/双极性、高压数字脉冲发生器
MAX4811 量产 双通道、单/双极性、高压数字脉冲发生器
Modal heading
添加至 myAnalog

将产品添加到myAnalog 的现有项目或新项目中(接收通知)。

创建新项目

最新评论

需要发起讨论吗? 没有关于 MAX14811的相关讨论?是否需要发起讨论?

在EngineerZone®上发起讨论

近期浏览