MAX14573

量产

高精度、可调节过压和过流保护器

业内集成度最高的限流和过压保护方案,支持高达40V和4.2A设计

产品技术资料帮助

ADI公司所提供的资料均视为准确、可靠。但本公司不为用户在应用过程中侵犯任何专利权或第三方权利承担任何责任。技术指标的修改不再另行通知。本公司既没有含蓄的允许,也不允许借用ADI公司的专利或专利权的名义。本文出现的商标和注册商标所有权分别属于相应的公司。

Viewing:

概述

  • 4.5V至36V宽输入电压范围
  • 可调节OVLO和UVLO门限
    • ±3%精度的预设门限
    • 自动选择内部和外部调节
  • 可编程正向限流
    • 最高4.2A的可调节限流
    • ±15%门限精度
  • 100mΩ (典型值)导通电阻FET
  • 双使能输入
    • 高压输入,/HVEN
    • 微处理器输入,EN
  • 反向电流控制输入,RIEN
  • 热关断保护

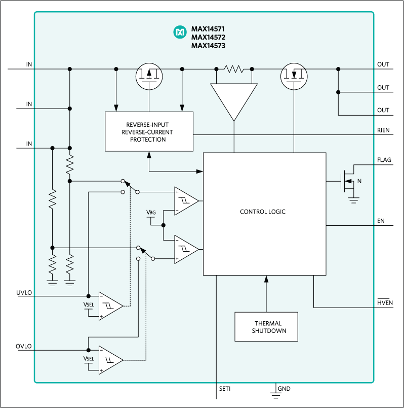
MAX14571/MAX14572/MAX14573可调节过压和过流保护器件理想用于系统保护,可承受高达±40V的正、负输入电压,内置RON为100mΩ (典型值)的开关FET。
器件的过压保护(OVP)范围为6V至36V,欠压保护(UVP)保护范围为4.5V至24V。过压锁存(OVLO)和欠压锁存(UVLO)门限可以由外部电阻设置。工厂预设内部OVLO门限为33V (典型值),预设内部UVLO门限为19.2V (典型值)。
IC还具有高达4.2A的可编程限流保护功能。电流达到门限时,MAX14571经过20.7ms (典型值)屏蔽时间后关断,并在重试周期内保持关断状态;MAX14572在屏蔽时间后锁存关断状态,MAX14573则连续保持限流。此外,器件具有反向电流保护和热关断保护。
IC采用小尺寸、14引脚TSSOP (5mm x 6.5mm)封装,工作在-40°C至+85°C温度范围。

应用

  • 电池供电应用
  • 消费类电子
  • 工业设备
  • 航海设备

MAX14573
高精度、可调节过压和过流保护器
MAX14571, MAX14572, MAX14573: Functional Diagram
添加至 myAnalog

将产品添加到myAnalog 的现有项目或新项目中(接收通知)。

创建新项目
提问

参考资料

了解更多
添加至 myAnalog

Add media to the Resources section of myAnalog, to an existing project or to a new project.

创建新项目

软件资源

找不到您所需的软件或驱动?

申请驱动/软件

评估套件

MAX14571EVKIT

MAX14571、MAX14572和MAX14573评估套件

特性和优点

  • 工作电压范围:6V至36V
  • 可通过跳线配置限流值
  • 经过验证的PCB布局
  • 装配完成且经过测试

产品详情

MAX14571评估套件(EV套件)演示了MAX14571可调过压和过流保护器,采用带裸露焊盘的14引脚TSSOP表贴封装。该评估套件具有可通过跳线配置的SETI电阻,可处理高达36V的输入电源。

通过对U1 IC进行替换,该评估套件也可用于评估MAX14572和MAX14573器件。订购评估套件时,可向工厂索取免费样片。

 

应用

  • 电池供电应用
  • 消费类电子
  • 工业设备
  • 航海设备

MAX14571EVKIT
MAX14571、MAX14572和MAX14573评估套件

最新评论

需要发起讨论吗? 没有关于 MAX14573的相关讨论?是否需要发起讨论?

在EngineerZone®上发起讨论

近期浏览