LTC4307
量产Low Offset Hot Swappable 2-Wire Bus Buffer with Stuck Bus Recovery
- 产品模型
- 10
概述
- Bidirectional Buffer with Stuck Bus Recovery
- 60mV Buffer Offset Independent of Load
- 30ms Stuck Bus Timeout
- Compatible with Non-Compliant VOL I2C Devices
- Prevents SDA and SCL Corruption During Live Board Insertion and Removal from Backplane
- ±5kV Human Body Model ESD Protection
- Isolates Input SDA and SCL Line from Output
- Compatible with I2C™, I2C Fast Mode and SMBus
- READY Open-Drain Output
- 1V Precharge on All SDA and SCL Lines
- High Impedance SDA, SCL Pins for VCC = 0V
- Small 8-Lead (3mm × 3mm) DFN and 8-Lead MSOP Packages
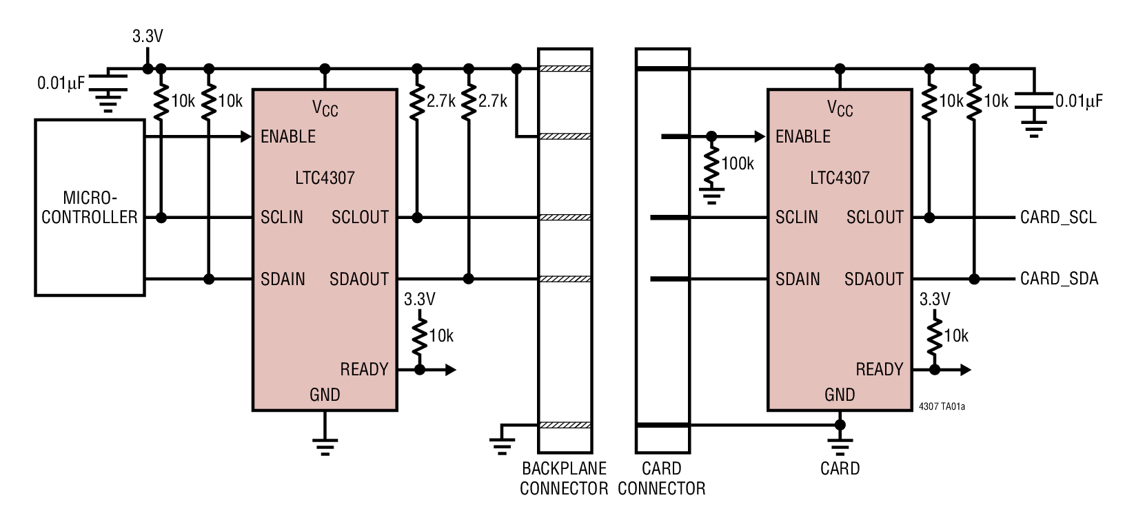
The LTC4307 hot swappable, 2-wire bus buffer allows I/O card insertion into a live backplane without corruption of the data and clock busses. The LTC4307 provides bidirectional buffering, keeping the backplane and card capacitances isolated. Low offset and high VOL tolerance allows multiple devices to be cascaded on the clock and data busses. If SDAOUT or SCLOUT are low for 30ms, the LTC4307 will automatically break the bus connection. At this time the LTC4307 automatically generates up to 16 clock pulses on SCLOUT in an attempt to free the bus. A connection will resume if the stuck bus is cleared.
During insertion, the SDA and SCL lines are pre-charged to 1V to minimize bus disturbances. When driven high, the ENABLE input allows the LTC4307 to connect after a stop bit or bus idle. Driving ENABLE low breaks the connection between SDAIN and SDAOUT, SCLIN and SCLOUT. READY is an open-drain output which indicates that the backplane and card sides are connected.
Applications
- Live Board Insertion
- Servers
- Capacitance Buffer/Bus Extender
- RAID Systems
- ATCA
参考资料
数据手册 1
可靠性数据 1
技术文章 2
视频 3
新闻 1
产品选型卡 2
ADI 始终高度重视提供符合最高质量和可靠性水平的产品。我们通过将质量和可靠性检查纳入产品和工艺设计的各个范围以及制造过程来实现这一目标。出货产品的“零缺陷”始终是我们的目标。查看我们的质量和可靠性计划和认证以了解更多信息。
| 产品型号 | 引脚/封装图-中文版 | 文档 | CAD 符号,脚注和 3D模型 |
|---|---|---|---|
| LTC4307CDD#PBF | 8-Lead DFN (3mm x 3mm x 0.75mm w/ EP) | ||
| LTC4307CDD#TRPBF | 8-Lead DFN (3mm x 3mm x 0.75mm w/ EP) | ||
| LTC4307CMS8#PBF | 8-Lead MSOP | ||
| LTC4307CMS8#TRPBF | 8-Lead MSOP | ||
| LTC4307IDD#PBF | 8-Lead DFN (3mm x 3mm x 0.75mm w/ EP) | ||
| LTC4307IDD#TRPBF | 8-Lead DFN (3mm x 3mm x 0.75mm w/ EP) | ||
| LTC4307IMS8#3ZZPBF | 8-Lead MSOP | ||
| LTC4307IMS8#3ZZTRPBF | 8-Lead MSOP | ||
| LTC4307IMS8#PBF | 8-Lead MSOP | ||
| LTC4307IMS8#TRPBF | 8-Lead MSOP |
| 产品型号 | 产品生命周期 | PCN |
|---|---|---|
|
6月 30, 2020 - 20_0244 Notification of Wafer Fab Location Change for 0.6µm CMOS Process Devices from ADI Milpitas (Hillview) to Vanguard Int. (Taiwan) |
||
| LTC4307CDD#PBF | 量产 | |
| LTC4307CDD#TRPBF | 量产 | |
| LTC4307CMS8#PBF | 量产 | |
| LTC4307CMS8#TRPBF | 量产 | |
| LTC4307IDD#PBF | 量产 | |
| LTC4307IDD#TRPBF | 量产 | |
| LTC4307IMS8#3ZZPBF | 量产 | |
| LTC4307IMS8#PBF | 量产 | |
| LTC4307IMS8#TRPBF | 量产 | |
|
2月 3, 2020 - 20_0128 Laser Top Mark for 8 Lead MSOP Packages Assembled in ADPG and UTAC |
||
| LTC4307CMS8#PBF | 量产 | |
| LTC4307CMS8#TRPBF | 量产 | |
| LTC4307IMS8#PBF | 量产 | |
| LTC4307IMS8#TRPBF | 量产 | |
这是最新版本的数据手册
硬件生态系统
工具及仿真模型
IBIS 模型 1
最新评论
需要发起讨论吗? 没有关于 LTC4307的相关讨论?是否需要发起讨论?
在EngineerZone®上发起讨论