LTC4300
不推荐用于新设计可热插拔的两线式总线缓冲器
- 产品模型
- 8
概述
- 用于 SDA 和 SCL 线路的双向缓冲器可增加扇出
- 当电路板在背板上进行带电插拔时可避免 SDA 和 SCL 受损
- 将输入 SDA 和 SCL 线路与输出隔离开来
- 可兼容 I2C、I2C 快速模式和 SMBus 标准 (工作频率高达 400kHz)
- 低 ICC 芯片停用模式:<1μA (LTC4300-1)
- READY 漏极开路输出 (LTC4300-1)
- 在所有的 SDA 和 SCL 线路上均进行 1V 预充电
- 支持时钟伸展、仲裁和同步
- 5V 至 3.3V 电平转换 (LTC4300-2)
- 用于 VCC = 0V 的高阻抗 SDA、SCL 引脚
- 小外形 MSOP 8 引脚封装
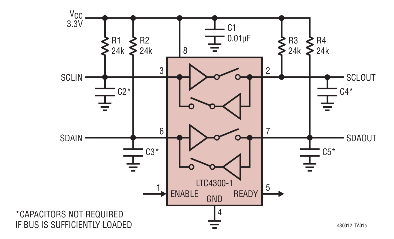
LTC®4300 可热插拔两线式总线缓冲器系列允许 I/O 板卡插入带电背板,而不损坏数据和时钟总线。当建立连接时,LTC4300-1 / LTC4300-2 可提供双向缓冲,从而使背板与板卡电容保持隔离。上升时间加速器电路允许使用较弱的 DC 上拉电流,同时仍然满足上升时间要求。在板卡插入期间,SDA 和 SCL 线路预先充电至 1V,以较大限度地抑制总线扰动。
LTC4300-1 包括一个 CMOS 门限数字 ENABLE 输入引脚,该引脚负责强制器件进入一种低电流模式 (当被驱动至地电位时) 和设定正常操作 (当被驱动至 VCC 时)。该器件还包括一个漏极开路 READY 输出引脚,当背板与板卡侧连接在一起时,该引脚将发出指示信号。LTC4300-2 采用一个用于板卡侧的专用电源电压引脚 VCC2 取代了 ENABLE 引脚,并提供了 3.3V 和 5V 系统之间的电平移位。背板和板卡均可采用介于 2.7V 至 5.5V 之间的电源电压进行供电,而对于哪一个的电源电压较高并没有限制。另外,LTC4300-2 还用一个数字 CMOS 输入引脚 ACC 替代了 READY 引脚,该 ACC 引脚负责启用和停用上升时间加速器电流。
LTC4300 采用小外形 8 引脚 MSOP 封装。
应用
- 带电电路板插入
- 服务器
- 电容缓冲器 / 总线扩展器
- 台式电脑
参考资料
数据手册 1
可靠性数据 1
设计笔记 1
视频 3
产品选型卡 1
ADI 始终高度重视提供符合最高质量和可靠性水平的产品。我们通过将质量和可靠性检查纳入产品和工艺设计的各个范围以及制造过程来实现这一目标。出货产品的“零缺陷”始终是我们的目标。查看我们的质量和可靠性计划和认证以了解更多信息。
| 产品型号 | 引脚/封装图-中文版 | 文档 | CAD 符号,脚注和 3D模型 |
|---|---|---|---|
| LTC4300-1CMS8#PBF | 8-Lead MSOP | ||
| LTC4300-1CMS8#TRPBF | 8-Lead MSOP | ||
| LTC4300-1IMS8#PBF | 8-Lead MSOP | ||
| LTC4300-1IMS8#TRPBF | 8-Lead MSOP | ||
| LTC4300-2CMS8#PBF | 8-Lead MSOP | ||
| LTC4300-2CMS8#TRPBF | 8-Lead MSOP | ||
| LTC4300-2IMS8#PBF | 8-Lead MSOP | ||
| LTC4300-2IMS8#TRPBF | 8-Lead MSOP |
| 产品型号 | 产品生命周期 | PCN |
|---|---|---|
|
2月 3, 2020 - 20_0128 Laser Top Mark for 8 Lead MSOP Packages Assembled in ADPG and UTAC |
||
| LTC4300-1CMS8#PBF | ||
| LTC4300-1CMS8#TRPBF | ||
| LTC4300-1IMS8#PBF | ||
| LTC4300-1IMS8#TRPBF | ||
| LTC4300-2CMS8#PBF | ||
| LTC4300-2CMS8#TRPBF | ||
| LTC4300-2IMS8#PBF | ||
| LTC4300-2IMS8#TRPBF | ||
这是最新版本的数据手册
硬件生态系统
| 部分模型 | 产品周期 | 描述 |
|---|---|---|
| 电平转换器和缓冲区 1 | ||
| LTC4313 | 量产 | 具高噪声裕度的二线式总线缓冲器 |
| 数字隔离器 1 | ||
| LTM2883 | 量产 | 具可调 ±12.5V 和 5V 稳定电源的 SPI / 数字或 I2C μModule 隔离器 |
| 部分模型 | 产品周期 | 描述 |
|---|---|---|
| LTC4300A-1 | 量产 | 可热插拔的两线式总线缓冲器 |
工具及仿真模型
LTspice
LTspice中提供以下器件型号:
- LTC4300A-1
LTspice®是一款强大高效的免费仿真软件、原理图采集和波形观测器,为改善模拟电路的仿真提供增强功能和模型。
最新评论
需要发起讨论吗? 没有关于 LTC4300的相关讨论?是否需要发起讨论?
在EngineerZone®上发起讨论