LTC3218

量产

400mA 单线式相机 LED 充电泵

产品技术资料帮助

ADI公司所提供的资料均视为准确、可靠。但本公司不为用户在应用过程中侵犯任何专利权或第三方权利承担任何责任。技术指标的修改不再另行通知。本公司既没有含蓄的允许,也不允许借用ADI公司的专利或专利权的名义。本文出现的商标和注册商标所有权分别属于相应的公司。

Viewing:

概述

  • 低噪声恒定频率操作
  • 多模式操作:1x 或 2x 升压模式
  • 自动模式切换
  • 高输出电流:可从锂离子/锂聚合物电池输入获得 150mA (连续)、400mA (脉动)输出电流
  • 2s 闪光灯电流超时用于 LED 保护
  • 自动软起动功能
  • 输出断接
  • 无电感器
  • 220mΩ 内部高压侧电流检测电阻器
  • 单电阻器编程能力
  • 纤巧型应用电路 (3mm x 2mm DFN 封装,所有元件的高度均 <1mm)

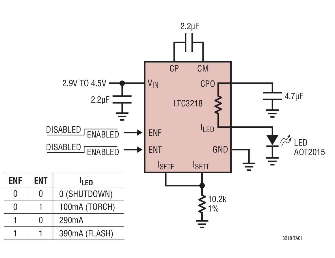
LTC®3218 是一款低噪声、高电流充电泵 DC/DC 转换器,能够从一个 2.9V 至 4.5V输入以高达 400mA 的电流来驱动高电流 LED。低外部元件数目 (一个跨接电容器、两个编程电阻器以及 VIN 和 CPO 引脚上的两个旁路电容器) 使得 LTC3218 成为小型、电池供电式应用的理想选择。

内置软起动电路可防止在启动时产生过大的浪涌电流。高开关频率允许使用小的外部电容器。一个内置 2s 定时器用于在闪光灯模式期间保护 LED。

输出电流水平由一个外部电阻器来设置。LED 电流采用一个内部高压侧 220mΩ 检测电阻器来调节。自动模式切换功能通过监视充电泵两端的电压、并且仅在检测到压差时切换模式而实现了效率的优化。该器件采用扁平 3mm x 2mm 10 引脚 DFN 封装。

Applications

  • DSC (数码相机) /蜂窝电话的 LED 手电筒/闪光灯电源

LTC3218
400mA 单线式相机 LED 充电泵
Efficiency vs VIN Product Package 1
添加至 myAnalog

将产品添加到myAnalog 的现有项目或新项目中(接收通知)。

创建新项目
提问

参考资料

了解更多
添加至 myAnalog

Add media to the Resources section of myAnalog, to an existing project or to a new project.

创建新项目

软件资源

找不到您所需的软件或驱动?

申请驱动/软件

工具及仿真模型

LTspice


LTspice中提供以下器件型号:

  • LTC3218
LTspice

LTspice®是一款强大高效的免费仿真软件、原理图采集和波形观测器,为改善模拟电路的仿真提供增强功能和模型。


评估套件

eval board
DC1030A

LTC3218EDDB Demo Board | Boost Charge Pump Camera LED Driver, 2.9V ≤ VIN ≤ 4.5V, VLED up to 4.5V @ 400mA

产品详情

Demonstration circuit 1030 is a 400mA Single Wire Charge Pump Camera LED Driver featuring the LTC3218. This circuit provides 50mA of continuous torch current and two flash current levels, 300mA and 400mA. The LTC3218 has a built-in 2-second flash timer to protect the LED in case of faults during flash mode.


The demo board operates with an input supply voltage range of 2.9V to 4.5V and includes an AOT-2015 LED. It generates a minimum LED voltage of 2.2V at 50mA LED current. The charge pump operates in 1x or 2x mode with automatic mode switching, and generates a maximum output voltage of 4.5V. 

DC1030A
LTC3218EDDB Demo Board | Boost Charge Pump Camera LED Driver, 2.9V ≤ VIN ≤ 4.5V, VLED up to 4.5V @ 400mA
DC1030A - Schematic

最新评论

需要发起讨论吗? 没有关于 LTC3218的相关讨论?是否需要发起讨论?

在EngineerZone®上发起讨论

近期浏览