LTC2925
推荐用于新设计具电源良好超时的多电源跟踪控制器
- 产品模型
- 8
概述
- 灵活的电源升 / 降跟踪
- 电源排序
- 电源稳定性不受影响
- 可在未使用串联 FET 的情况下控制三个电源
- 可利用一个串联 FET 来控制任选的第四个电源
- 电子电路断路器
- 远端采样开关用于补偿一个串联 FET 两端的电压降
- 电源关断输出
- FAULT 输出
- 可调电源良好超时
- 采用窄体 24 引脚 SSOP 和纤巧型 24 引脚 QFN 封装
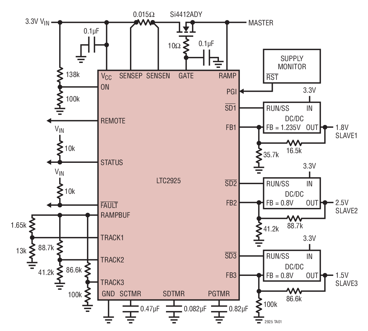
LTC®2925 提供了一款适合电源跟踪和排序要求的简单解决方案。通过选择几个电阻器,即可把电源配置成同时斜坡上升和下降或配合电压偏移、延时或不同的斜坡速率。
LTC2925 可控制三个独立电源的输出,而不会引入任何的传输元件损耗。对于那些需要第四个电源的系统,或者当某个电源不允许直接使用其反馈电阻器时,则可利用一个串联 FET 来控制该电源。当采用 FET 时,一个内部远端采样开关负责补偿 FET 和电流检测电阻器两端的电压降,而一个电子电路断路器则用于提供针对短路条件的保护。
LTC2925 还包括一项电源良好超时功能,当某个外部电源监视器未能在一个可调的超时周期之内指示电源进入了调节状态时,该功能将关断电源。
Applications
- VCORE 和 VI/O 电源跟踪
- 微处理器、DSP 和 FPGA 电源
- 服务器
- 通信系统
参考资料
数据手册 1
可靠性数据 1
技术文章 1
ADI 始终高度重视提供符合最高质量和可靠性水平的产品。我们通过将质量和可靠性检查纳入产品和工艺设计的各个范围以及制造过程来实现这一目标。出货产品的“零缺陷”始终是我们的目标。查看我们的质量和可靠性计划和认证以了解更多信息。
| 产品型号 | 引脚/封装图-中文版 | 文档 | CAD 符号,脚注和 3D模型 |
|---|---|---|---|
| LTC2925CGN#PBF | 24-Lead SSOP (Narrow 0.15 Inch) | ||
| LTC2925CGN#TRPBF | 24-Lead SSOP (Narrow 0.15 Inch) | ||
| LTC2925CUF#PBF | 24-Lead QFN (4mm x 4mm x 0.75mm w/ EP) | ||
| LTC2925CUF#TRPBF | 24-Lead QFN (4mm x 4mm x 0.75mm w/ EP) | ||
| LTC2925IGN#PBF | 24-Lead SSOP (Narrow 0.15 Inch) | ||
| LTC2925IGN#TRPBF | 24-Lead SSOP (Narrow 0.15 Inch) | ||
| LTC2925IUF#PBF | 24-Lead QFN (4mm x 4mm x 0.75mm w/ EP) | ||
| LTC2925IUF#TRPBF | 24-Lead QFN (4mm x 4mm x 0.75mm w/ EP) |
| 产品型号 | 产品生命周期 | PCN |
|---|---|---|
|
8月 10, 2022 - 22_0177 Laser Top Mark Conversion for QSOP20_24_28 Assembled in ADPG [PNG] and UTL |
||
| LTC2925CGN#PBF | 量产 | |
| LTC2925CGN#TRPBF | 量产 | |
| LTC2925IGN#PBF | 量产 | |
| LTC2925IGN#TRPBF | 量产 | |
|
1月 20, 2022 - 21_0269 Addition of Alternate Assembly Site ASE Taiwan for Select LFCSP Products |
||
| LTC2925CUF#PBF | 量产 | |
| LTC2925CUF#TRPBF | 量产 | |
| LTC2925IUF#PBF | 量产 | |
| LTC2925IUF#TRPBF | 量产 | |
这是最新版本的数据手册
软件资源
找不到您所需的软件或驱动?
申请驱动/软件硬件生态系统
工具及仿真模型
LTspice 1
LTspice中提供以下器件型号:
- LTC2925
LTspice®是一款强大高效的免费仿真软件、原理图采集和波形观测器,为改善模拟电路的仿真提供增强功能和模型。
最新评论
需要发起讨论吗? 没有关于 LTC2925的相关讨论?是否需要发起讨论?
在EngineerZone®上发起讨论