LTC1346A
量产10Mbps DCE/DTE V.35 收发器
- 产品模型
- 2
概述
- 单颗芯片提供了用于 V.35 端口的完整差分信号接口
- 驱动器和接收器将可承受重复的 ±10kV ESD 脉冲
- 采用 ±5V 电源工作
- 10Mbaud 传输速率
- 符合 CCITT V.35 规范
- 停机模式中将 ICC 减小至低于 1μA
- 可选的发送器和接收器配置
- 独立的驱动器 / 接收器使能
- 当停用、关断或电源关断时发送器保持高阻抗
- 采用小的充电泵电容器:0.1μF
- 低电源电流:8mA (典型值)
- 为发送器提供了短路保护
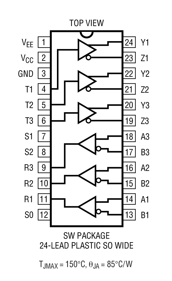
LTC®1346A 是一款单芯片收发器,其可采用 ±5V 电源为一个 V.35 接口提供差分时钟和数据信号。当与一个外部电阻器终端网络和一个用于控制信号的 LT®1134A RS232 收发器相结合时,LTC1346A 形成了一个完整的低功率 DTE 或 DCE V.35 接口端口。
LTC1346A 具有 3 个输出电流差分发送器和 3 个差分接收器。收发器可采用 3 个选择引脚针对数据终端设备 (DTE) 或数据通信设备 (DCE) 操作或停机进行配置。在停机模式中,电源电流减小至 1μA 以下。
LTC1346A 收发器工作速度高达 10Mbaud。所有的发送器均拥有短路保护功能。发送器输出和接收器输出均可被强制进入高阻抗状态。发送器输出和接收器输入具有 ±10kV ESD 保护等级。
应用
- 调制解调器
- 电信
- 数据路由器
参考资料
视频 2
产品选型卡 1
ADI 始终高度重视提供符合最高质量和可靠性水平的产品。我们通过将质量和可靠性检查纳入产品和工艺设计的各个范围以及制造过程来实现这一目标。出货产品的“零缺陷”始终是我们的目标。查看我们的质量和可靠性计划和认证以了解更多信息。
| 产品型号 | 引脚/封装图-中文版 | 文档 | CAD 符号,脚注和 3D模型 |
|---|---|---|---|
| LTC1346ACSW#PBF | 24-Lead SOIC (Wide 0.3 Inch) | ||
| LTC1346ACSW#TRPBF | 24-Lead SOIC (Wide 0.3 Inch) |
| 产品型号 | 产品生命周期 | PCN |
|---|---|---|
|
8月 10, 2022 - 22_0176 Laser Top Mark Conversion for SOIC_W Packages Assembled in ADPG [PNG] and UTL |
||
| LTC1346ACSW#PBF | 量产 | |
| LTC1346ACSW#TRPBF | 量产 | |
这是最新版本的数据手册
最新评论
需要发起讨论吗? 没有关于 LTC1346A的相关讨论?是否需要发起讨论?
在EngineerZone®上发起讨论