Quantic X-Microwave

Analog Devices' RF and microwave components are now also available as X-MWblock® drop-in evaluation modules from X-Microwave.

Get the X-MWblock® drop-in module for this part.

HMC635LC4

量产

GaAs PHEMT MMIC驱动放大器,18 - 40 GHz

产品技术资料帮助

ADI公司所提供的资料均视为准确、可靠。但本公司不为用户在应用过程中侵犯任何专利权或第三方权利承担任何责任。技术指标的修改不再另行通知。本公司既没有含蓄的允许,也不允许借用ADI公司的专利或专利权的名义。本文出现的商标和注册商标所有权分别属于相应的公司。

Viewing:

概述

  • 增益: 18.5 dB [1]
  • P1dB: +22 dBm [1]
  • 输出IP3: +27 dBm
  • 饱和功率:
    +23.5 dBm (15% PAE [1])
  • 电源电压: +5V @
    280 mA
  • 50 Ω匹配输入/输出
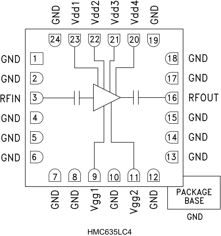
  • 24引脚4x4mm
    SMT陶瓷封装: 16mm²

HMC635LC4是一款GaAs PHEMT MMIC驱动放大器裸片,工作频率范围为18至40 GHz。 该放大器提供18.5 dB的增益、+27 dBm输出IP3及+22 dBm的输出功率(1 dB增益压缩时),功耗为280 mA(+5V电源)。 HMC635LC4非常适合作为微波无线电应用的驱动放大器,或用作工作频率范围为18至40 GHz的混频器LO放大器,可提供高达+23.5 dBm的饱和输出功率(15% PAE)。 隔直放大器I/O内部匹配50 Ω,非常适合集成到多芯片模块(MCM)中。

[1]增益、功率和噪声系数测量结果已经扣除板损耗。

应用

  • 点对点无线电
  • 点对多点无线电和VSAT
  • 军事和太空
  • 混频器LO驱动器

HMC635LC4

GaAs PHEMT MMIC驱动放大器,18 - 40 GHz

HMC635LC4_fbl
添加至 myAnalog

将产品添加到myAnalog 的现有项目或新项目中(接收通知)。

创建新项目
提问

参考资料

了解更多
添加至 myAnalog

Add media to the Resources section of myAnalog, to an existing project or to a new project.

创建新项目

软件资源

找不到您所需的软件或驱动?

申请驱动/软件

工具及仿真模型

ADIsimRF

ADIsimRF是一款简单易用的RF信号链计算工具。可以计算和导出多达50级的信号链级联增益、噪声、失真和功耗并绘制其曲线。ADIsimRF还包括丰富的ADI射频和混合信号元件的器件模型数据库。

打开工具

S-参数 1

Sys-Parameter Models for Keysight Genesys

Sys-Parameter models contain behavioral parameters, such as P1dB, IP3, gain, noise figure and return loss, which describe nonlinear and linear characteristics of a device.

打开工具

参考电路

Circuit Block Diagram
CN0390 参考设计

20 GHz至37.5 GHz,RF自动增益控制(AGC)电路

特性和优点

  • 20GHz至37.5GHz RF自动增益控制
  • 宽输入幅度范围
  • 低相位噪声
CN0390
20 GHz至37.5 GHz,RF自动增益控制(AGC)电路
Circuit Block Diagram
EVAL-CN0390-EB1Z AGC Printed Circuit Board (PCB)

最新评论

需要发起讨论吗? 没有关于 HMC635LC4的相关讨论?是否需要发起讨论?

在EngineerZone®上发起讨论

近期浏览