HMC630
推荐用于新设计HBT矢量调制器,采用SMT封装,700 - 1,000 MHz
- 产品模型
- 2
Viewing:
概述
- 连续相位控制:360°
- 连续增益控制:40 dB
- 低输出噪底:
-162 dBm/Hz
- 高输入IP3: +34 dBm
- 16引脚3x3mm SMT封装: 9mm²
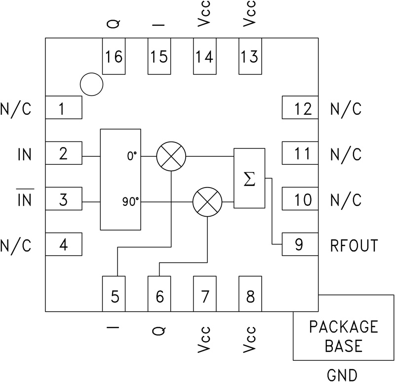
HMC630LP3和HMC630LP3E均为高动态范围矢量调制器RFIC,可用于RF预失真和前馈消除电路以及RF波束成形和幅度/相位校正电路。 HMC630LP3(E)的I和Q端口可用来连续改变RF信号的相位和幅度,最多分别达到360°和40 dB,同时支持180 MHz的3 dB调制带宽。 输出IP3为+24.5 dBm,输出噪底为-162 dBm/Hz(最大增益设置),因此输出IP3/噪底比为186.5 dB。
应用
- 无线基础设施HPA与MCPA纠错
- 预失真或前馈线性化
- 蜂窝/3G系统
- 波束成形或RF消除电路
参考资料
数据手册 1
质量文档 4
磁带和卷轴规格 1
产品选型指南 1
ADI 始终高度重视提供符合最高质量和可靠性水平的产品。我们通过将质量和可靠性检查纳入产品和工艺设计的各个范围以及制造过程来实现这一目标。出货产品的“零缺陷”始终是我们的目标。查看我们的质量和可靠性计划和认证以了解更多信息。
| 产品型号 | 引脚/封装图-中文版 | 文档 | CAD 符号,脚注和 3D模型 |
|---|---|---|---|
| HMC630LP3E | 16-Lead QFN (3mm x 3mm w/ EP) | ||
| HMC630LP3ETR | 16-Lead QFN (3mm x 3mm w/ EP) |
| 产品型号 | 产品生命周期 | PCN |
|---|---|---|
|
3月 29, 2023 - 22_0048 Addition of ASE Korea as an Alternate Assembly Site for Select LFCSP Products |
||
| HMC630LP3E | 量产 | |
| HMC630LP3ETR | 量产 | |
这是最新版本的数据手册