HMC500
推荐用于新设计HBT矢量调制器,采用SMT封装,1.8 - 2.2 GHz
- 产品模型
- 2
Viewing:
概述
- 连续相位控制: 360°
- 连续增益: 40 dB控制
- 输出噪底: -162 dBm/Hz
- 输入IP3: +33 dBm
- 3x3 mm QFN塑料封装
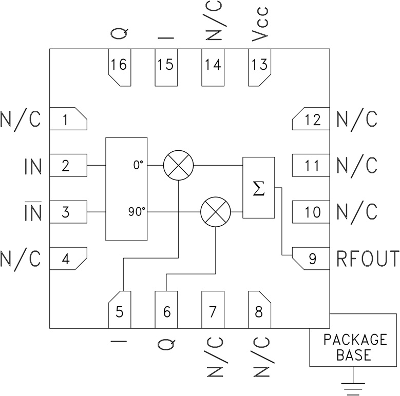
HMC500LP3(E)是一款高动态范围的矢量调制器RFIC,用于RF预失真和前馈消除电路,以及RF消除和波束成形幅度/相位校正电路。 可以使用HMC500LP3(E)的I/Q端口,持续改变RF信号的相位和幅度,最多分别达到360度和40 dB,同时支持150 MHz的3 dB调制带宽。 该器件的输入IP3为+33 dBm,输入噪底为-152 dBm/Hz(在-10 dB的最大增益设置下),输入IP3/噪底比率为185 dB。
应用
- 无线基础设施HPA和MCPA错误校正
- 预失真或前馈线性化
- PCS、GSM和W-CDMA系统
- 波束成形或RF消除电路
参考资料
数据手册 1
质量文档 4
磁带和卷轴规格 1
产品选型指南 1
ADI 始终高度重视提供符合最高质量和可靠性水平的产品。我们通过将质量和可靠性检查纳入产品和工艺设计的各个范围以及制造过程来实现这一目标。出货产品的“零缺陷”始终是我们的目标。查看我们的质量和可靠性计划和认证以了解更多信息。
| 产品型号 | 引脚/封装图-中文版 | 文档 | CAD 符号,脚注和 3D模型 |
|---|---|---|---|
| HMC500LP3E | 16-Lead QFN (3mm x 3mm w/ EP) | ||
| HMC500LP3ETR | 16-Lead QFN (3mm x 3mm w/ EP) |
| 产品型号 | 产品生命周期 | PCN |
|---|---|---|
|
4月 19, 2022 - 22_0048 Addition of ASE Korea as an Alternate Assembly Site for Select LFCSP Products |
||
| HMC500LP3E | 量产 | |
| HMC500LP3ETR | 量产 | |
这是最新版本的数据手册
软件资源
找不到您所需的软件或驱动?
申请驱动/软件评估套件
最新评论
需要发起讨论吗? 没有关于 HMC500的相关讨论?是否需要发起讨论?
在EngineerZone®上发起讨论